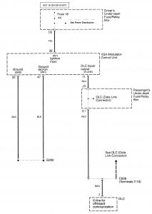
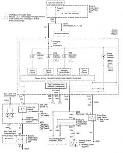
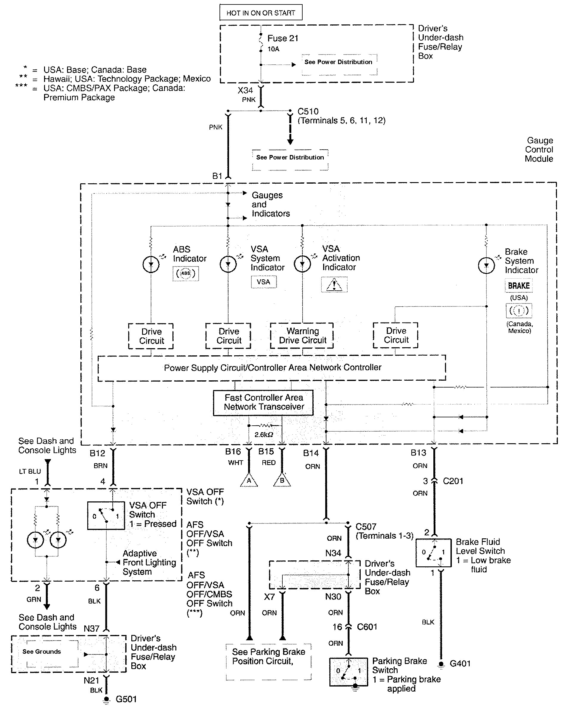
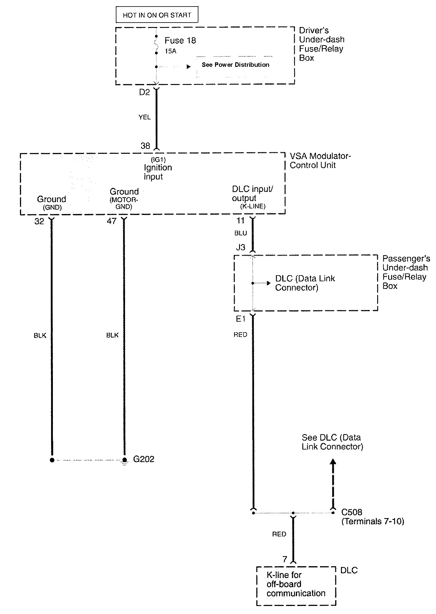
Acura RL (2009 – 2010) – wiring diagrams – electronic stability control
Year of productions: 2009, 2010
Electronic stability control





WARNING: Terminal and harness assignments for individual connectors will vary depending on vehicle equipment level, model, and market.
