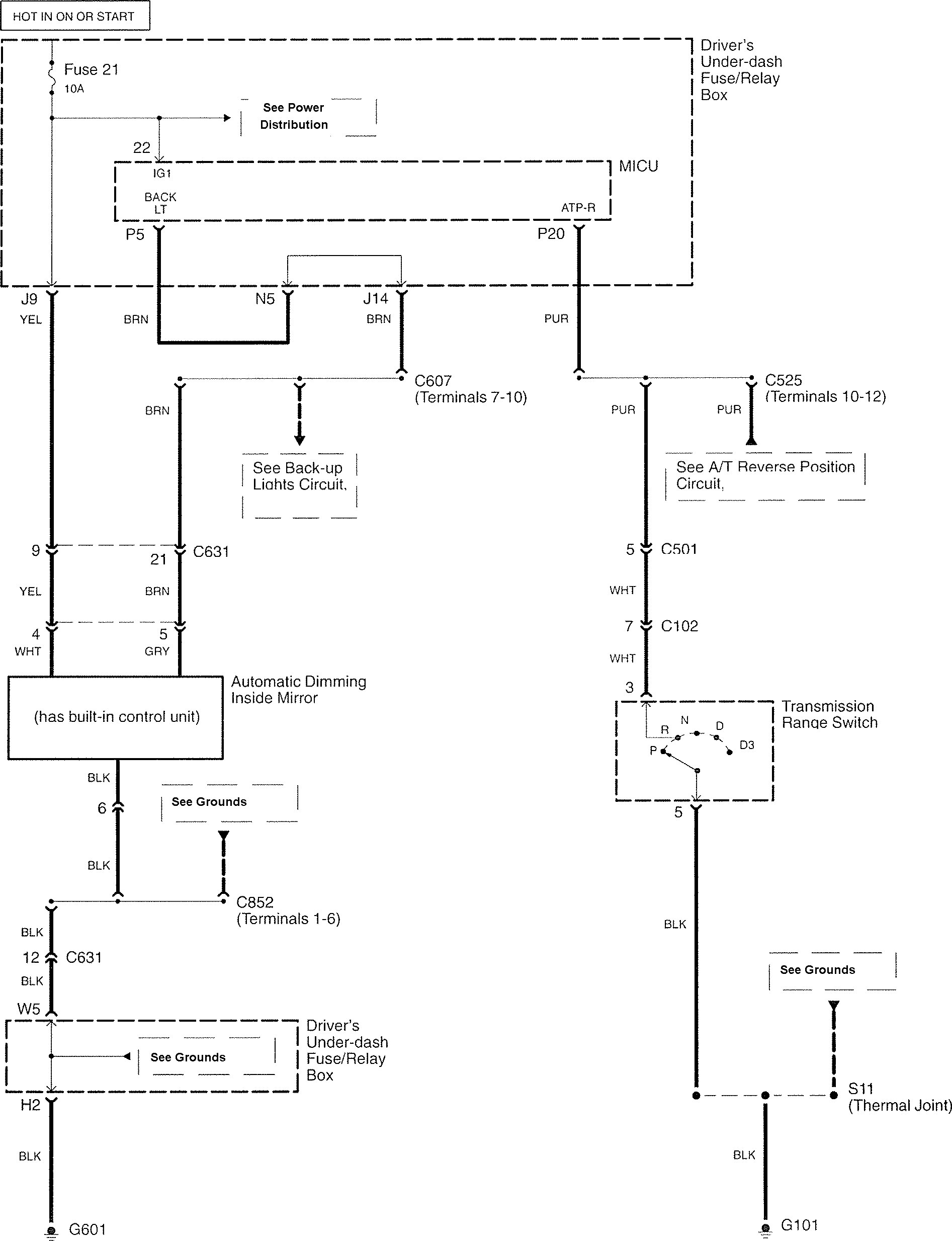
Acura RL (2007 – 2008) – wiring diagrams – automatic dimming mirror
Year of productions: 2007, 2008
Automatic dimming mirror

WARNING: Terminal and harness assignments for individual connectors will vary depending on vehicle equipment level, model, and market.
