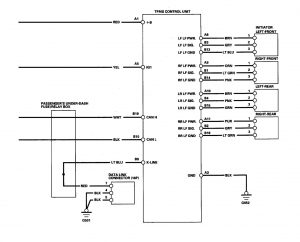
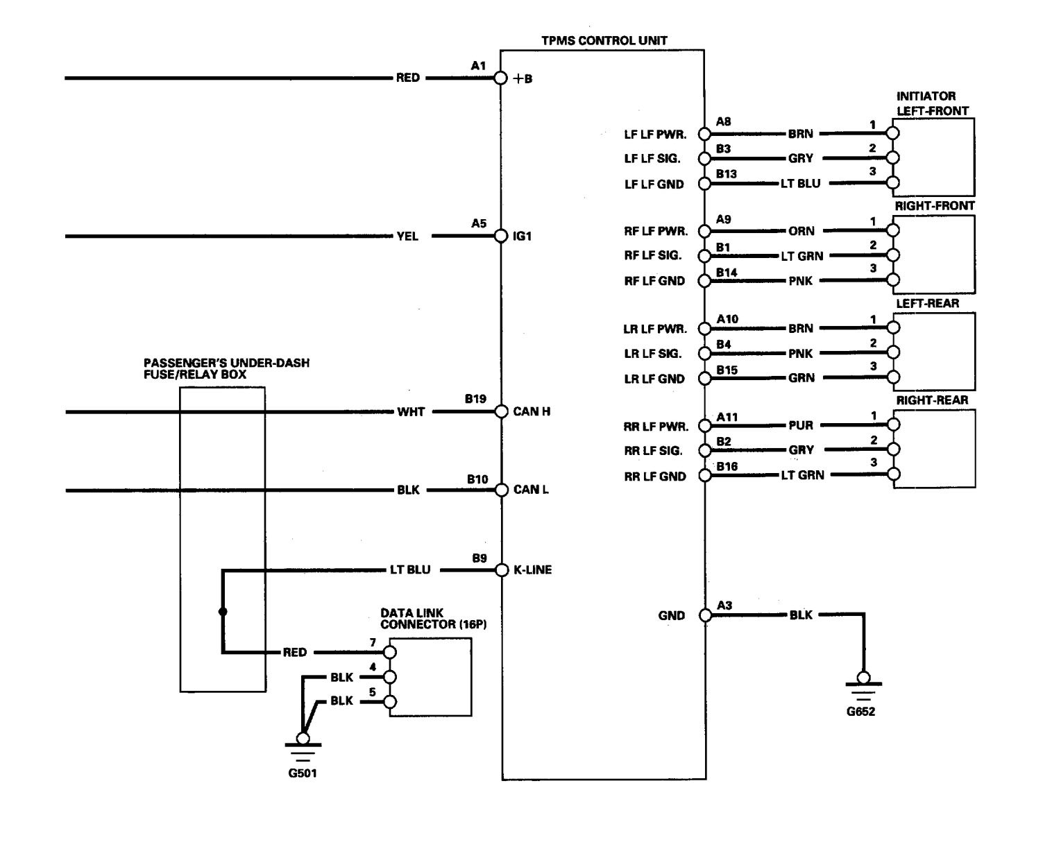
Acura RL (2006) – wiring diagrams – tire pressure monitoring system
Year of productions: 2006
Tire pressure monitoring system
Version 1



Version 2


WARNING: Terminal and harness assignments for individual connectors will vary depending on vehicle equipment level, model, and market.
