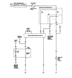
Acura RL (2006) – wiring diagrams – rear window sunshade
Year of productions: 2006
Rear window sunshade
Version 1

Version 2

WARNING: Terminal and harness assignments for individual connectors will vary depending on vehicle equipment level, model, and market.
