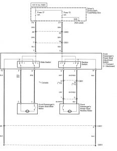
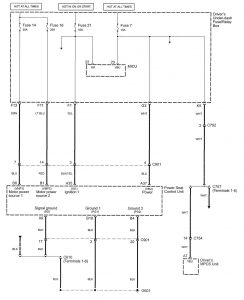
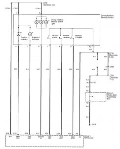
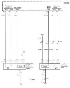
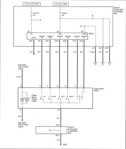
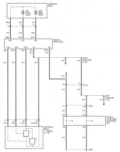
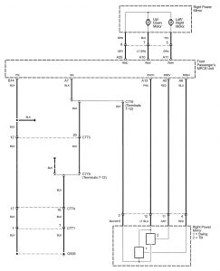
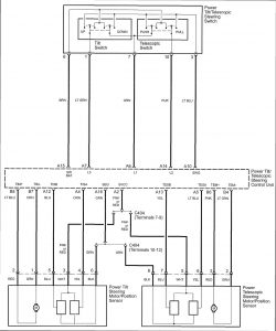
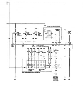
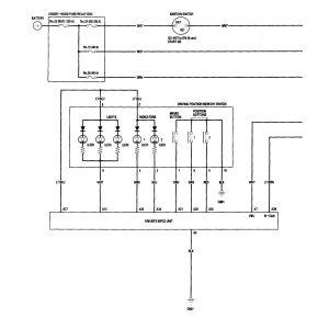
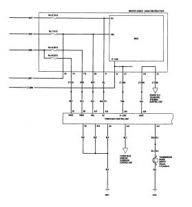
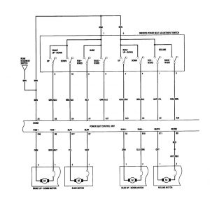
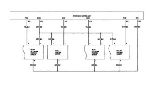
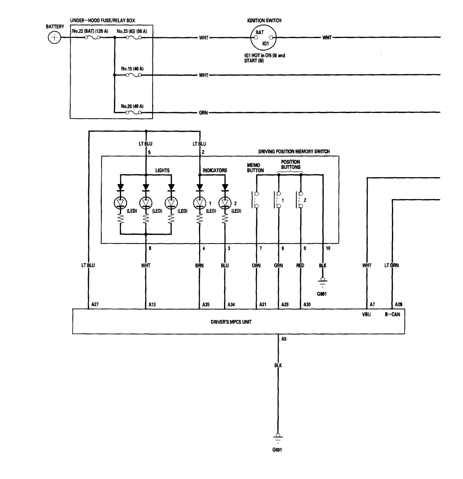
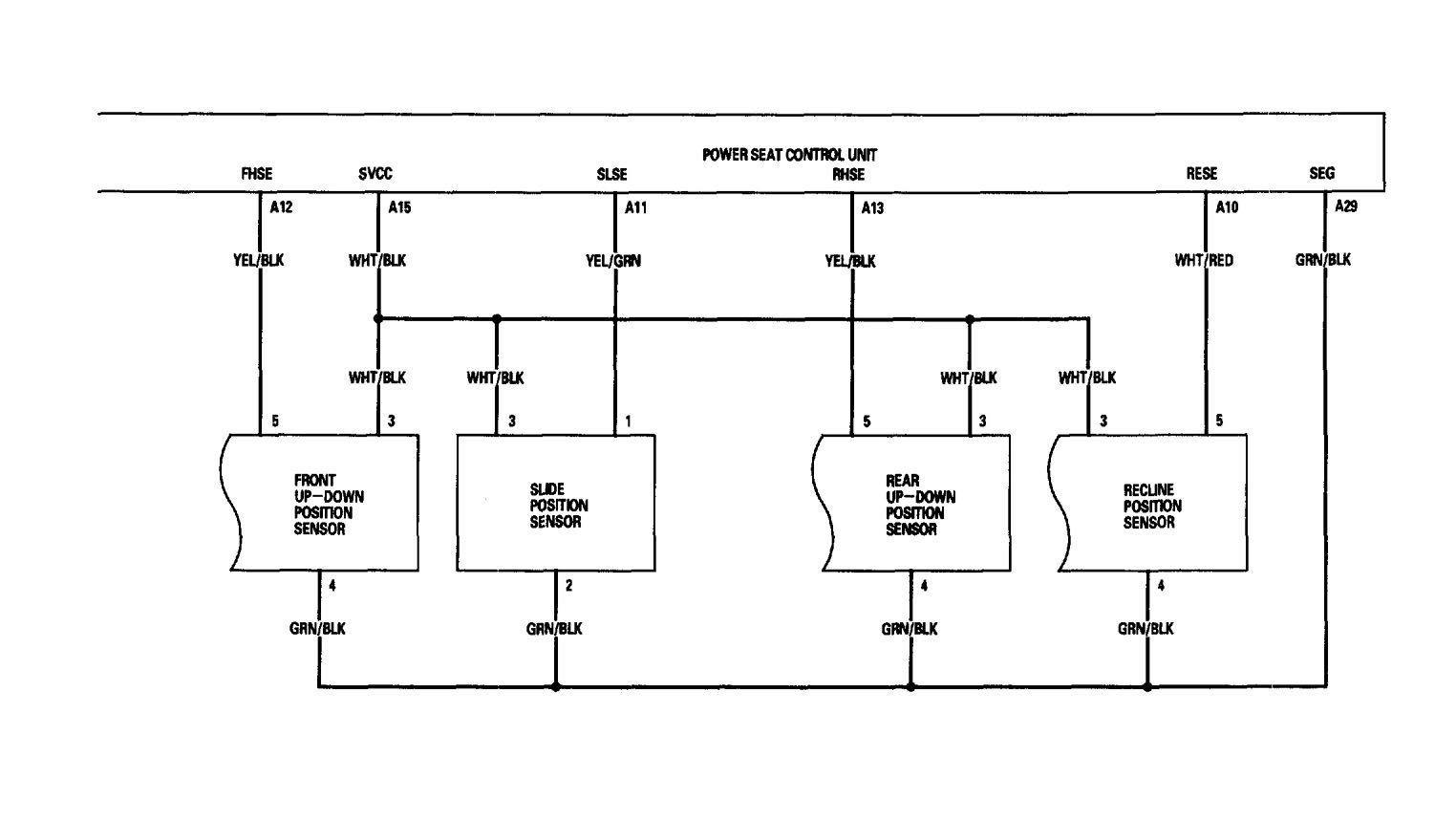
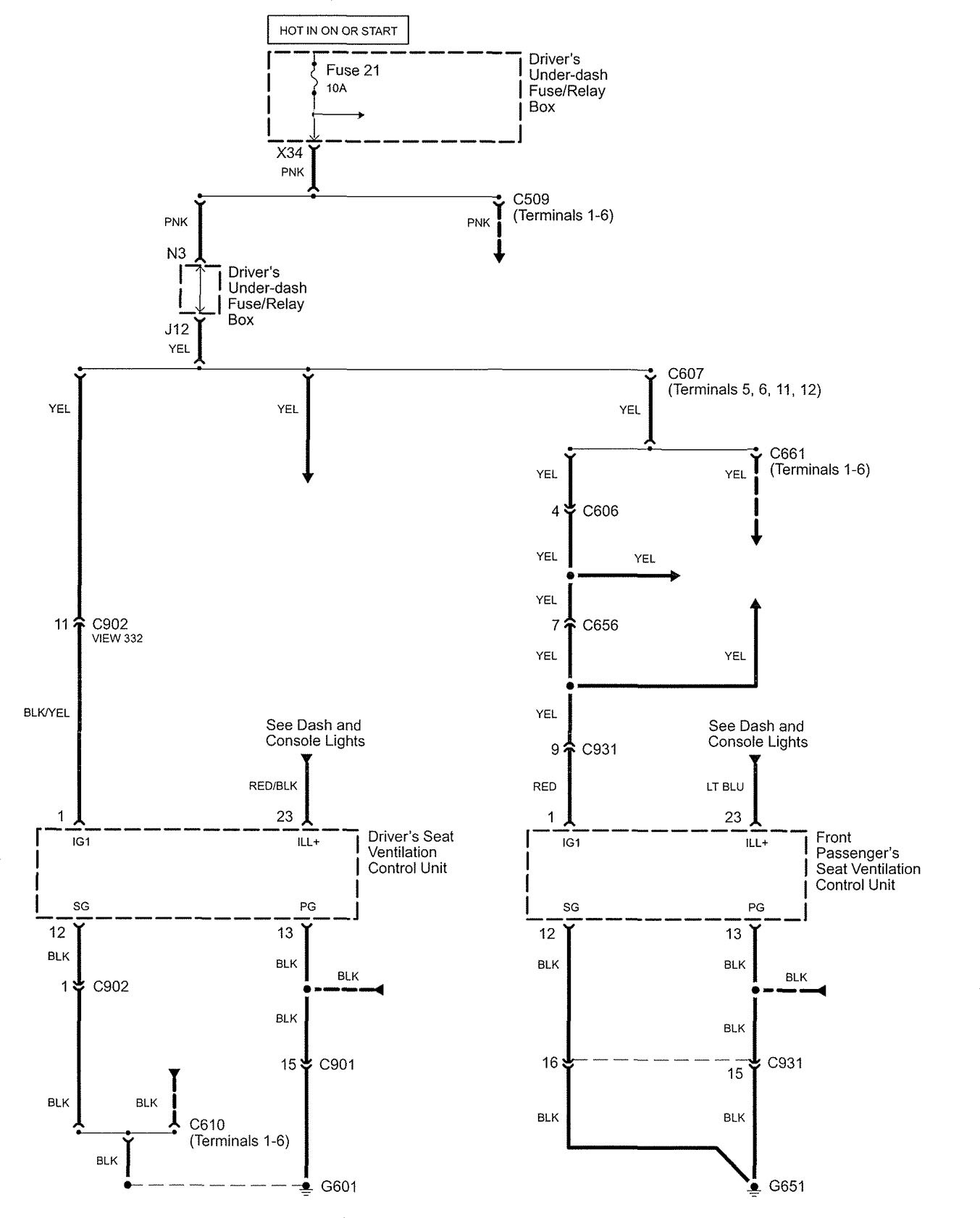
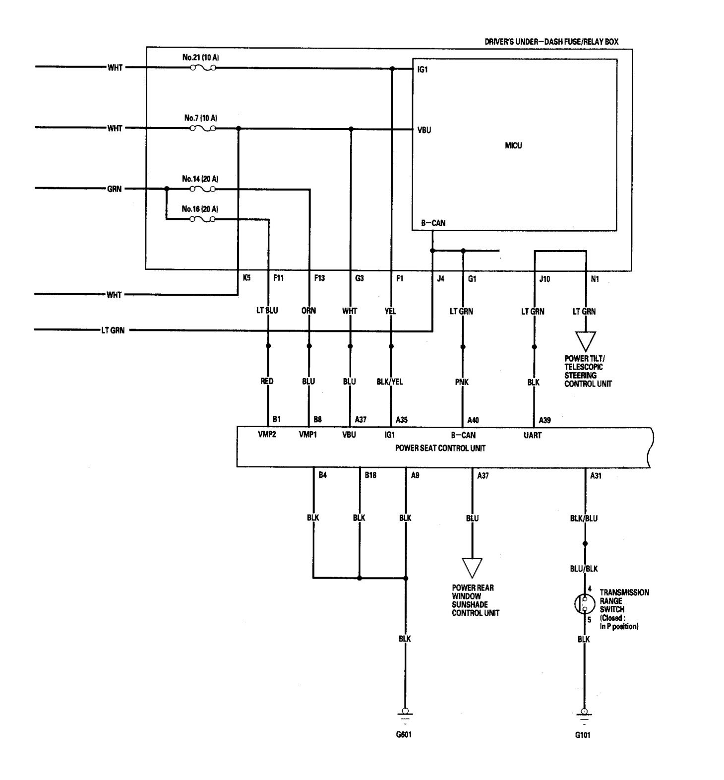
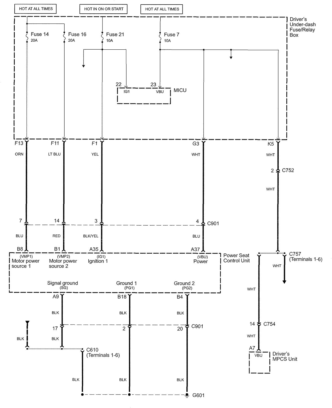
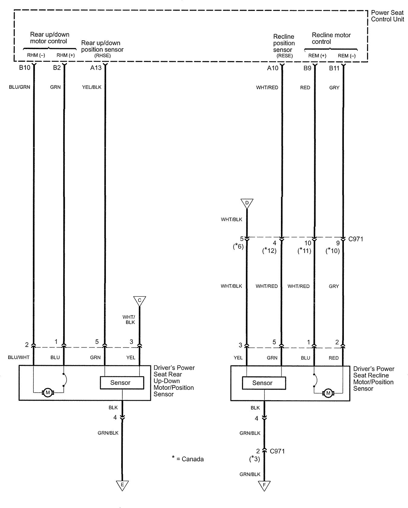
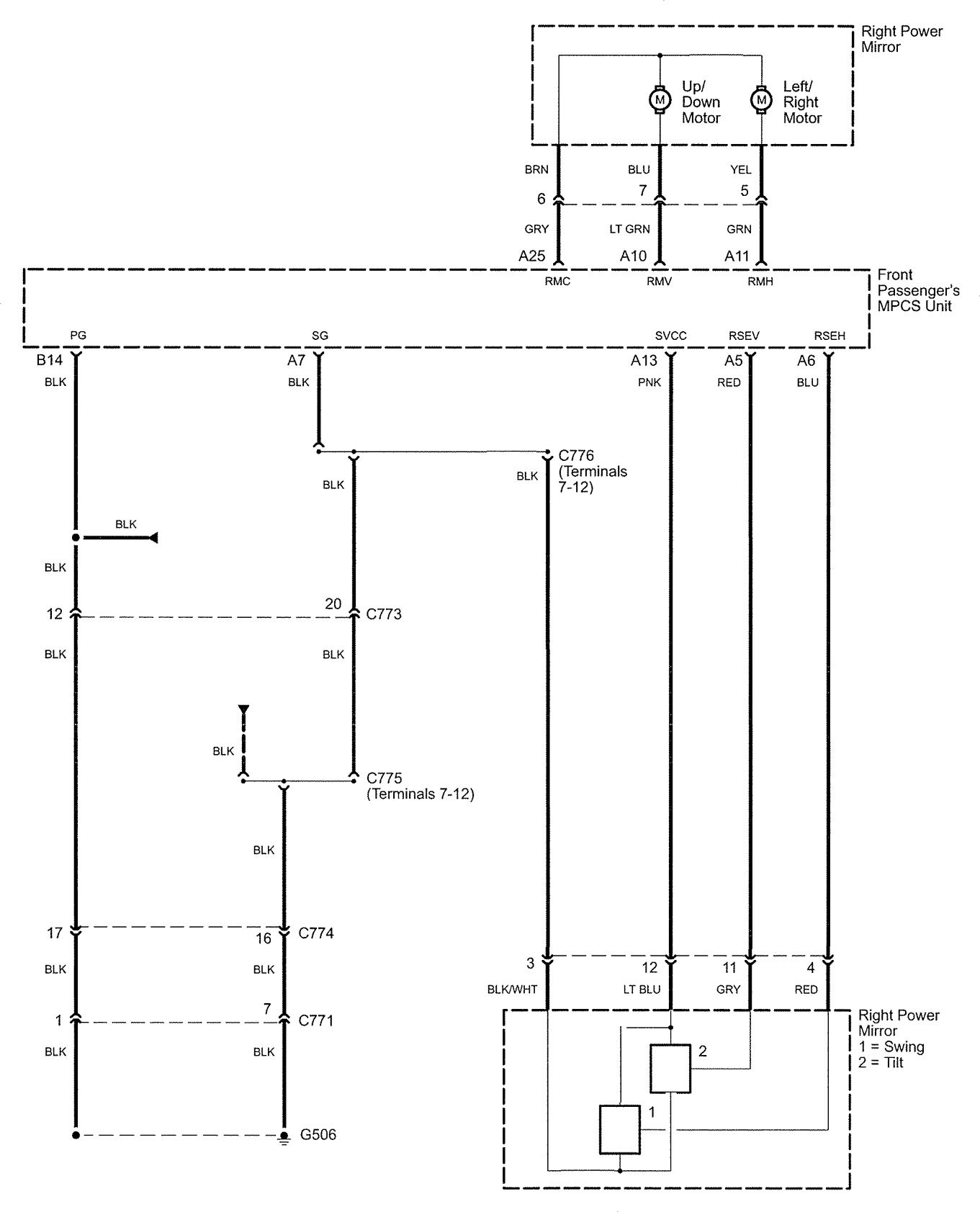
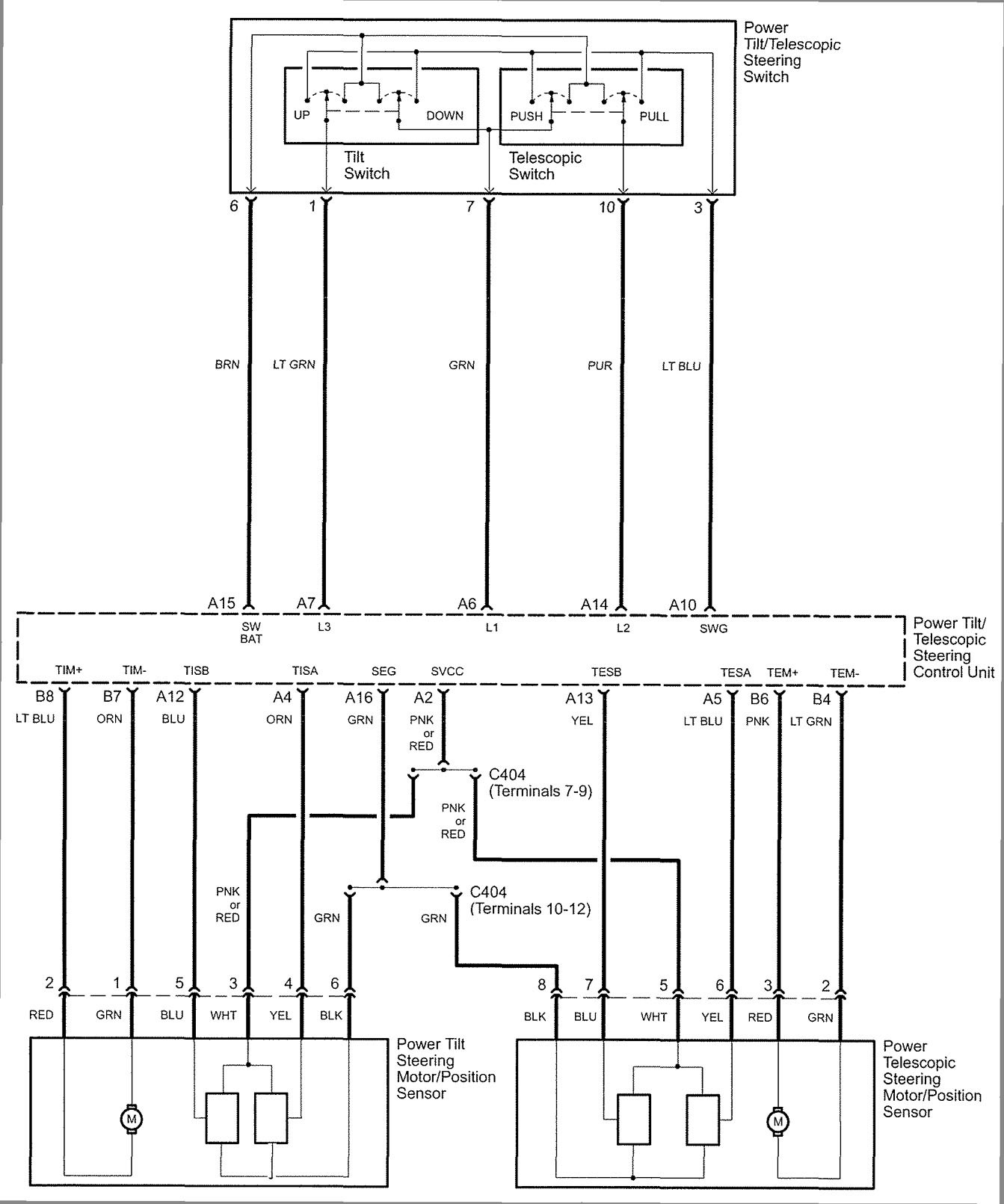
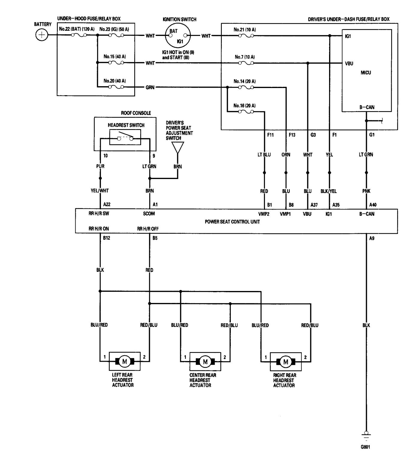
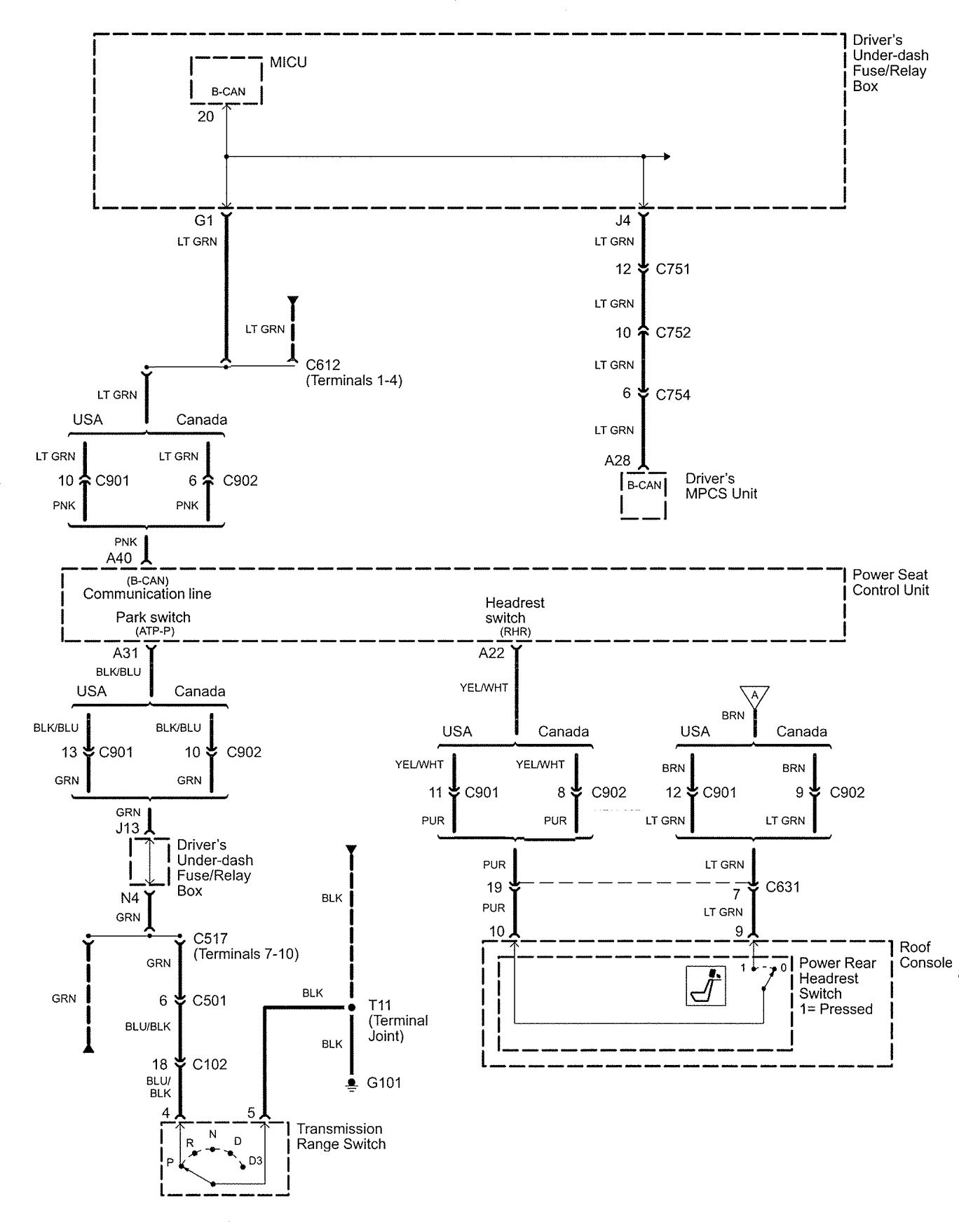
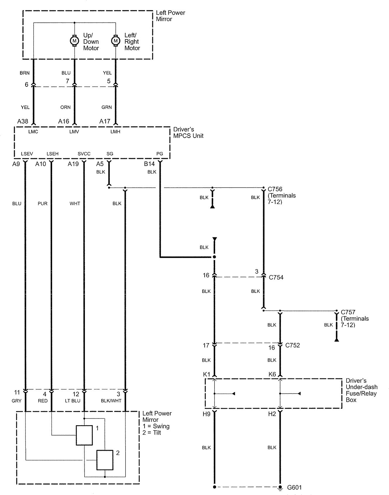
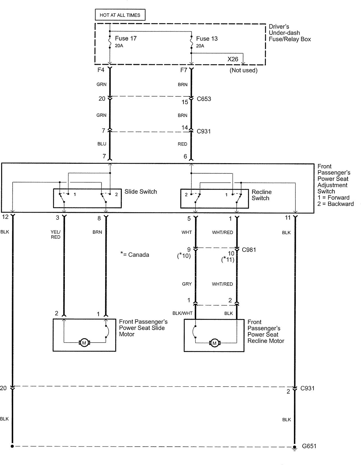
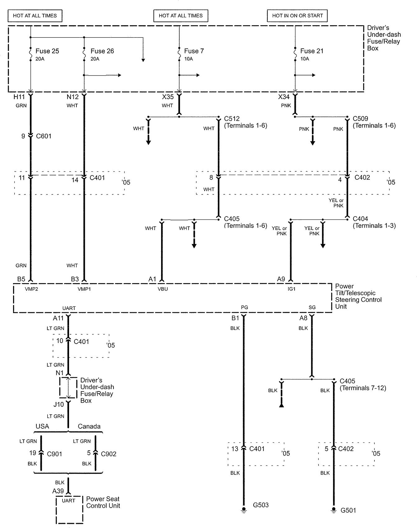
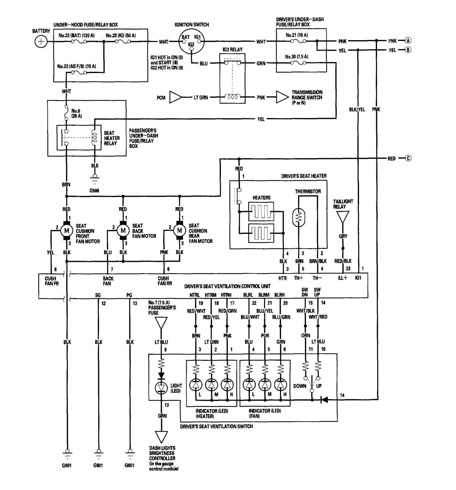
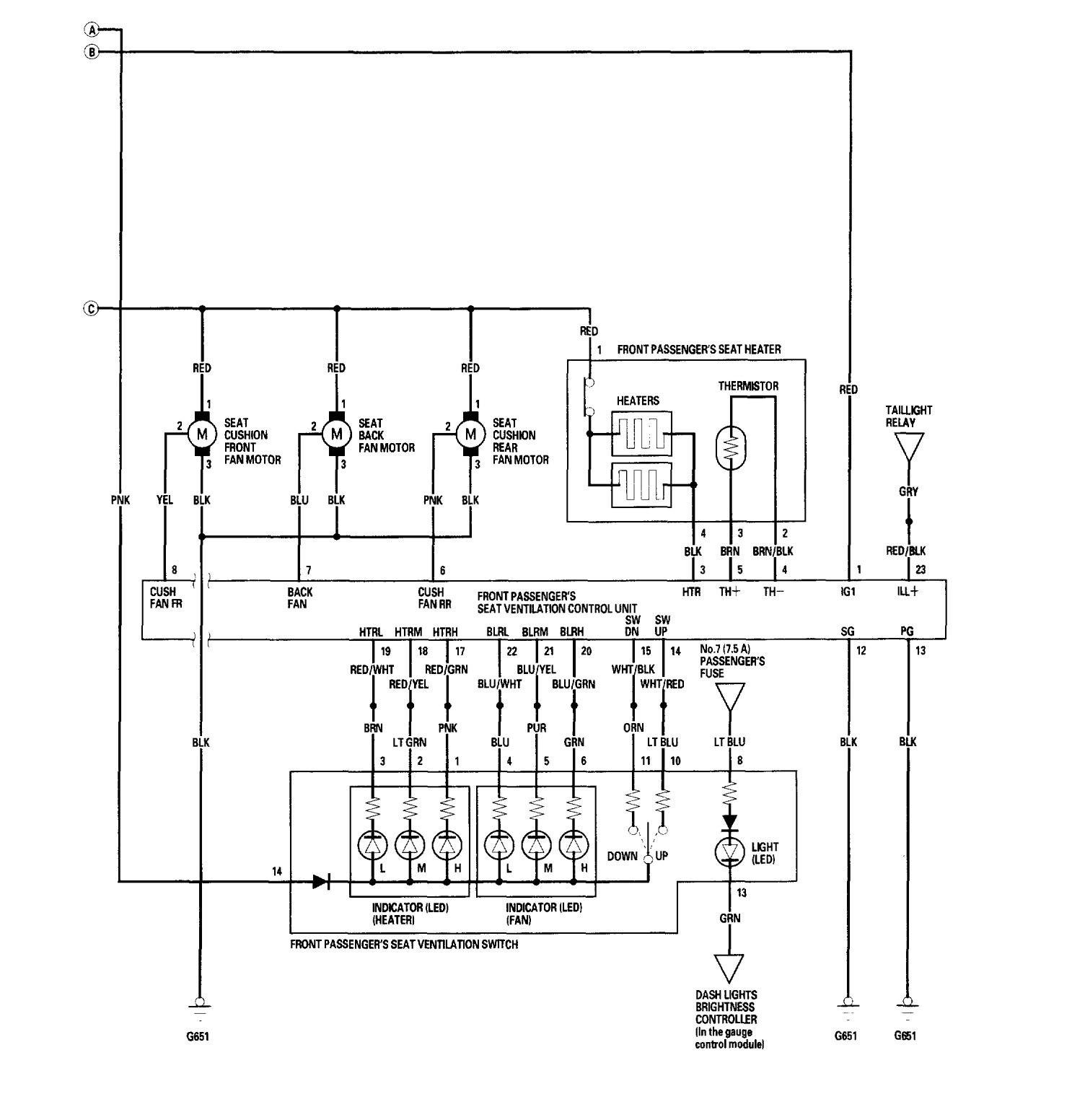
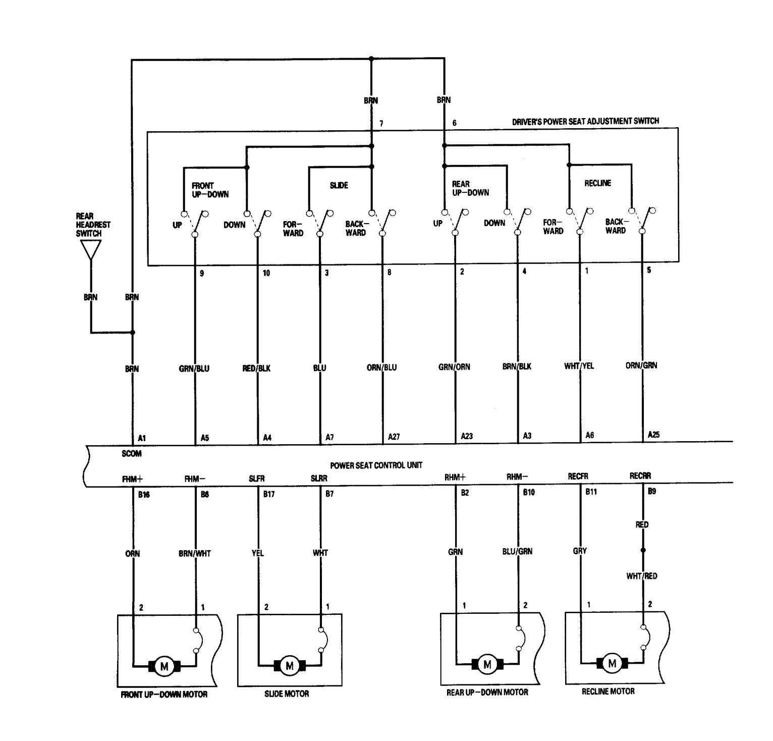
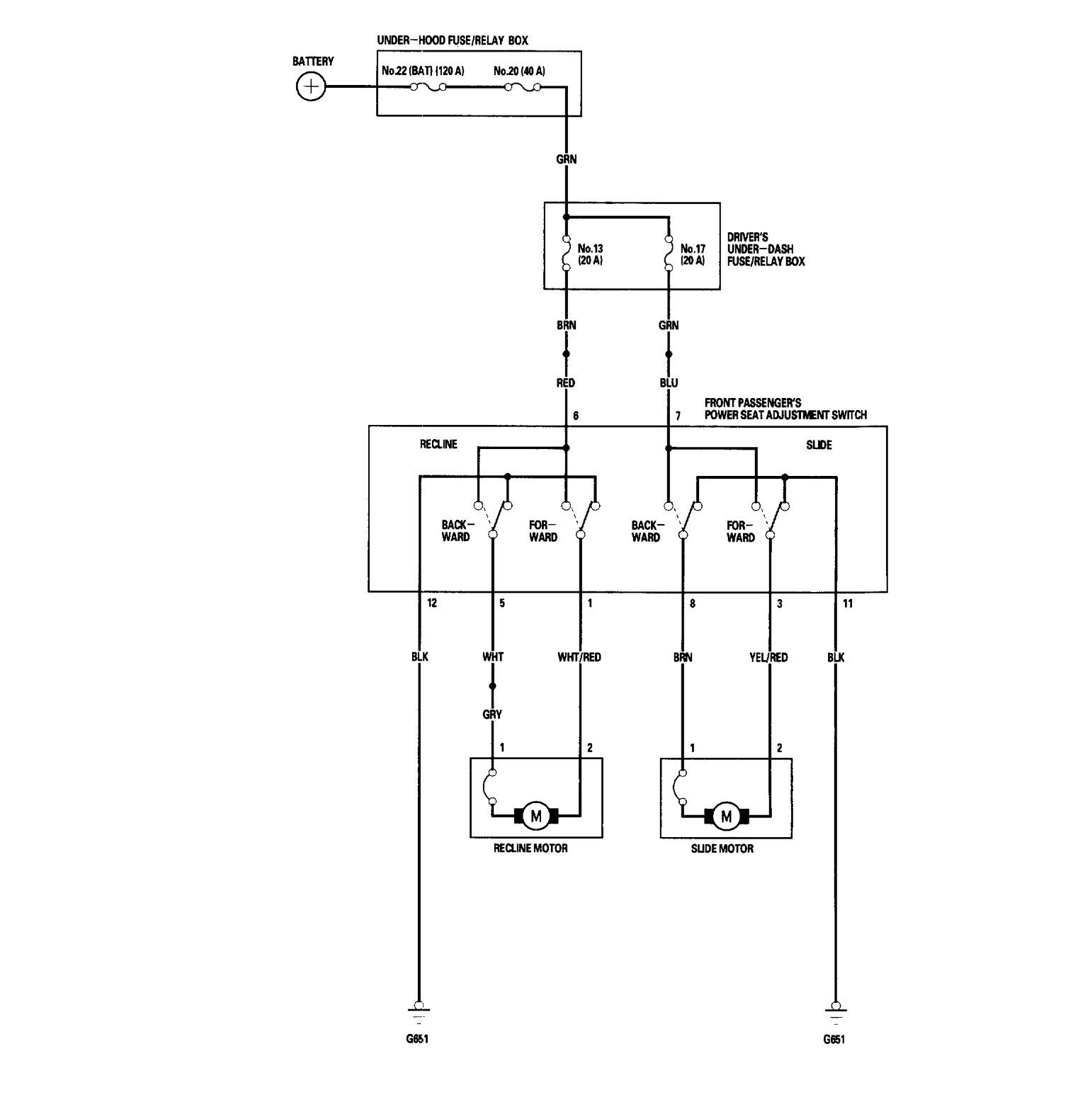
Acura RL (2006) – wiring diagrams – power seats
Year of productions: 2006
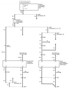
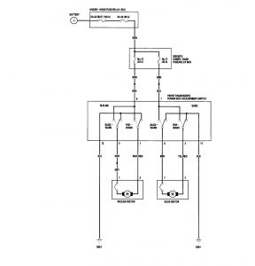
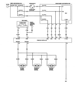
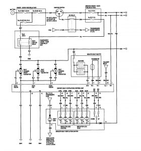
Power seats
Version 1

Version 2











Version 3

Version 4


Version 5


Version 6




WARNING: Terminal and harness assignments for individual connectors will vary depending on vehicle equipment level, model, and market.
