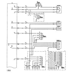
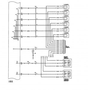
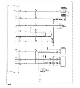
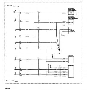
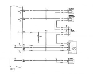
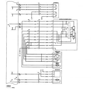
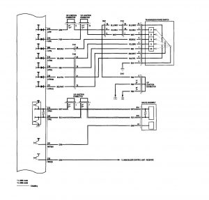
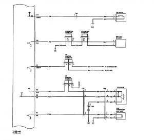
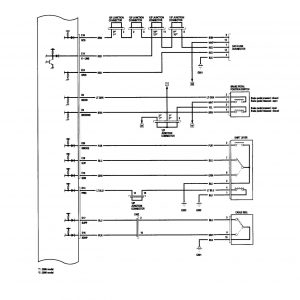
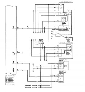
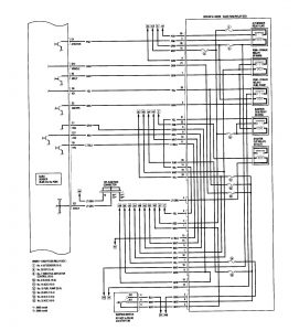
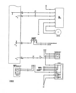
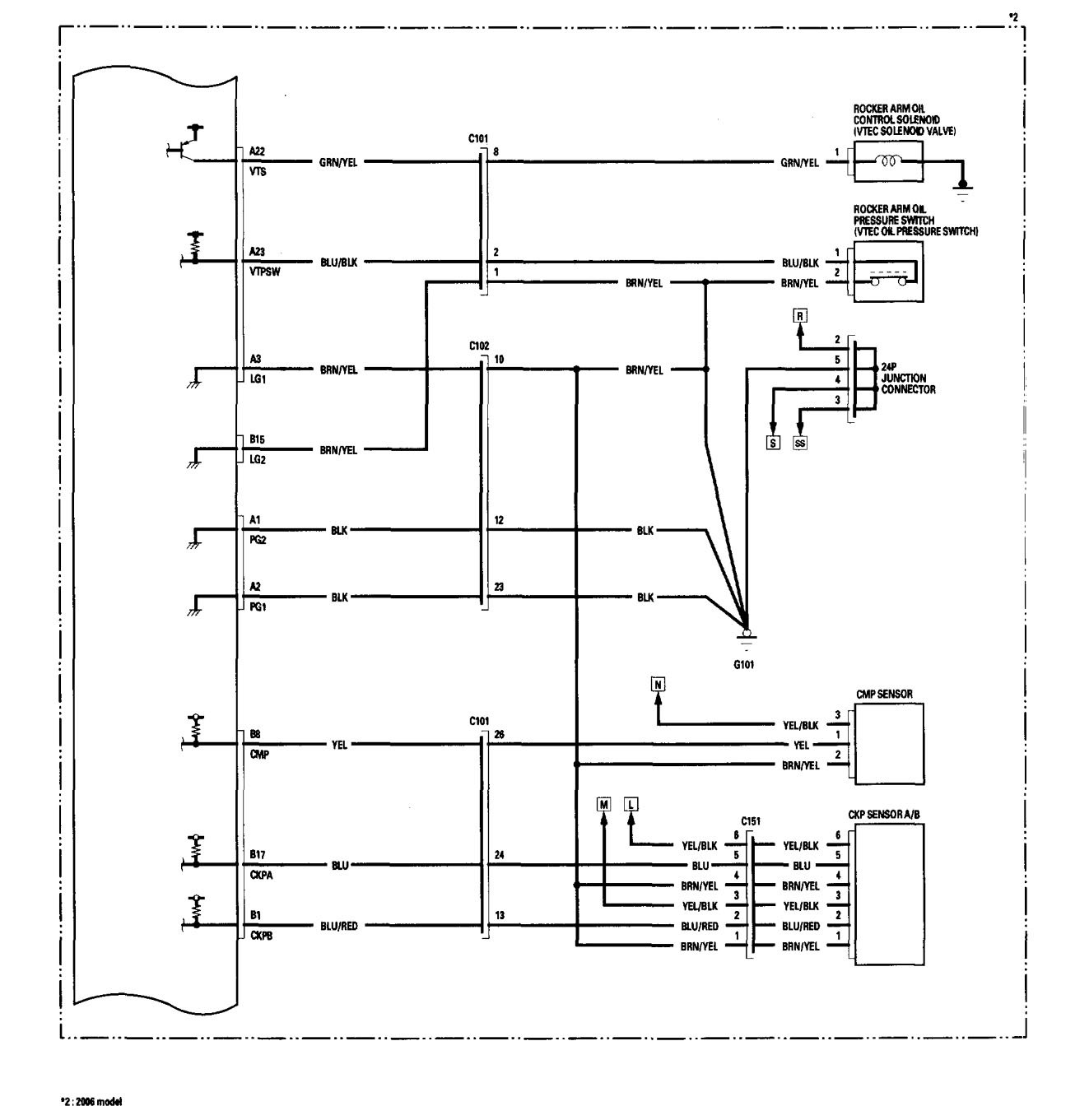
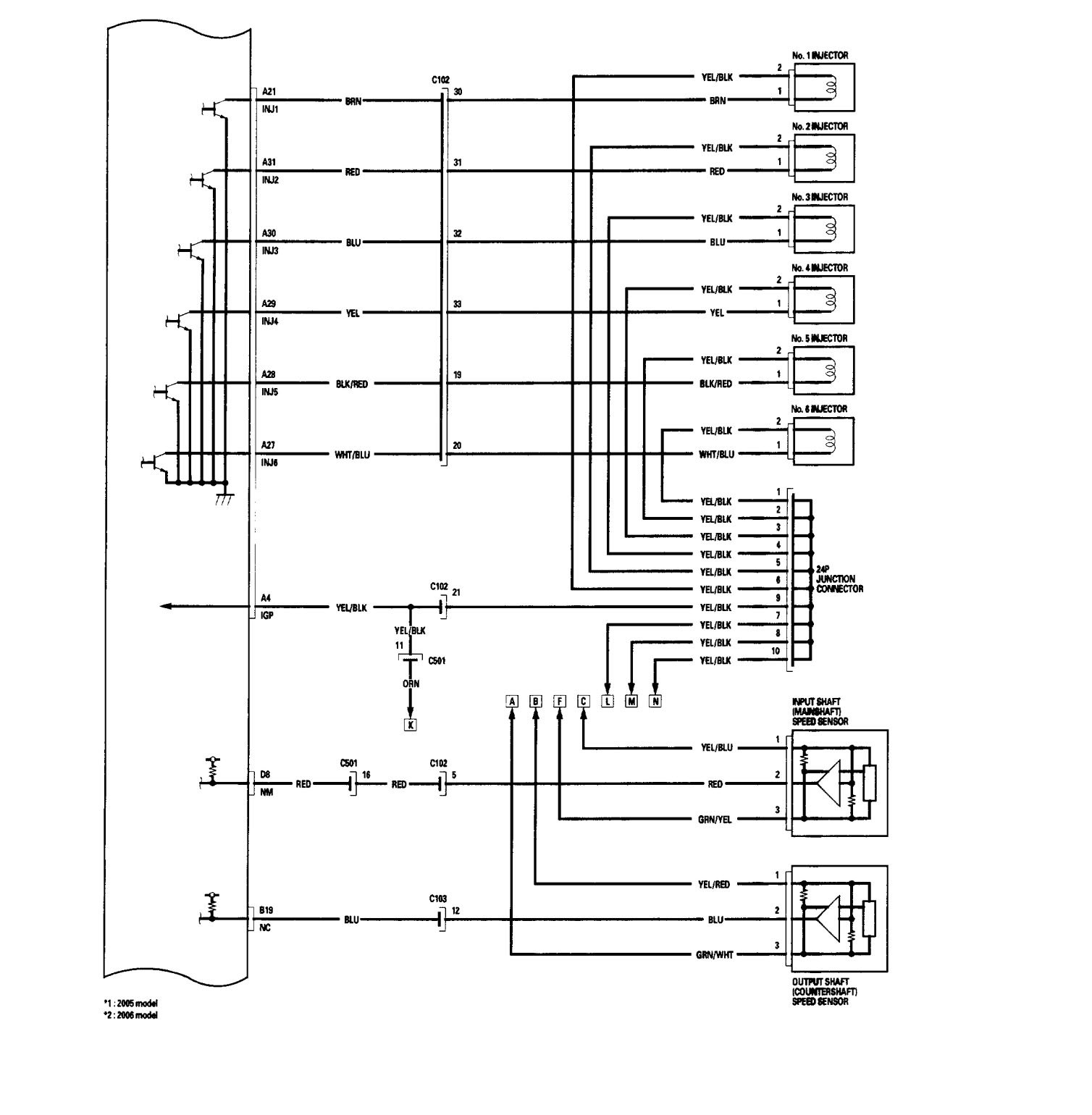
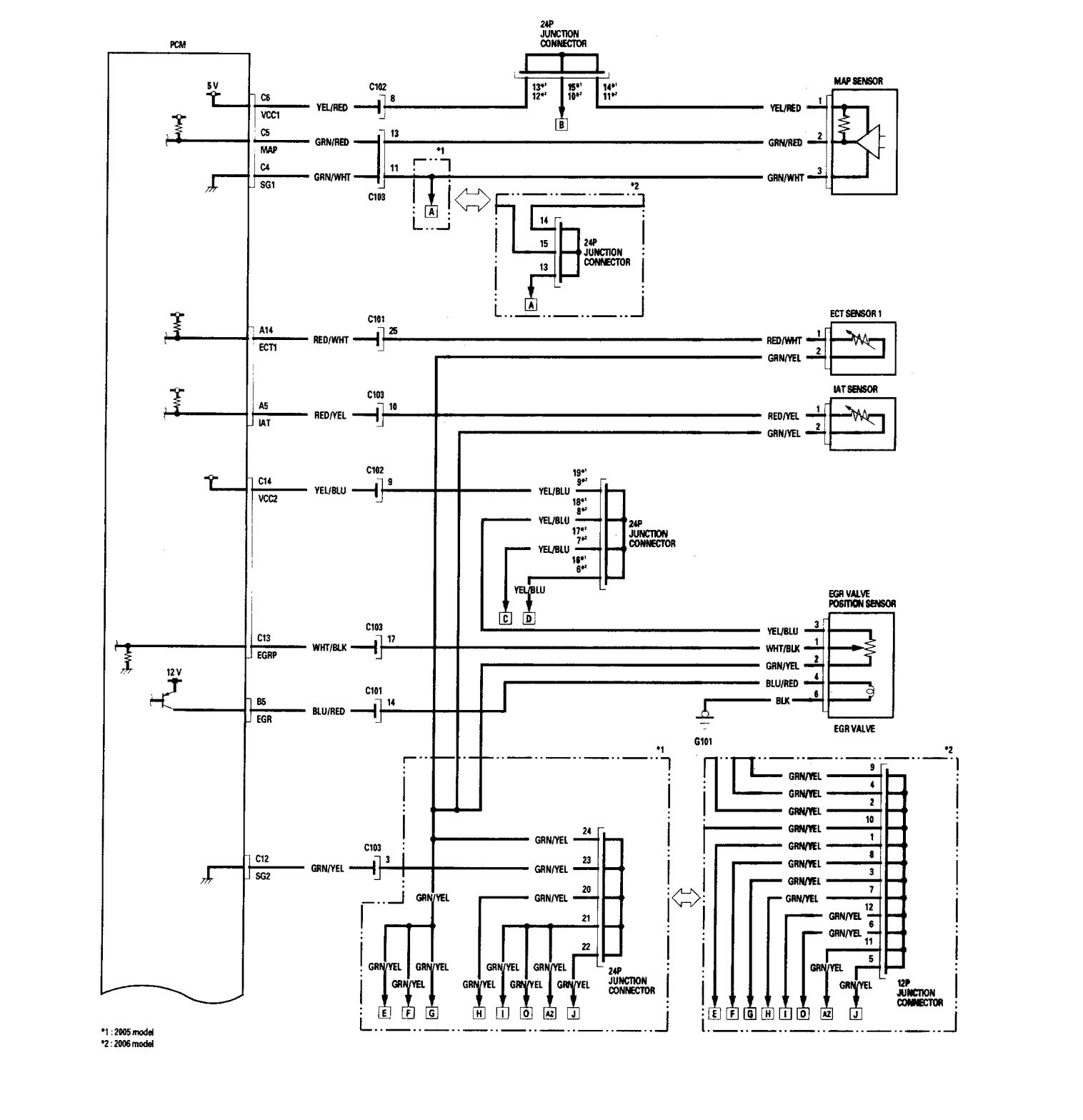
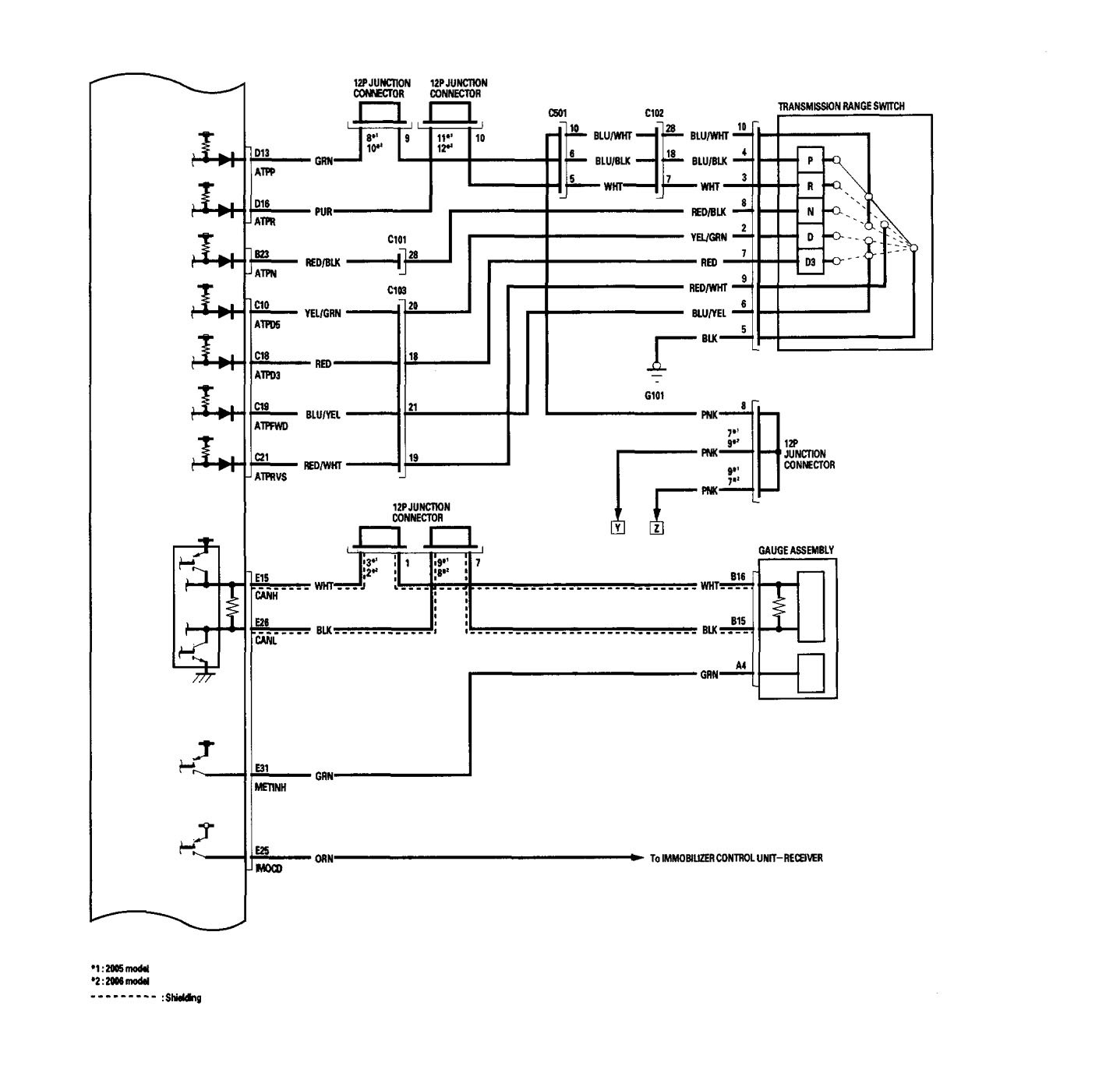
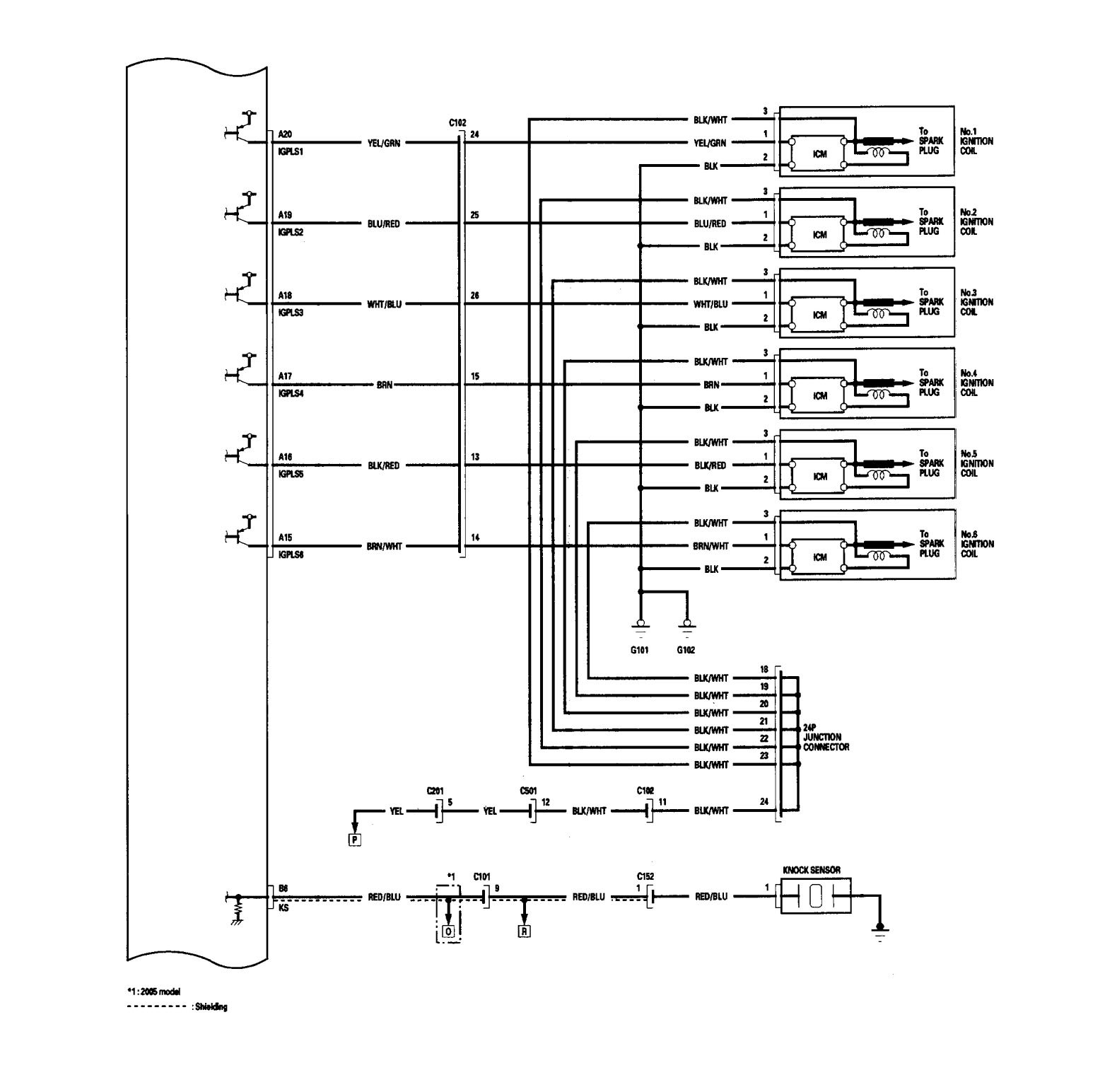
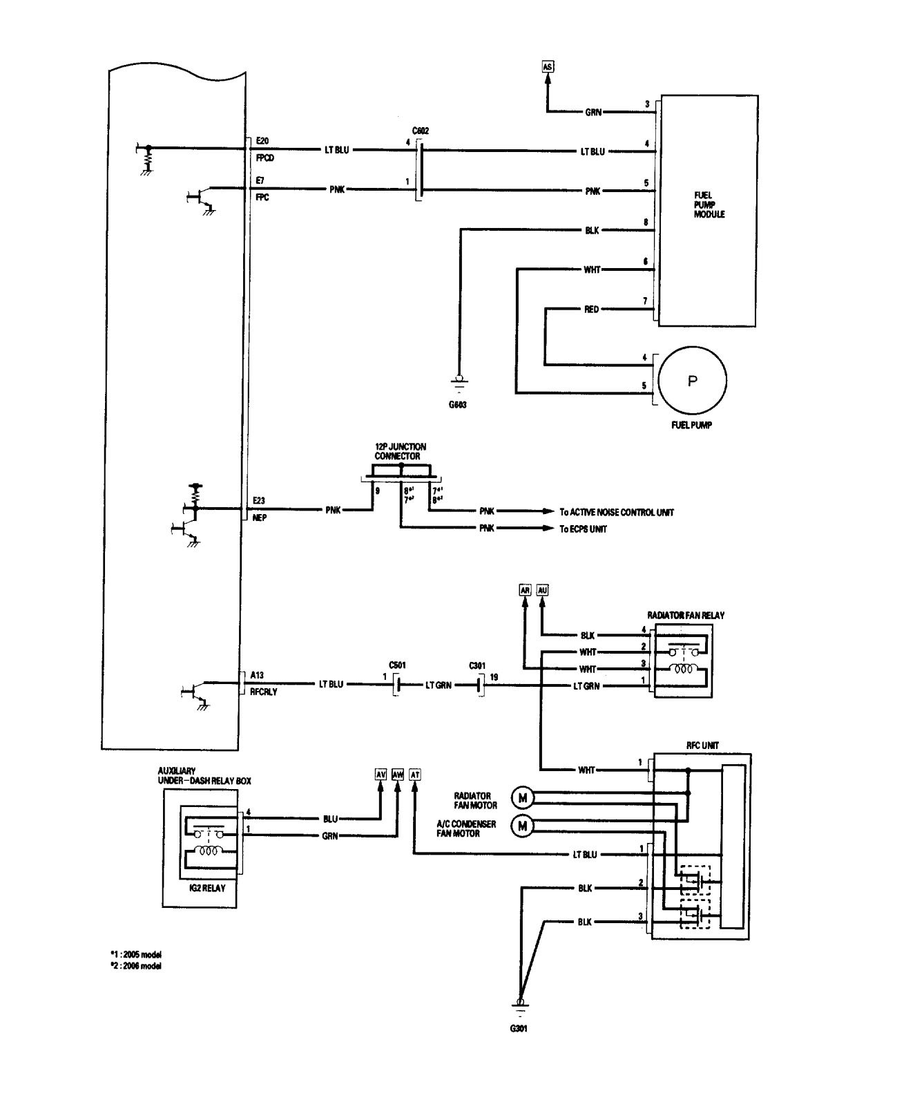
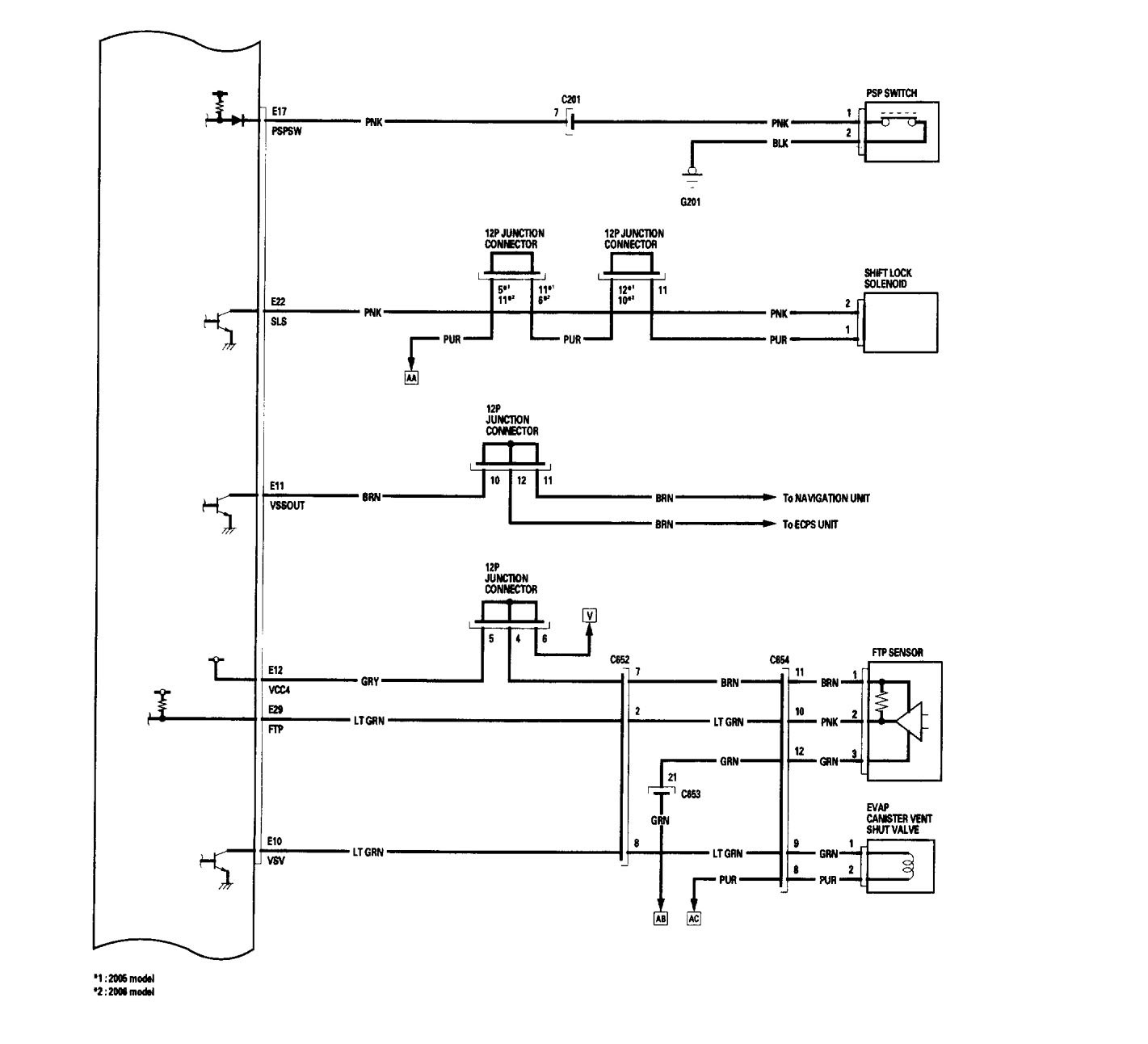
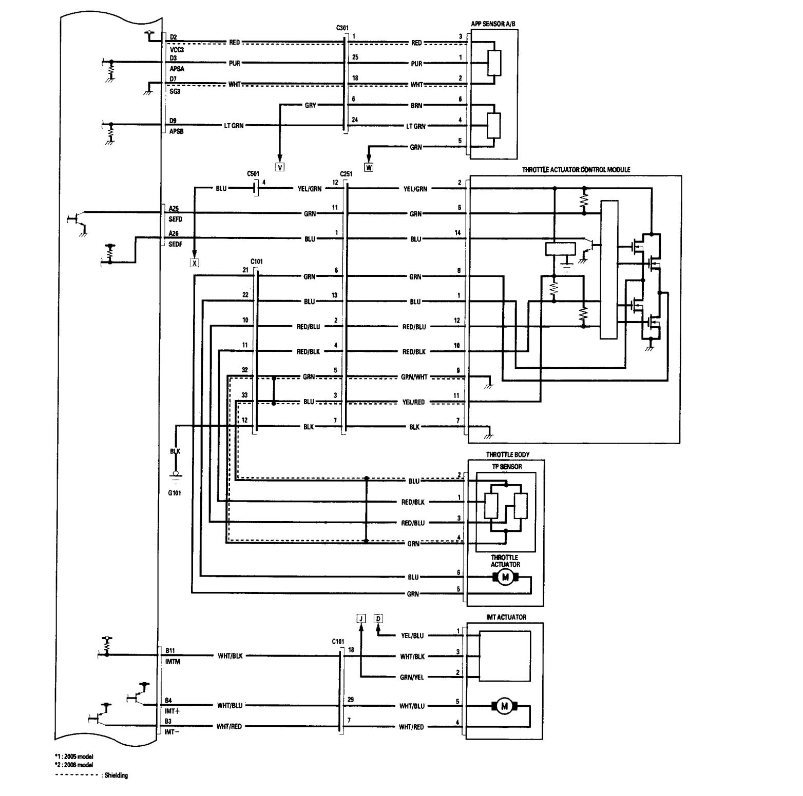
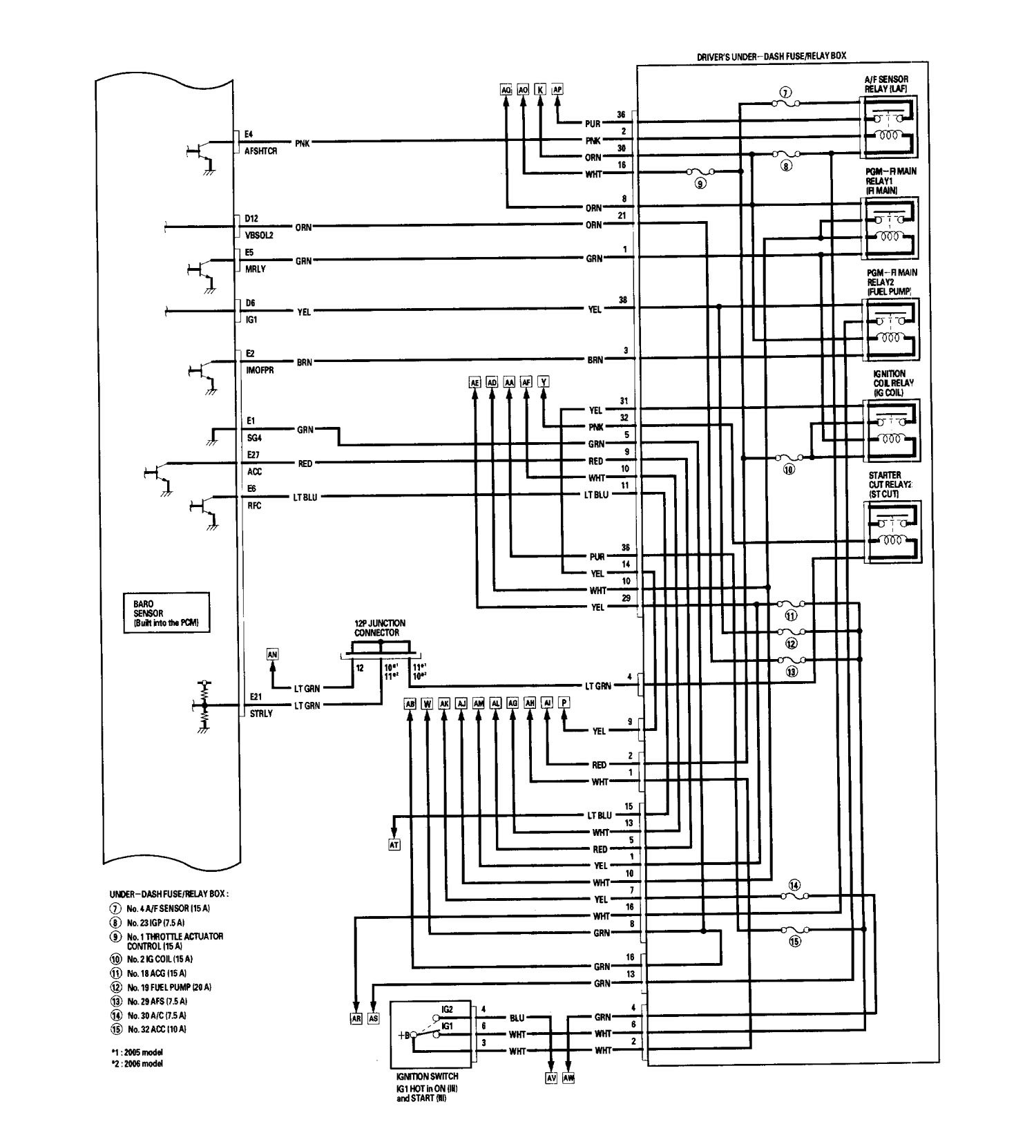
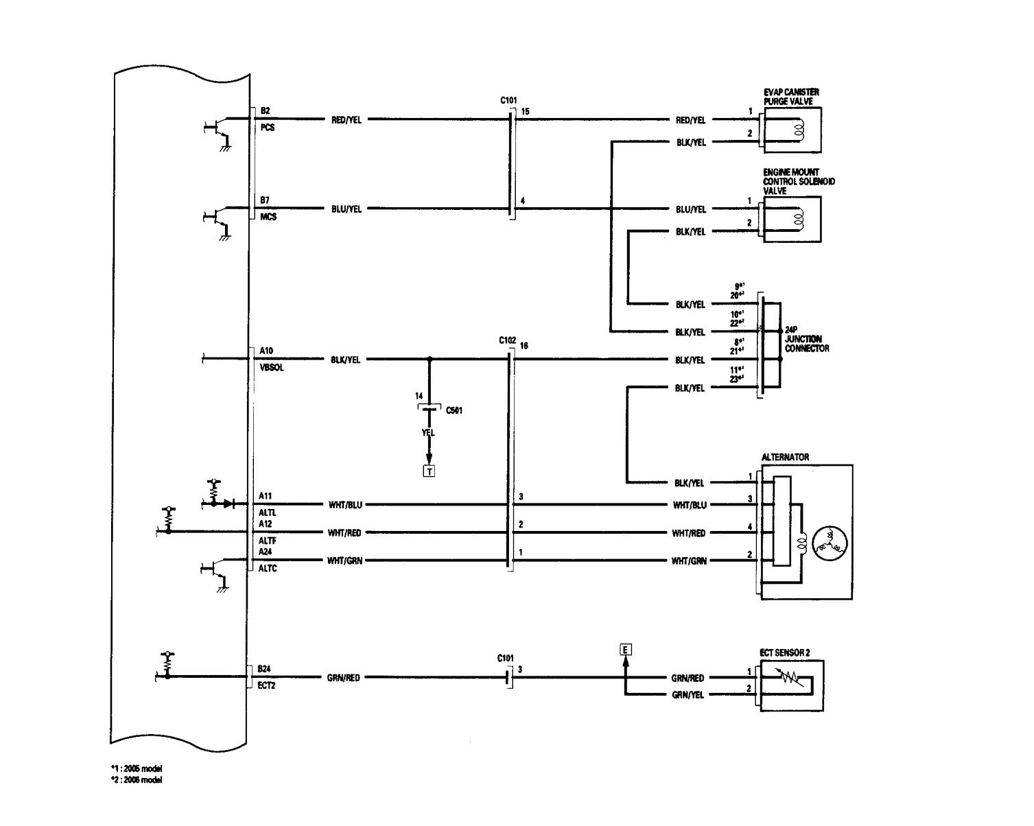
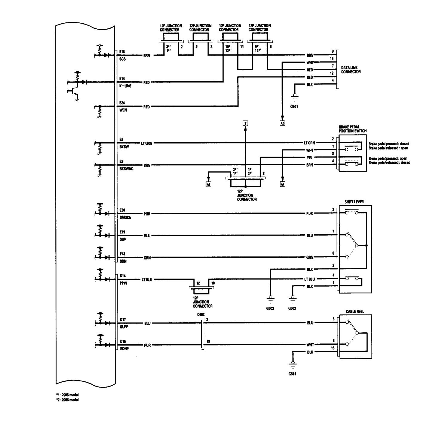
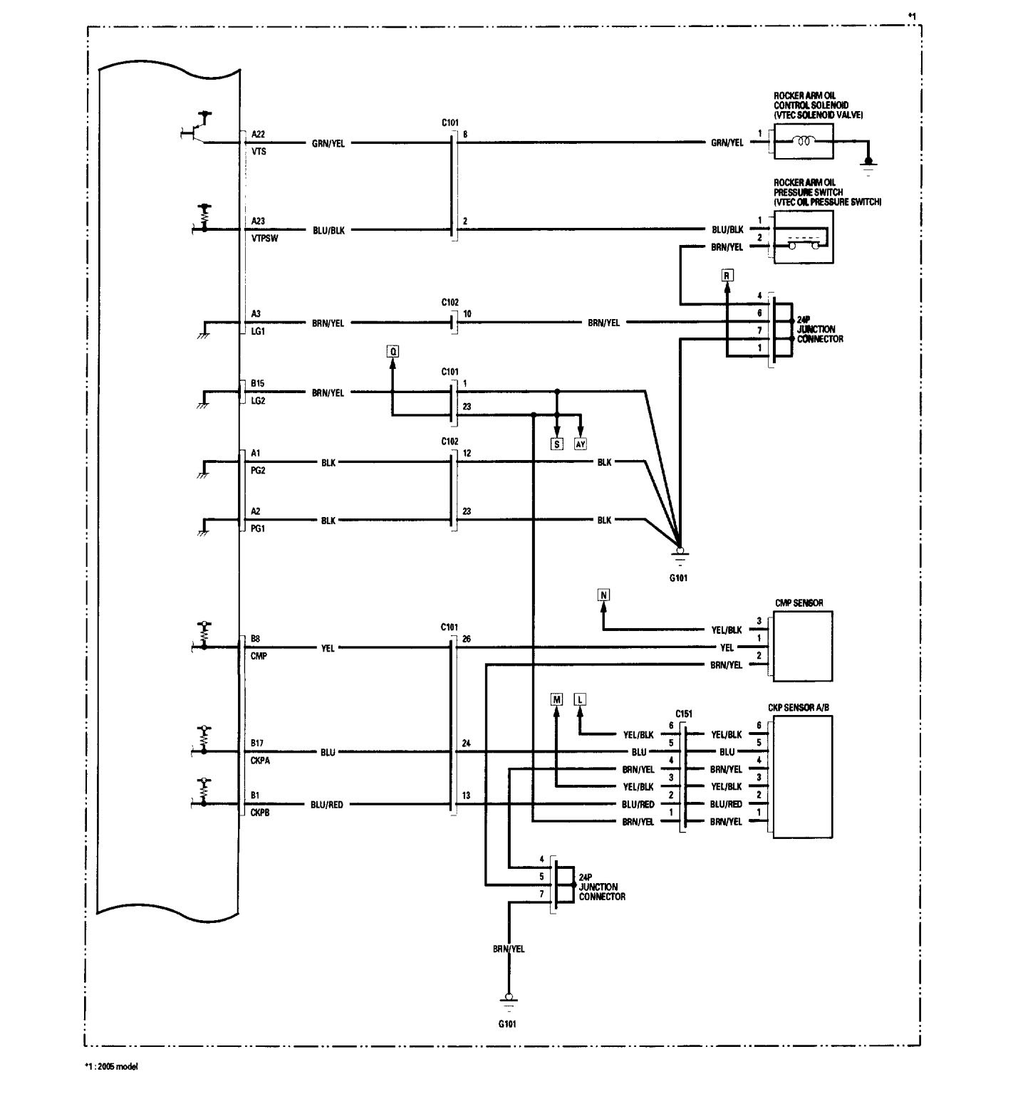
Acura RL (2006) – wiring diagrams – fuel controls
Year of productions: 2006
Fuel controls
Version 1




Version 2













Version 3















WARNING: Terminal and harness assignments for individual connectors will vary depending on vehicle equipment level, model, and market.
