Acura RL (2006) – wiring diagrams – cooling fans
Year of productions: 2006
Cooling fans
Version 1

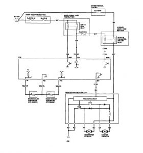
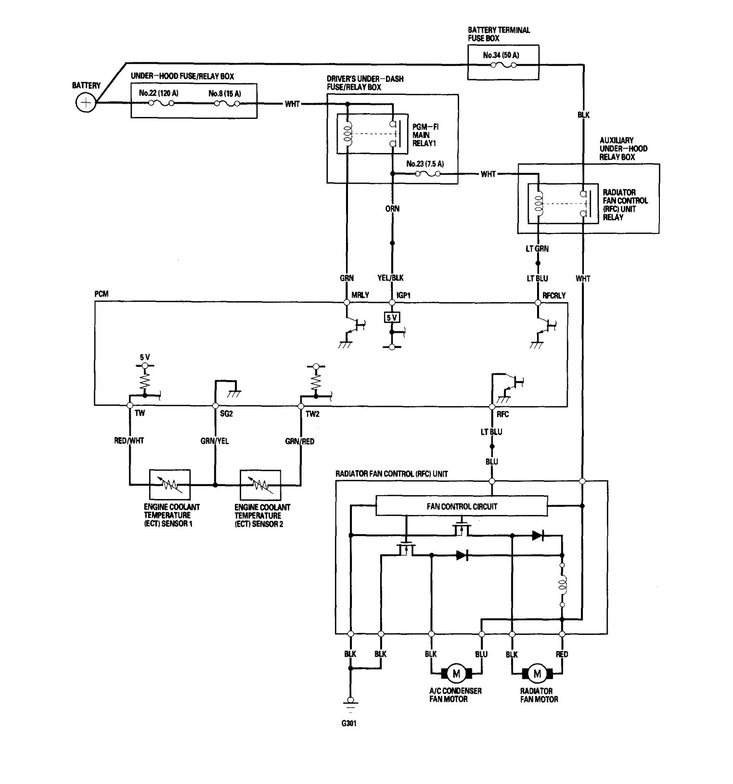
Version 2

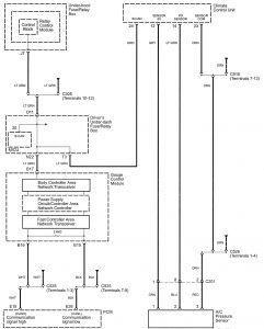
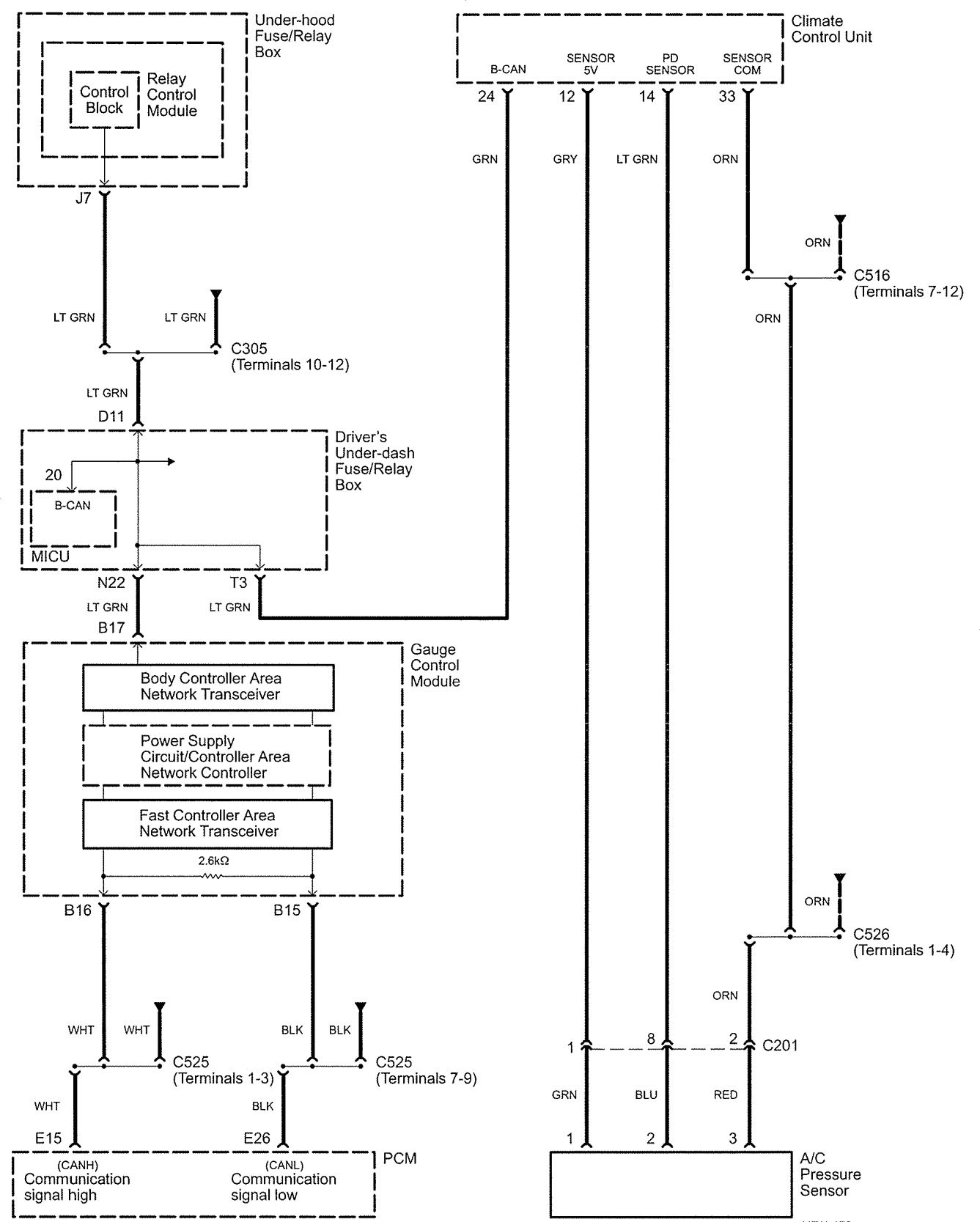
Version 3

WARNING: Terminal and harness assignments for individual connectors will vary depending on vehicle equipment level, model, and market.
