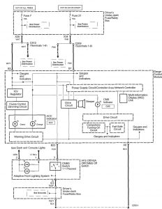
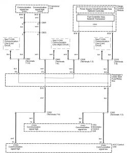
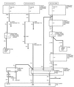
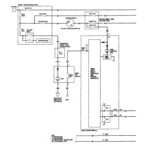
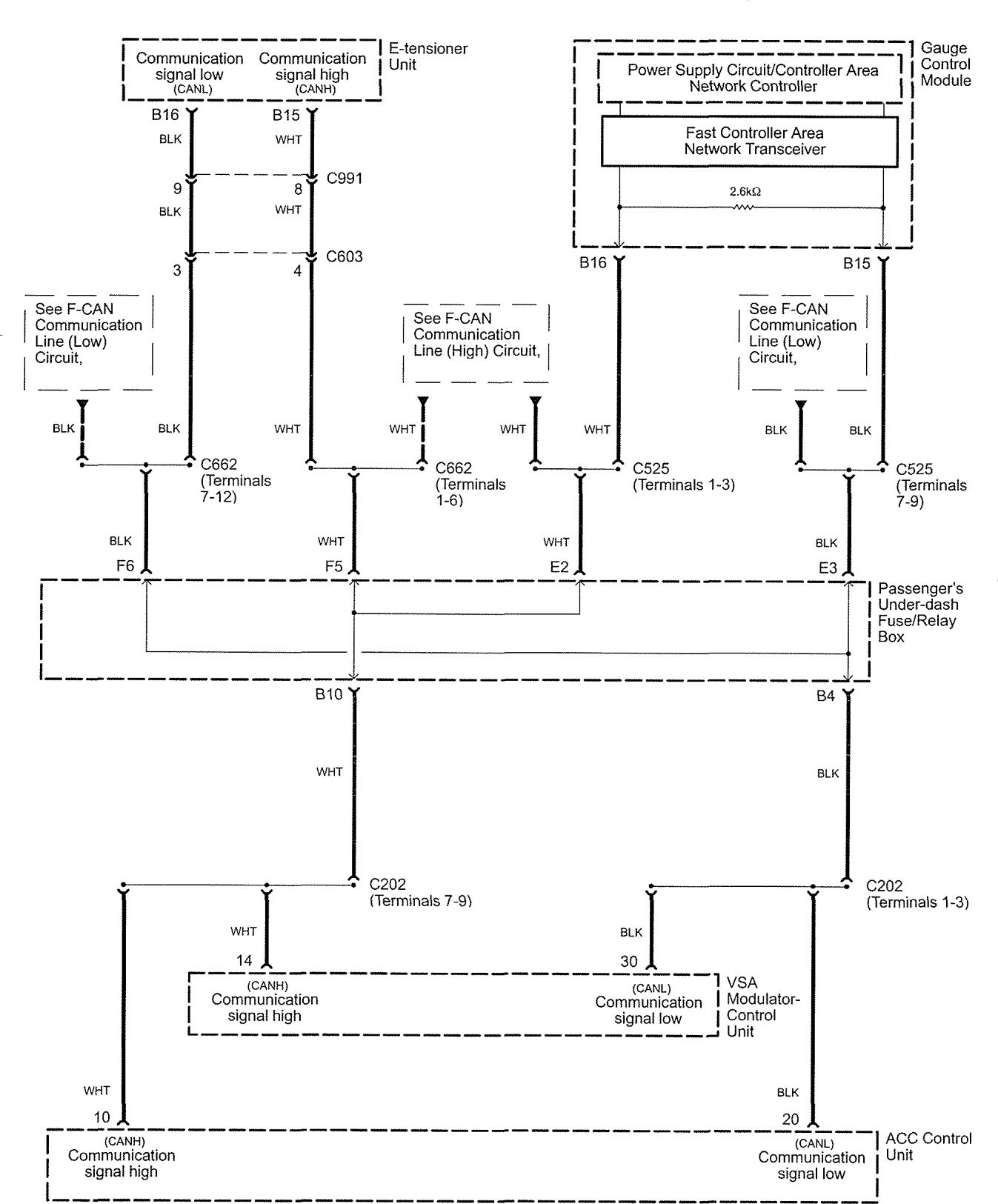
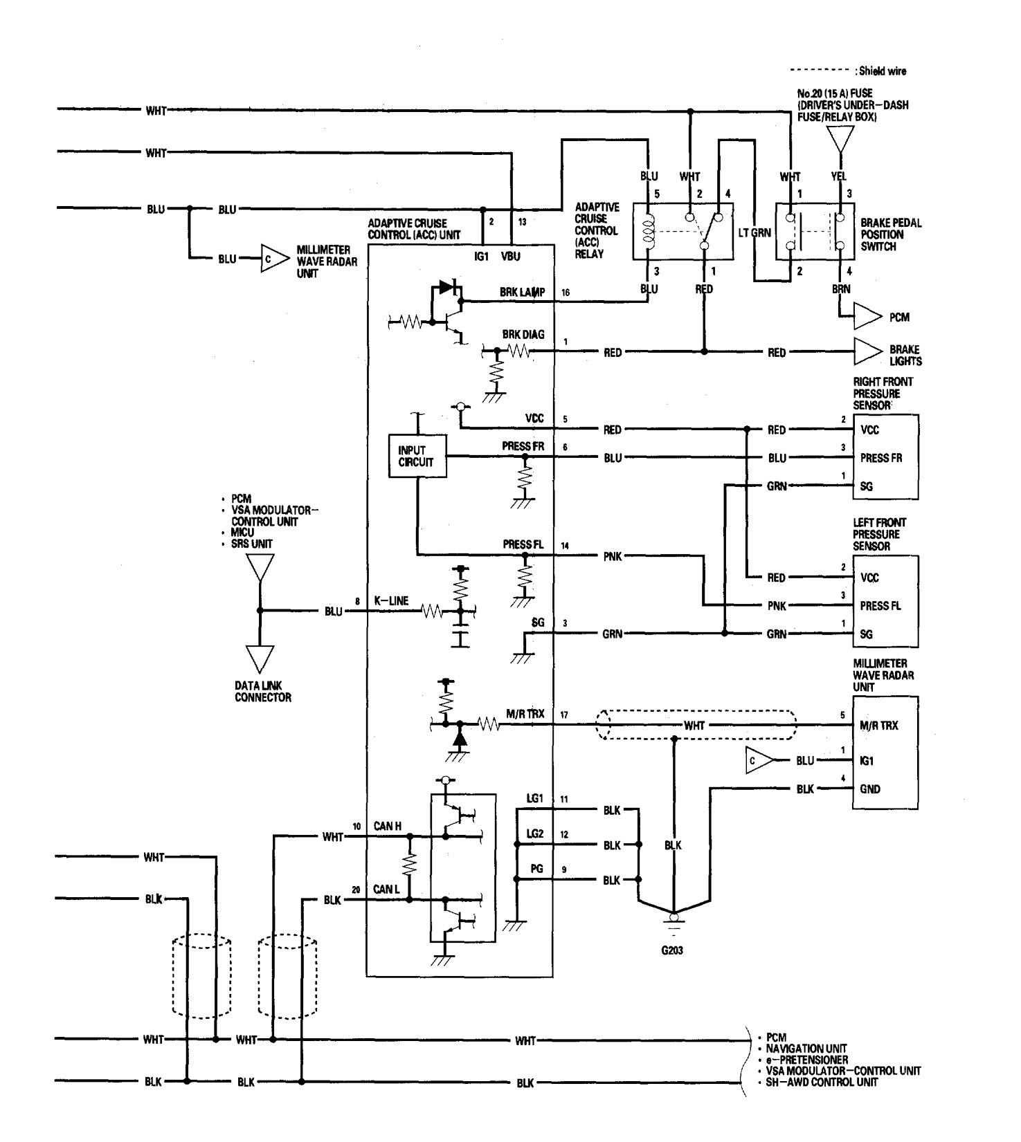
Acura RL (2006) – wiring diagrams – collision mitigation brake system
Year of productions: 2006
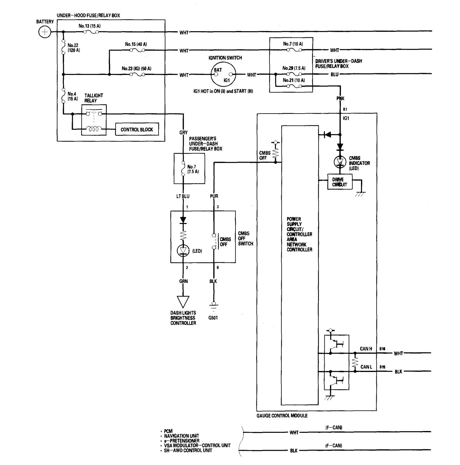
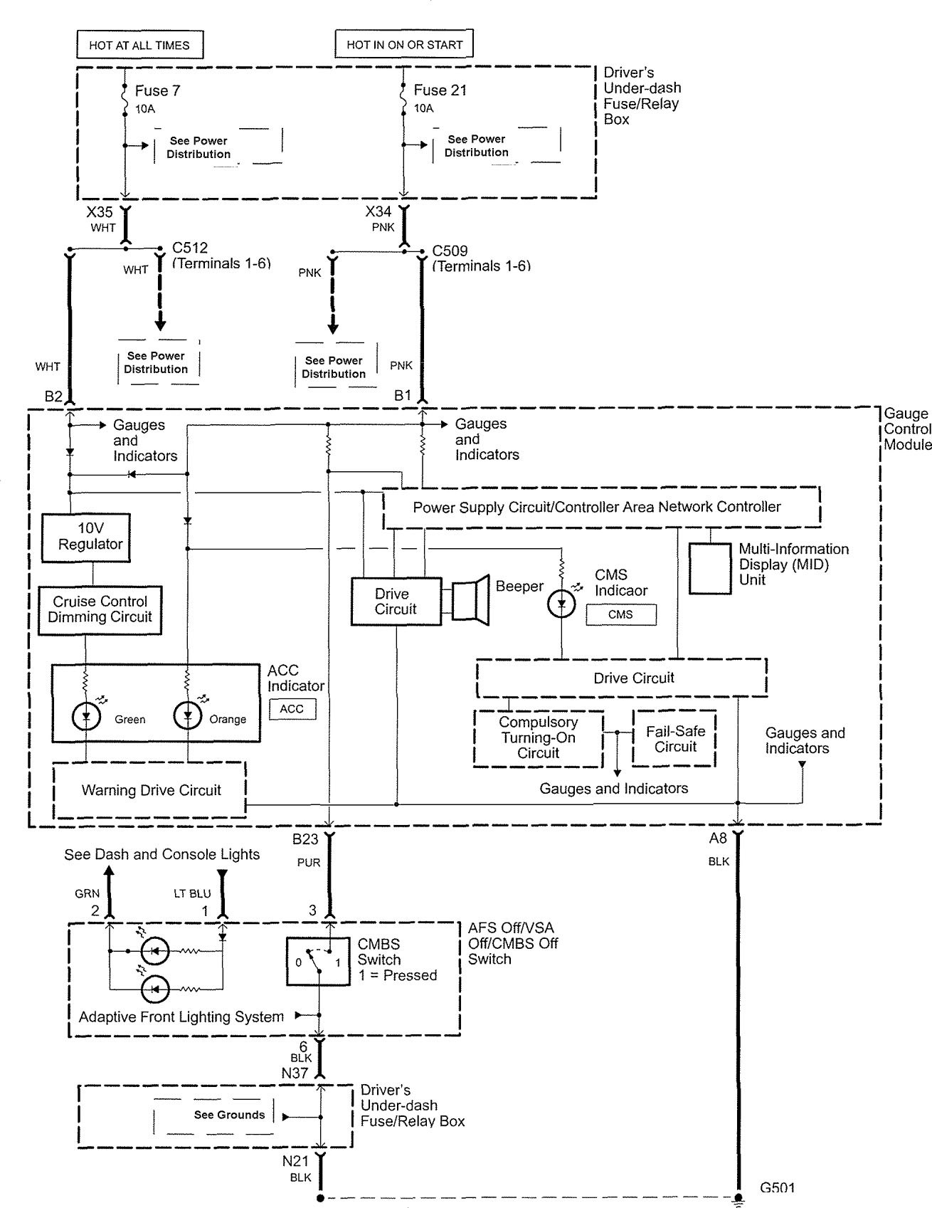
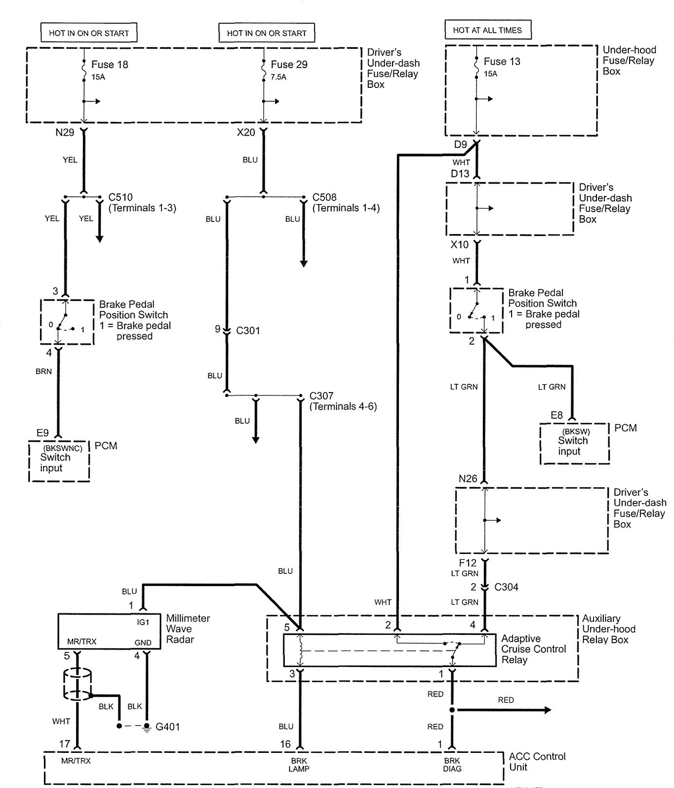
Collision mitigation brake system
Version 1



Version 2


WARNING: Terminal and harness assignments for individual connectors will vary depending on vehicle equipment level, model, and market.
