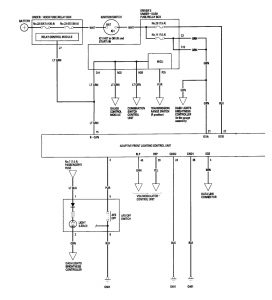
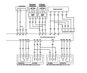
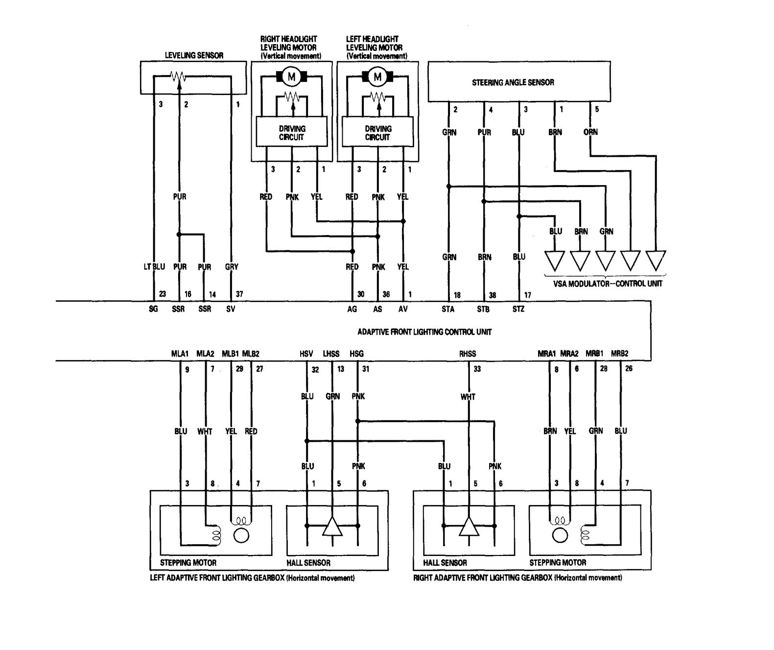
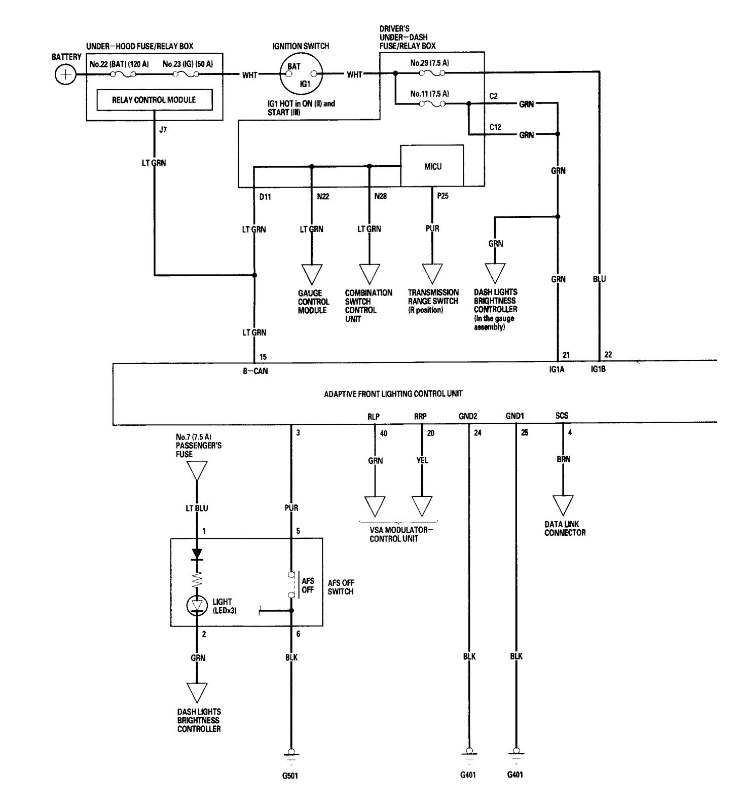
Acura RL (2006) – wiring diagrams – adaptive front lighting system
Year of productions: 2006
Adaptive front lighting system
Version 1






Version 2


WARNING: Terminal and harness assignments for individual connectors will vary depending on vehicle equipment level, model, and market.
