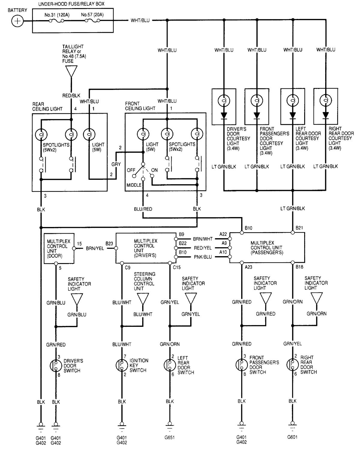
Acura RL (2000 – 2002) – wiring diagrams – illuminated entry
Year of productions: 2000, 2001, 2002
Illuminated entry

WARNING: Terminal and harness assignments for individual connectors will vary depending on vehicle equipment level, model, and market.
