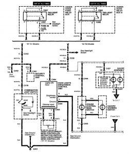
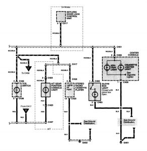
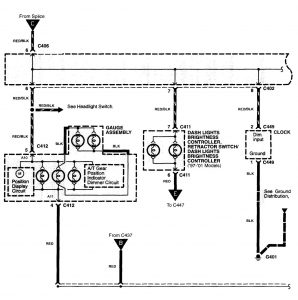
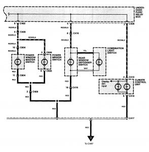
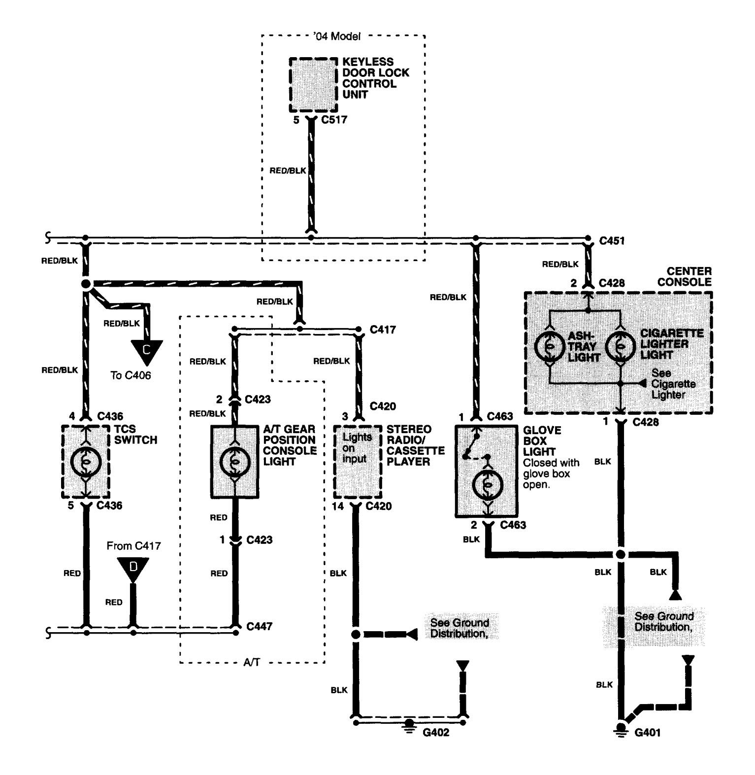
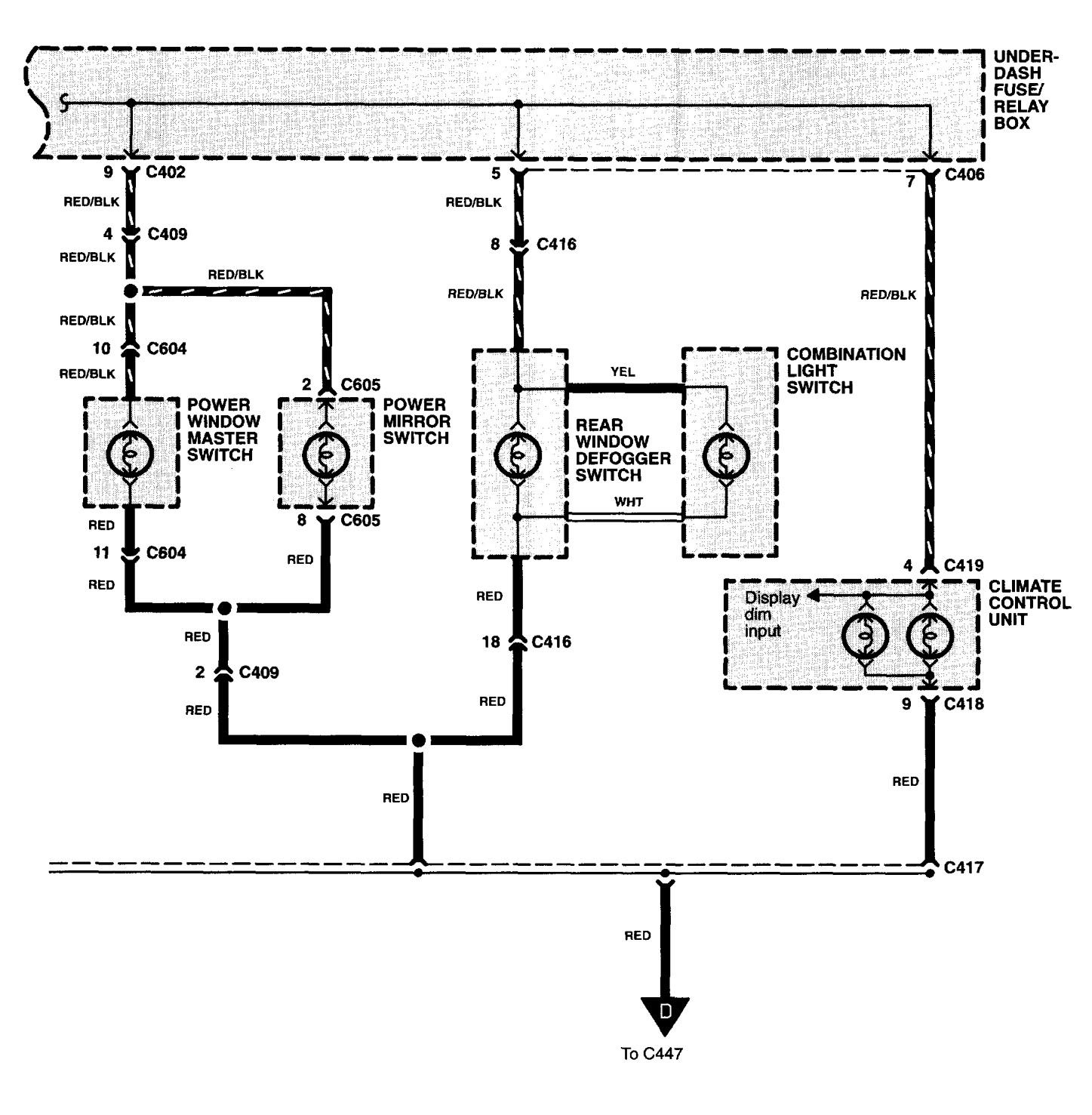
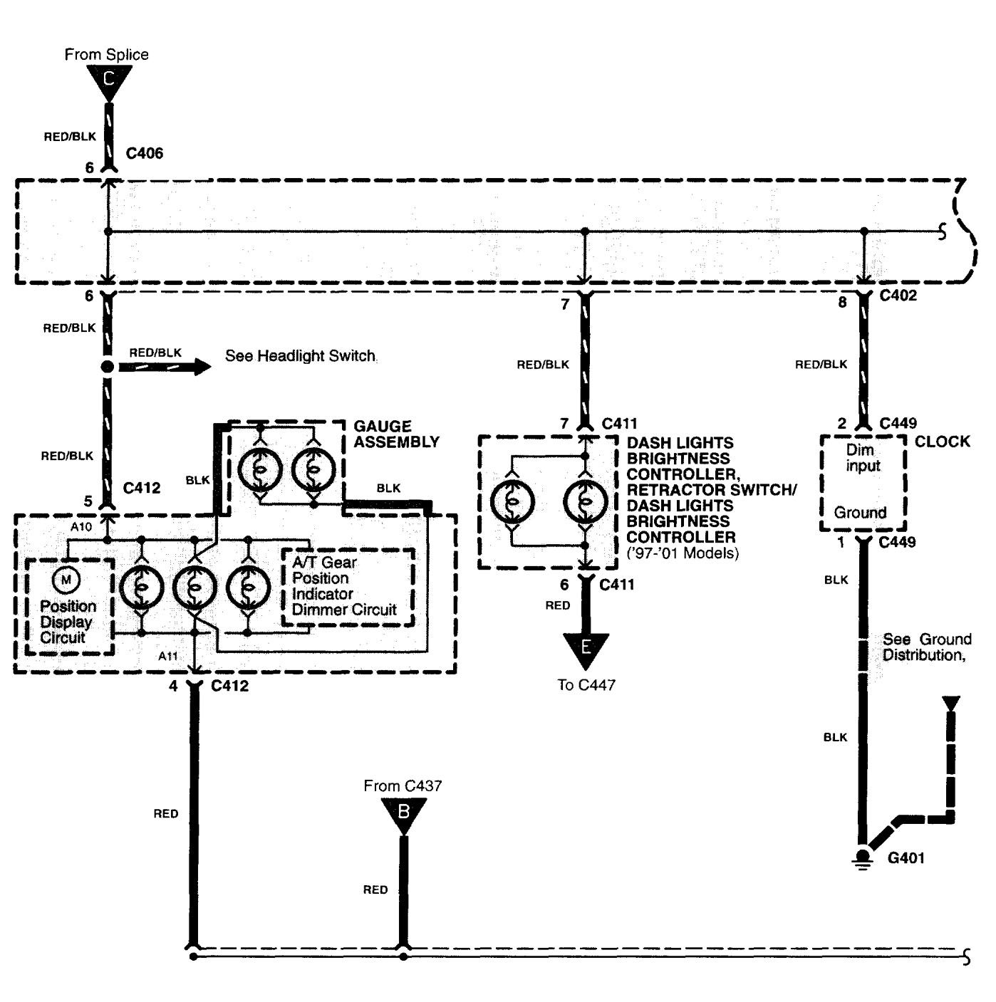
Acura NSX (1997 – 2005) – wiring diagrams – console lamp
Year of productions: 1997, 1998, 1999, 2000, 2001, 2002, 2003, 2004, 2005
Console lamp




WARNING: Terminal and harness assignments for individual connectors will vary depending on vehicle equipment level, model, and market.
