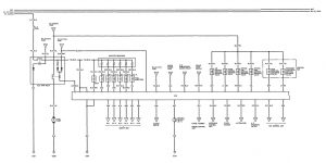
Acura Legend (1992) – wiring diagram – fuel control
Year of productions: 1992
Fuel control
Version 1


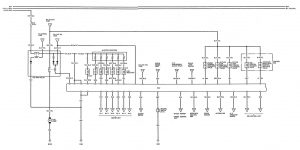
Version 2


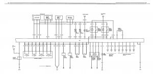
WARNING: Terminal and harness assignments for individual connectors will vary depending on vehicle equipment level, model, and market.
Year of productions: 1992




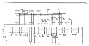
WARNING: Terminal and harness assignments for individual connectors will vary depending on vehicle equipment level, model, and market.
Copyright © 2026 | MH Magazine WordPress Theme by MH Themes