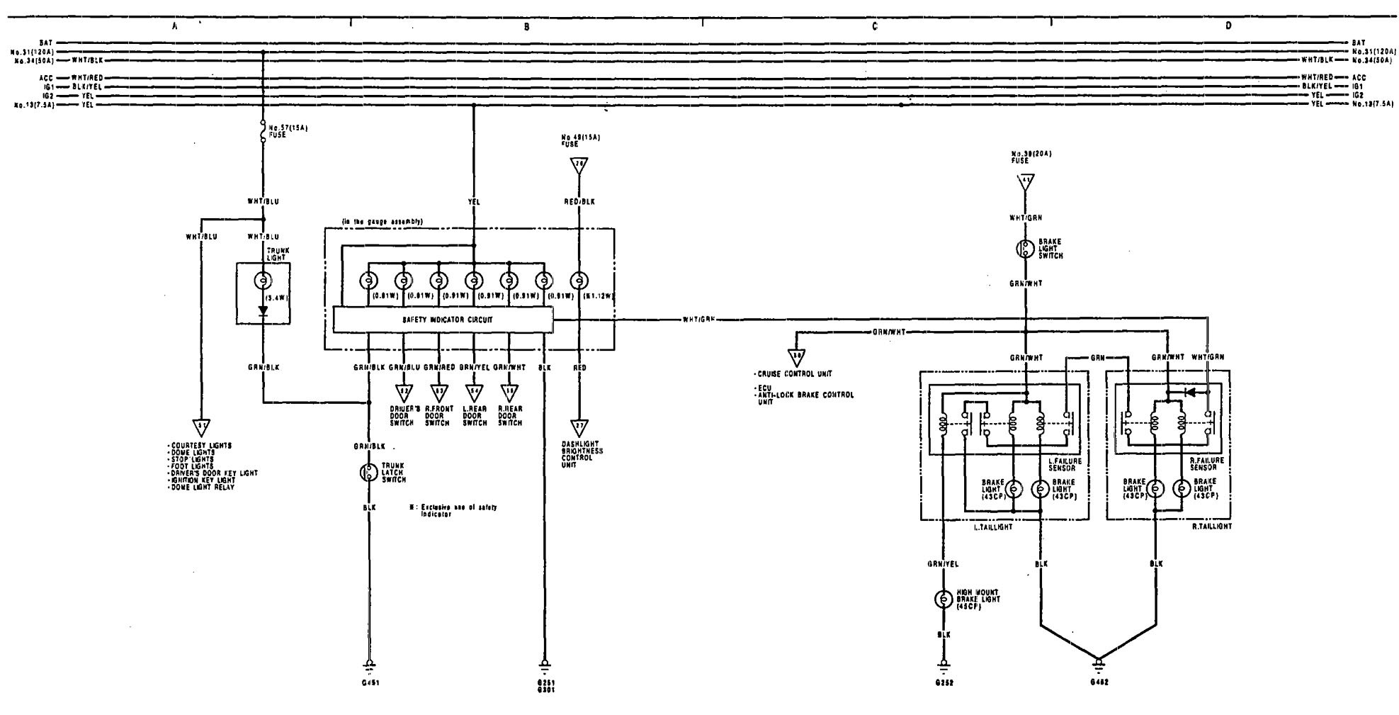
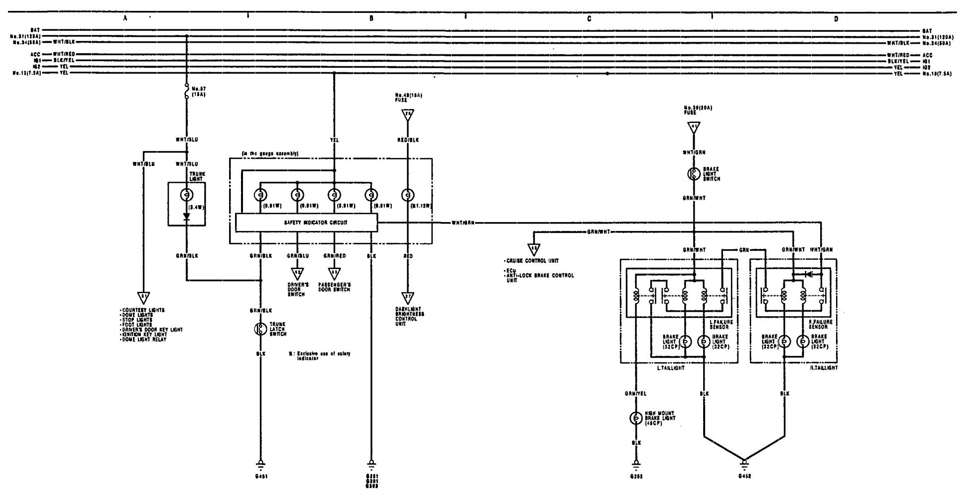
Acura Legend (1991 – 1993) – wiring diagrams – luggage compartment lamps
Year of productions: 1991, 1992, 1993
Luggage compartment lamps
Version 1

Version 2

WARNING: Terminal and harness assignments for individual connectors will vary depending on vehicle equipment level, model, and market.
