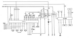
Acura Legend (1989) – wiring system – brake control
Year of productions: 1989
Brake control

WARNING: Terminal and harness assignments for individual connectors will vary depending on vehicle equipment level, model, and market.
Copyright © 2026 | MH Magazine WordPress Theme by MH Themes
Leave a Reply