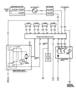
Acura Legend (1986 – 1987) – wiring diagram – audio
Year of productions: 1986, 1987
Audio

WARNING: Terminal and harness assignments for individual connectors will vary depending on vehicle equipment level, model, and market.
Copyright © 2026 | MH Magazine WordPress Theme by MH Themes
Leave a Reply