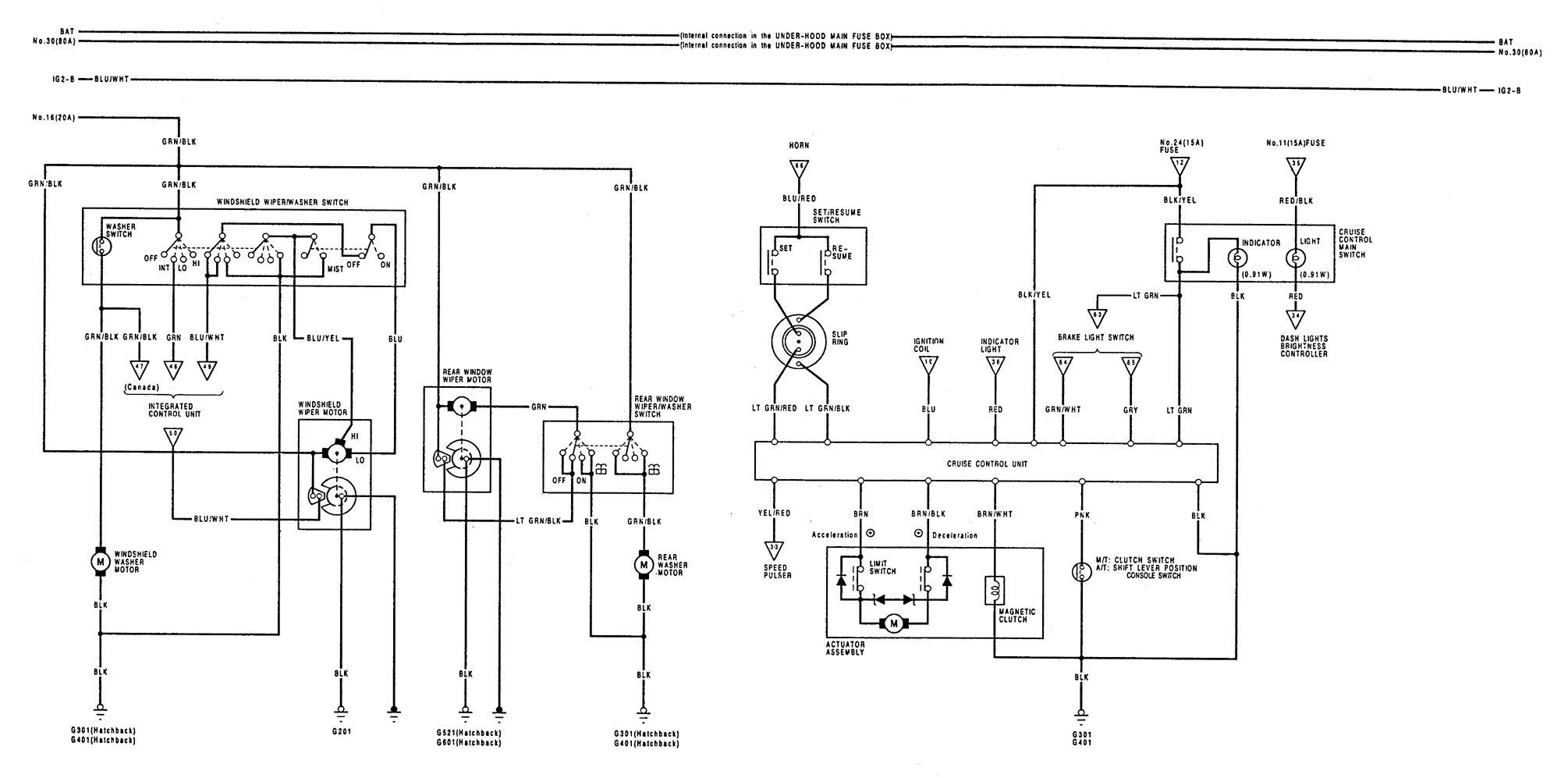
Acura Integra (1992) – wiring diagrams – speed control
Year of productions: 1992
Speed control

WARNING: Terminal and harness assignments for individual connectors will vary depending on vehicle equipment level, model, and market.
Copyright © 2026 | MH Magazine WordPress Theme by MH Themes
Leave a Reply