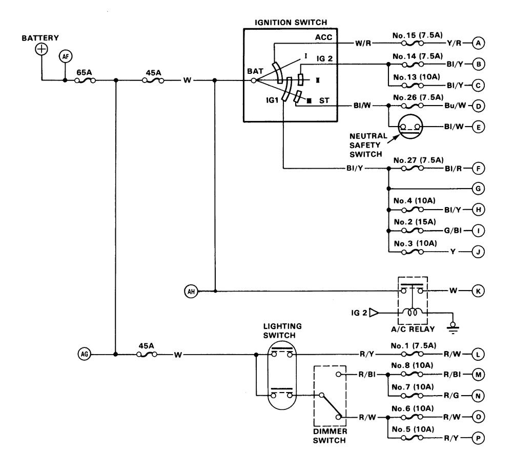
Acura Integra (1986) – wiring diagrams – power distribution
Year of productions: 1986
Power distribution


| Symbol | System | Part |
| A | Sound | AM/FM Stereo cassette player (ACC) |
| B | Rear Window Defogger | Rear window defogger relay. Rear window defogger switch indicator light |
| Heater | Fresh/Rec motor, Heater control amplifier, Indicator light dimming circuit, Blower relay | |
| Air Conditioner | Condenser fan relay. A/C compressor clutch | |
| C | Cooling | Cooling fan motor (without A/C) |
| Air Conditioner | Compressor clutch relay, Compressor clutch, Cooling fan relay, ECU (AC ) | |
| D | PGM-FI | Main relay (STS). ECU (STS) |
| Brake Warning | Bulb check relay | |
| E | Starting | Starter solenoid |
| F | Cruise Control | Control unit, Main switch indicator light |
| G | Ignition | Ignition coil, Igniter |
| H | Charging | Charge warning light, Voltage regulator |
| Retractable Headlight | Control Unit | |
| PGM·FI | Emission control box EICV, Purge cut-off soleenoid valve, Ignitation control solenoid valve, Main relay (IG 1) | |
| Gauge Assembly | Emission speed sensor amplifier | |
| Fuel | Fuel pump motor | |
| I | Power Windows | Power window relay |
| Wipers/Washers | Windshield wiper motor, Windshield washer motor, Rear windshield wiper motor, Rear window washer motor | |
| J | Gauge Assembly | Temperature gauge, Fuel gauge, Tachometer |
| Brake Warning | Warning light | |
| PGM·FI | PGM-FI Warning light | |
| Clock | (IG1) | |
| Lights | Back-up lights, Turn signal/Hazard relay, Turn signal light, Turn signal indicator lights | |
| Tailgate Warning | Warning light | |
| Dashlight Brightness Control | Shift lever position indicator | |
| Oil Pressure Warning | Warning light | |
| Seat Belt Reminder | Seat belt reminder light | |
| Integrated Control Unit | Oil pressure, Seat belt/Key-on warning beeper/timer circuit, light on warning circuit | |
| K | Air Conditioner | Cooling fan motor, Condenser fan motor |
| L | Retractable Headlights | Control unit |
| M | Lighting | Right headlight (HI beam) |
| Lighting | HI beam indicator light | |
| N | Lighting | Left headlight (HI beam) |
| O | Lighting | Right headlight (LO beam) |
| P | Lighting | Left headlight (LO beam) |
| Retractable Headlights | Control unit | |
| Q | PGM-FI | PGM-FI ECU |
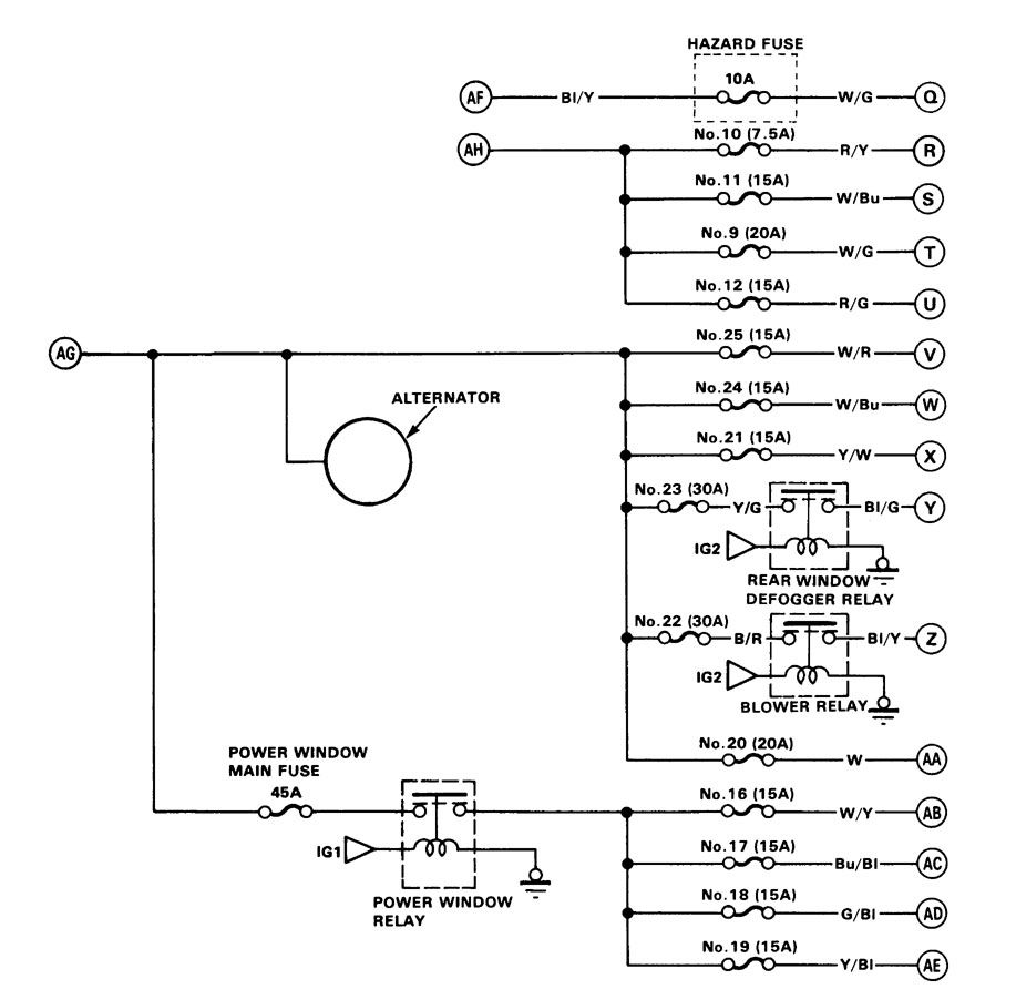
| Integrated Control Unit | Oil pressure warning circuit | |
| Lights | Turn signal/Hazard relay, | |
| R | Retractable Headlights | Control unit, Right retractor relay, Left retractor relay, |
| S | Cigarette Lighter | Cigarette Lighter |
| Clcok | (Battery+) | |
| Sound | AM/FM stereo cassette player (Battery+) | |
| Lights | Hatch light, Dome light, | |
| Integrated control Unit | Oil pressure, | |
| T | Horns | Horn (HI). Horn (LO). |
| Cruise Control | Control unit | |
| Lights | Right brake light, Left brake light, High mount brake light | |
| U | Lighting | Rear side marker lights, taillights, |
| Dashlight Brightness Control | Cruise control main switch light, Shift lever gostion indicator, Air conditioner switch light, Heater control switc light, Rear window defogger switch light, shift lever position light, Dashboard panel light, Heater panel light, Gauge light, | |
| Heater | Indicator light dimming signal | |
| Retractable Headlights | Control unit | |
| Sound | AM/FM stereo cassette player (Battery +) | |
| Integrated control unit | Side marker light circuit | |
| Lighting | Glove box light, Cigarette lighter light, Ashtray light, License plate lights, Right side marker light, Left side marker light | |
| V | Retractable Headlights | Control unit, Right retractor motor |
| W | Retractable Headlights | Control unit, Left retractor motor |
| X | PGM-FI | Main replay (IGP), ECU (IGP). Resistor, Injectors |
| Y | Rear Window Defogger | Rear window defogger |
| Z | Heater | Blower motor |
| AA | Power Door Locks | Control unit, Door lock actuator |
| AB | Power Windows | Driver’s door motor, Control unit |
| AC | Power Windows | Right front door motor, |
| AD | Power Windows | Right rear door motor |
| AE | Power Windows | Left rear door motor |
WARNING: Terminal and harness assignments for individual connectors will vary depending on vehicle equipment level, model, and market.

Leave a Reply