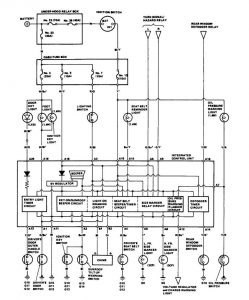
Acura Integra (1986) – wiring diagrams – fuel control
Year of productions: 1986
Fuel control

WARNING: Terminal and harness assignments for individual connectors will vary depending on vehicle equipment level, model, and market.
Copyright © 2026 | MH Magazine WordPress Theme by MH Themes
Leave a Reply