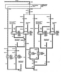
Acura CL (1997 – 1999) – wiring diagrams – parking lamp
Year of productions: 1997, 1998, 1999
Parking lamp


WARNING: Terminal and harness assignments for individual connectors will vary depending on vehicle equipment level, model, and market.
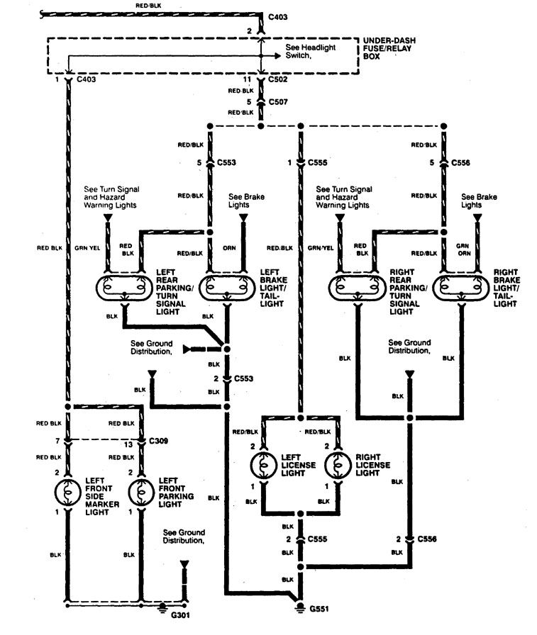
Year of productions: 1997, 1998, 1999


WARNING: Terminal and harness assignments for individual connectors will vary depending on vehicle equipment level, model, and market.
Copyright © 2026 | MH Magazine WordPress Theme by MH Themes