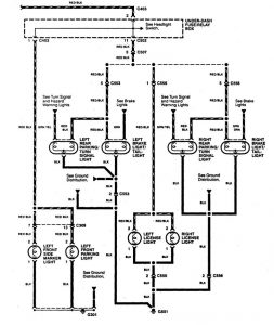
Acura CL (1997 – 1999) – wiring diagrams – license plate lamp
Year of productions: 1997, 1998, 1999
License plate lamp


WARNING: Terminal and harness assignments for individual connectors will vary depending on vehicle equipment level, model, and market.
