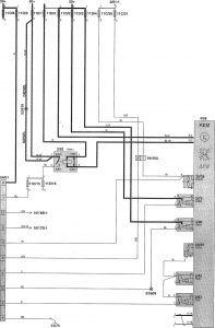
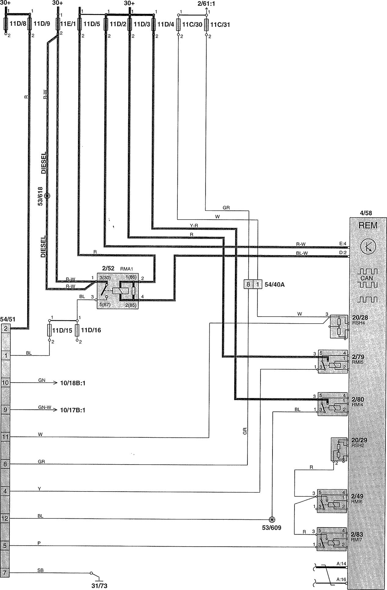
Volvo V70 (2002) – wiring diagrams – trailer/camper adapter
Year of productions: 2002
Trailer/camper adapter





WARNING: Terminal and harness assignments for individual connectors will vary depending on vehicle equipment level, model, and market.
Year of productions: 2002





WARNING: Terminal and harness assignments for individual connectors will vary depending on vehicle equipment level, model, and market.
Copyright © 2026 | MH Magazine WordPress Theme by MH Themes