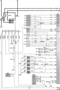
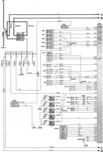
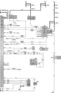
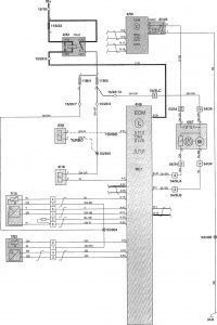
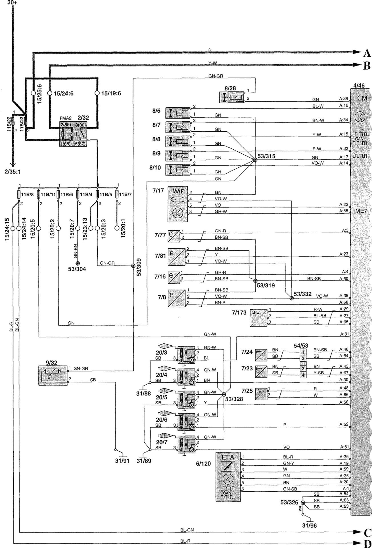
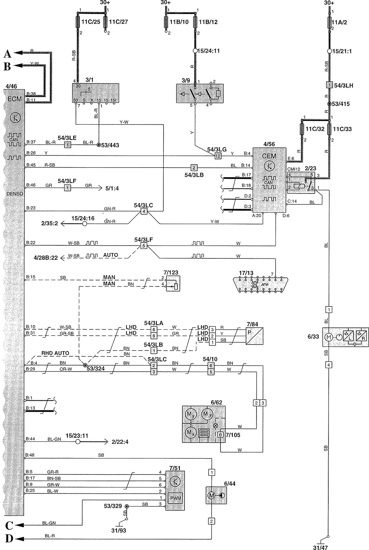
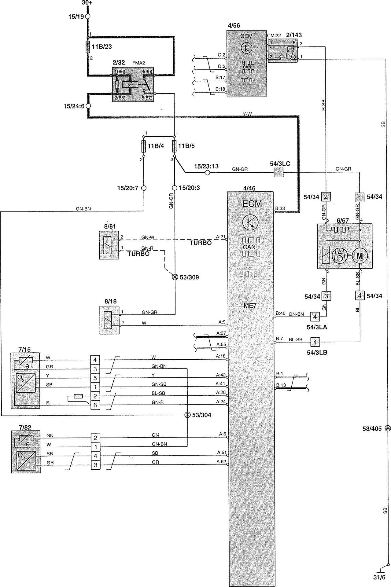
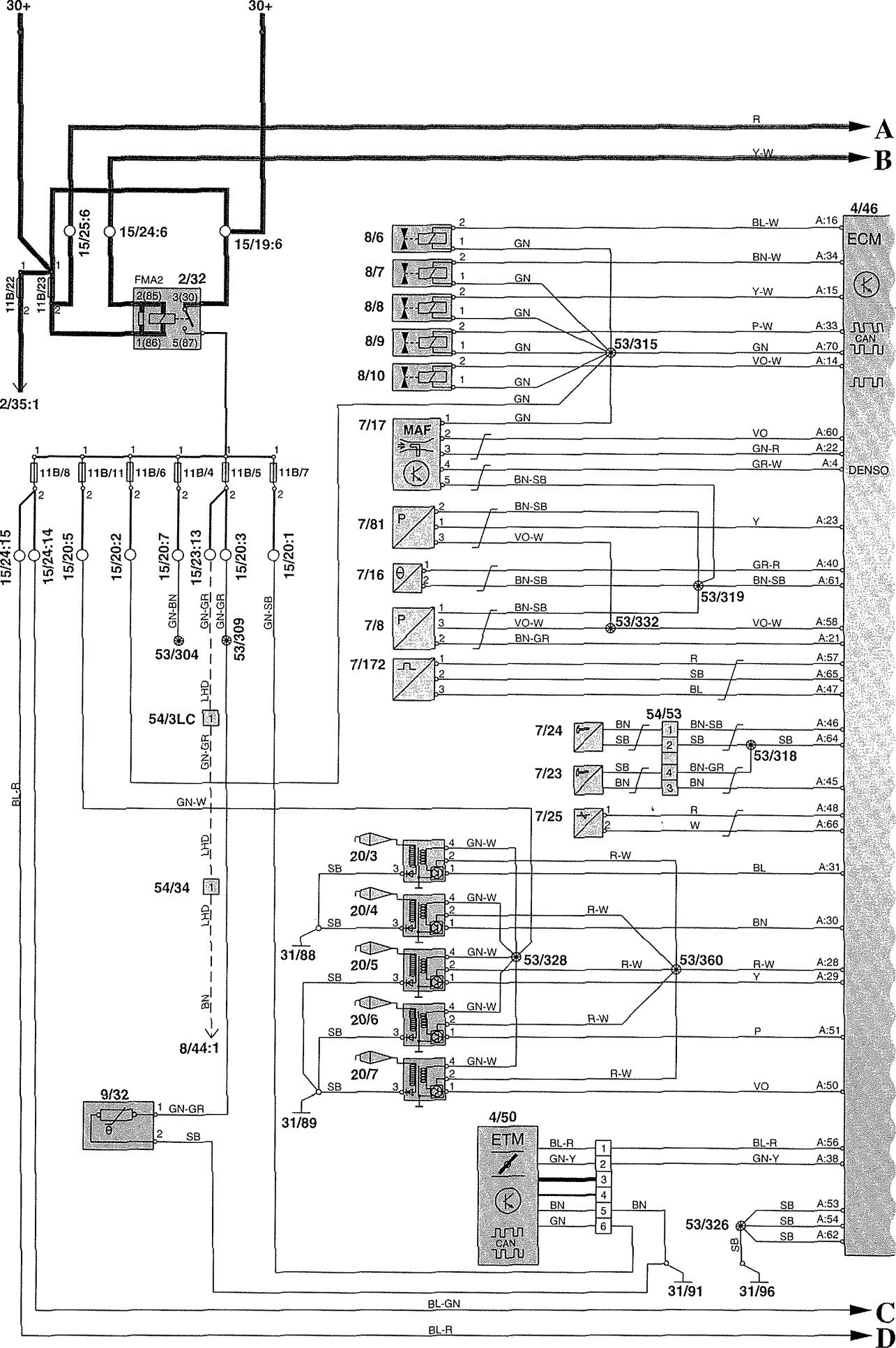
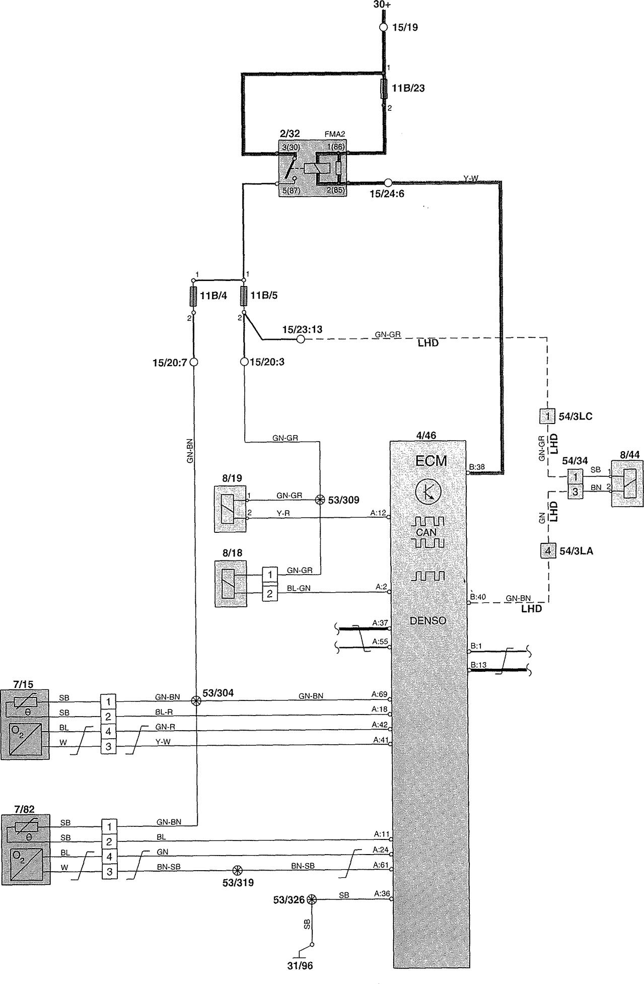
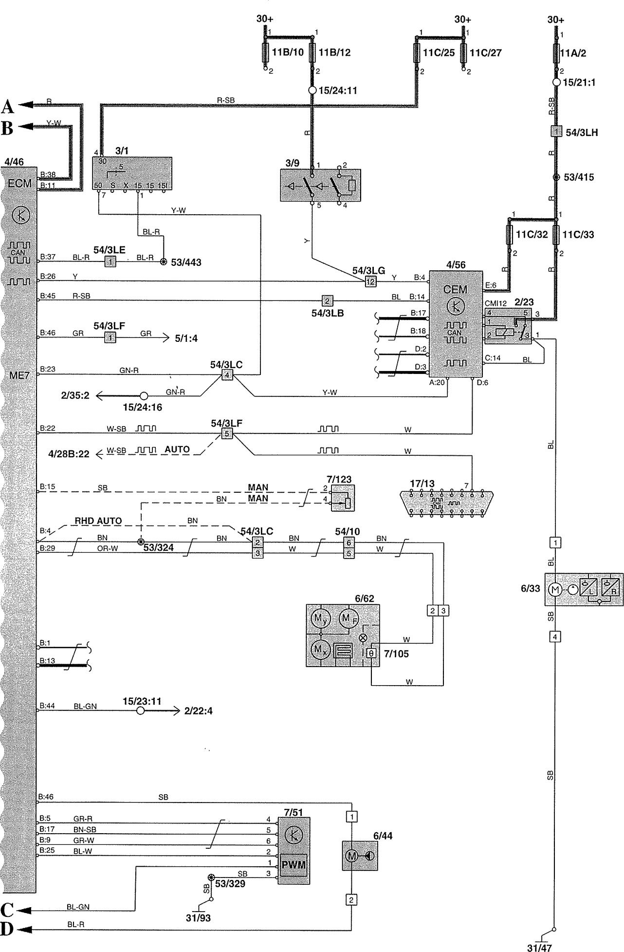
Volvo V70 (2002) – wiring diagrams – fuel controls
Year of productions: 2002
Fuel controls










WARNING: Terminal and harness assignments for individual connectors will vary depending on vehicle equipment level, model, and market.
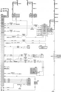
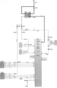
Year of productions: 2002










WARNING: Terminal and harness assignments for individual connectors will vary depending on vehicle equipment level, model, and market.
Copyright © 2026 | MH Magazine WordPress Theme by MH Themes