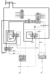
Volvo V70 (2001 – 2002) – wiring diagrams – wiper/washer
Year of productions: 2001, 2002
Wiper/washer







WARNING: Terminal and harness assignments for individual connectors will vary depending on vehicle equipment level, model, and market.
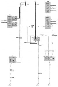
Year of productions: 2001, 2002







WARNING: Terminal and harness assignments for individual connectors will vary depending on vehicle equipment level, model, and market.
Copyright © 2025 | MH Magazine WordPress Theme by MH Themes