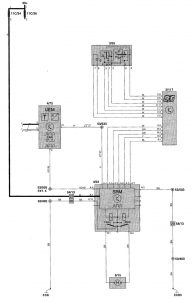
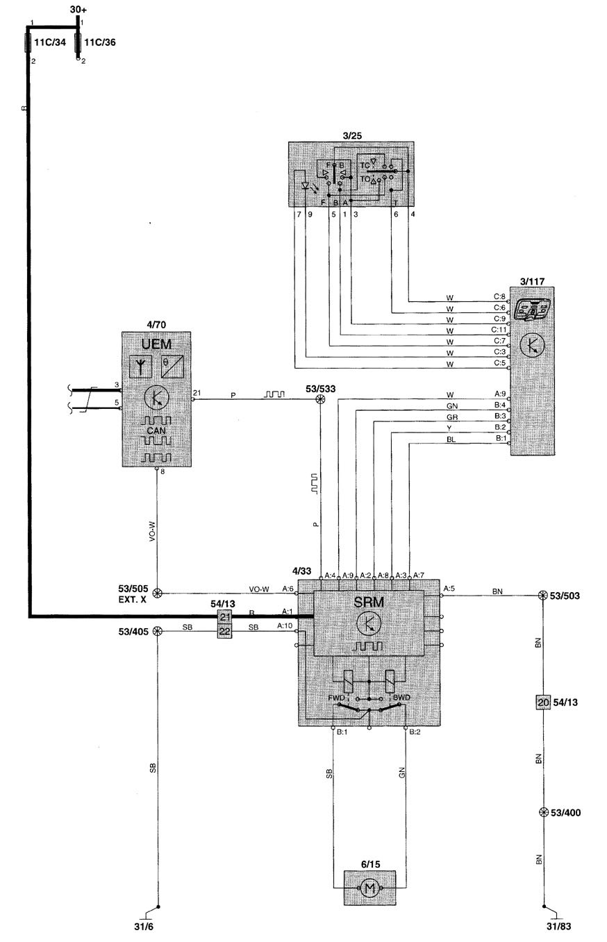
Volvo V70 (2000 – 2001) – wiring diagrams – sun roof
Year of productions: 2000, 2001
Sun roof





WARNING: Terminal and harness assignments for individual connectors will vary depending on vehicle equipment level, model, and market.
Year of productions: 2000, 2001





WARNING: Terminal and harness assignments for individual connectors will vary depending on vehicle equipment level, model, and market.
Copyright © 2026 | MH Magazine WordPress Theme by MH Themes