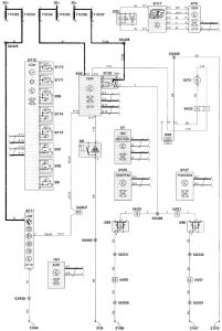
Volvo V70 (2000) – wiring diagrams – instrument panel lamps
Year of productions: 2000
Instrument panel lamps





WARNING: Terminal and harness assignments for individual connectors will vary depending on vehicle equipment level, model, and market.
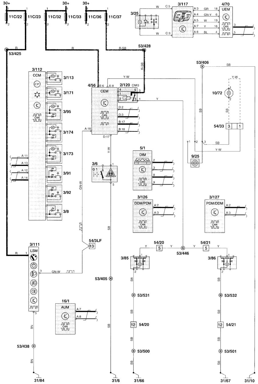
Year of productions: 2000





WARNING: Terminal and harness assignments for individual connectors will vary depending on vehicle equipment level, model, and market.
Copyright © 2026 | MH Magazine WordPress Theme by MH Themes