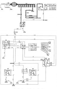
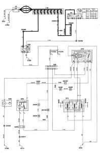
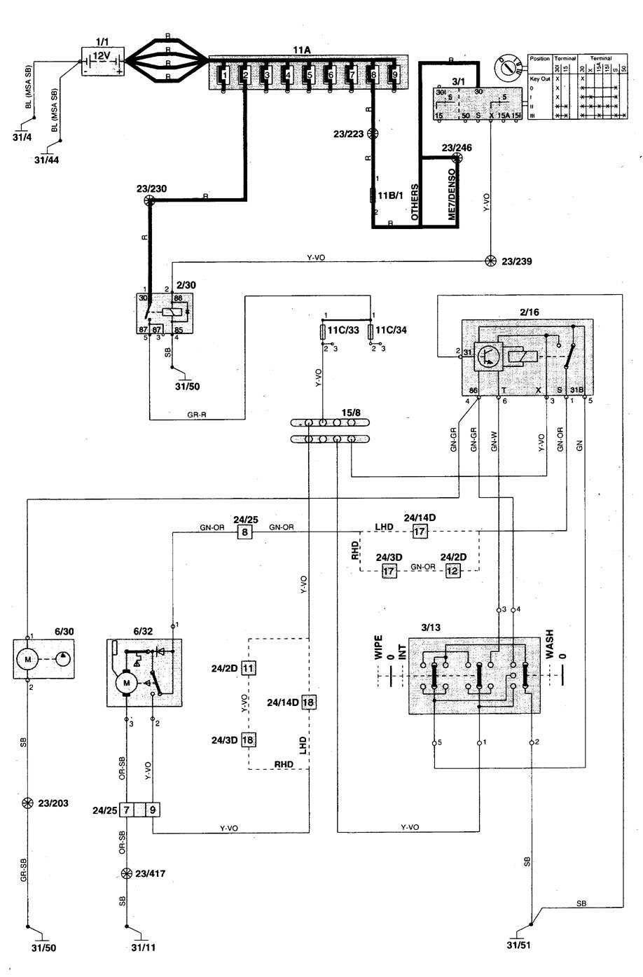
Volvo V70 (1998 – 1999) – wiring diagrams – wiper/washer
Year of productions: 1998, 1999
Wiper/washer






WARNING: Terminal and harness assignments for individual connectors will vary depending on vehicle equipment level, model, and market.
Year of productions: 1998, 1999






WARNING: Terminal and harness assignments for individual connectors will vary depending on vehicle equipment level, model, and market.
Copyright © 2025 | MH Magazine WordPress Theme by MH Themes