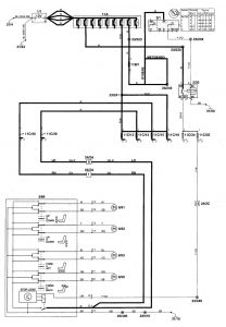
Volvo V70 (1998 – 1999) – wiring diagrams – power seat
Year of productions: 1998, 1999
Power seat






WARNING: Terminal and harness assignments for individual connectors will vary depending on vehicle equipment level, model, and market.
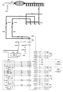
Year of productions: 1998, 1999






WARNING: Terminal and harness assignments for individual connectors will vary depending on vehicle equipment level, model, and market.
Copyright © 2026 | MH Magazine WordPress Theme by MH Themes