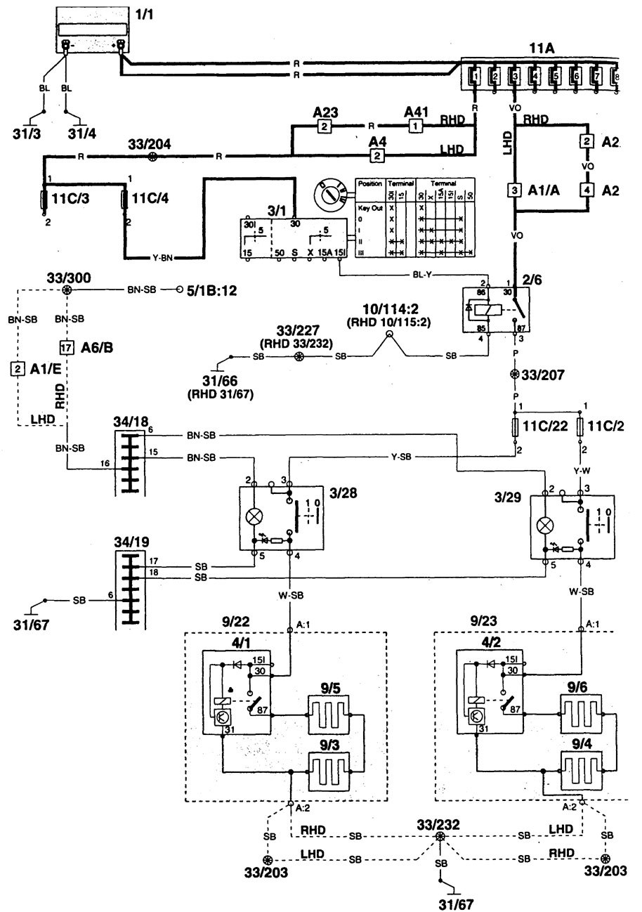
Volvo S90 (1997 – 1998) – wiring diagrams – heated seats
Year of productions: 1997, 1998
Heated seats





WARNING: Terminal and harness assignments for individual connectors will vary depending on vehicle equipment level, model, and market.
Year of productions: 1997, 1998





WARNING: Terminal and harness assignments for individual connectors will vary depending on vehicle equipment level, model, and market.
Copyright © 2026 | MH Magazine WordPress Theme by MH Themes