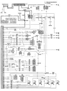
Volvo S90 (1997 – 1998) – wiring diagrams – fuel controls
Year of productions: 1997, 1998
Fuel controls






WARNING: Terminal and harness assignments for individual connectors will vary depending on vehicle equipment level, model, and market.
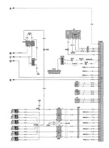
Year of productions: 1997, 1998






WARNING: Terminal and harness assignments for individual connectors will vary depending on vehicle equipment level, model, and market.
Copyright © 2026 | MH Magazine WordPress Theme by MH Themes