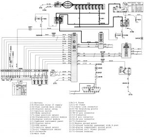
Volvo S70 (1999 – 2000) – wiring diagrams – transmission controls
Year of productions: 1999, 2000
Transmission controls





WARNING: Terminal and harness assignments for individual connectors will vary depending on vehicle equipment level, model, and market.
