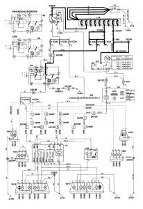
Volvo S70 (1998 – 2000) – wiring diagrams – tail lamps
Year of productions: 1998, 1999, 2000
Tail lamps





WARNING: Terminal and harness assignments for individual connectors will vary depending on vehicle equipment level, model, and market.
Year of productions: 1998, 1999, 2000





WARNING: Terminal and harness assignments for individual connectors will vary depending on vehicle equipment level, model, and market.
Copyright © 2026 | MH Magazine WordPress Theme by MH Themes