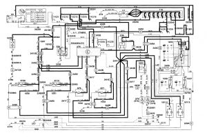
Volvo S70 (1998 – 2000) – wiring diagrams – interior lighting
Year of productions: 1998, 1999, 2000
Interior lighting





WARNING: Terminal and harness assignments for individual connectors will vary depending on vehicle equipment level, model, and market.
