Acura Integra (1998 – 1999) – wiring diagrams – horn Year of productions: 1998, 1999 Horn WARNING: Terminal and harness assignments for individual connectors will vary depending on vehicle equipment level, model, and market.
Mercedes-Benz 560SEL (1990) – wiring diagrams – courtesy lamp Year of productions: 1990 Courtesy lamp WARNING: Terminal and harness assignments for individual connectors will vary depending on vehicle equipment level, model, and market.
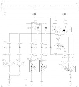
Mercedes-Benz 560SEC (1990 – 1991) – wiring diagrams – power seat Year of productions: 1990, 1991 Power seat Version 1 Version 2 Version 3 WARNING: Terminal and harness assignments for individual connectors will vary depending […]
Leave a Reply