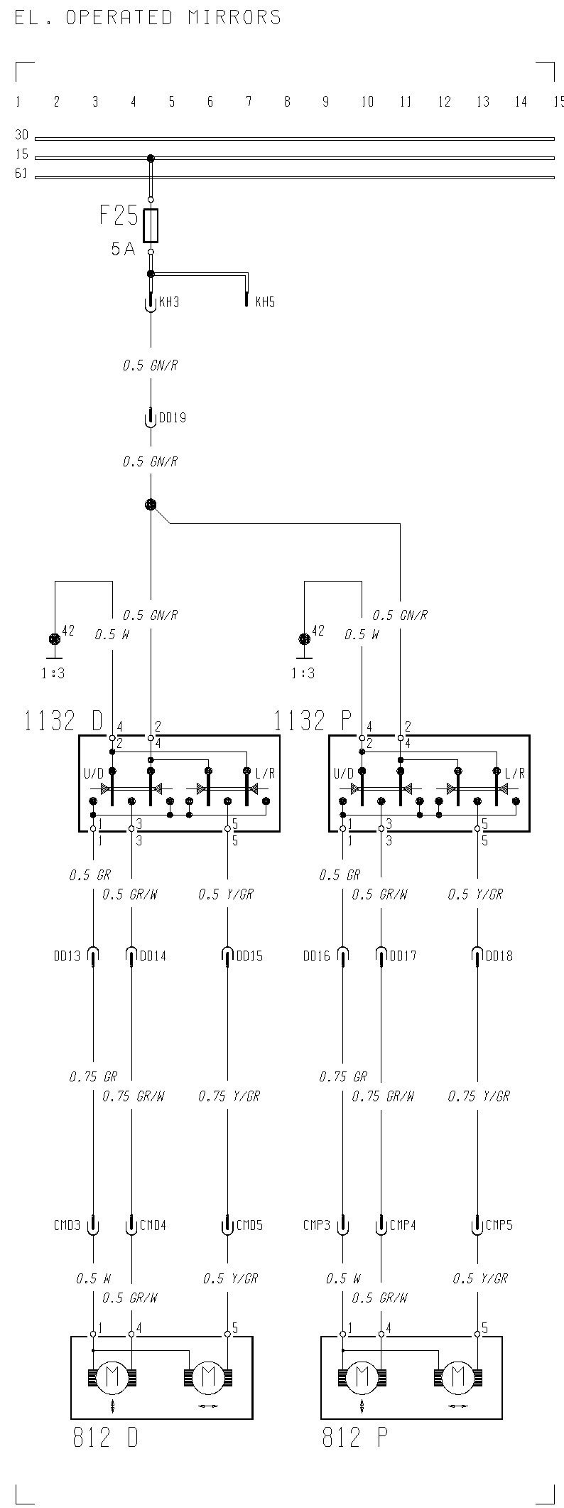
Volvo F12, F16 – wiring diagram – el. operated mirrors
Year of production:

WARNING: Terminal and harness assignments for individual connectors will vary depending on vehicle equipment level, model, and market.
Copyright © 2025 | MH Magazine WordPress Theme by MH Themes
Leave a Reply