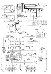
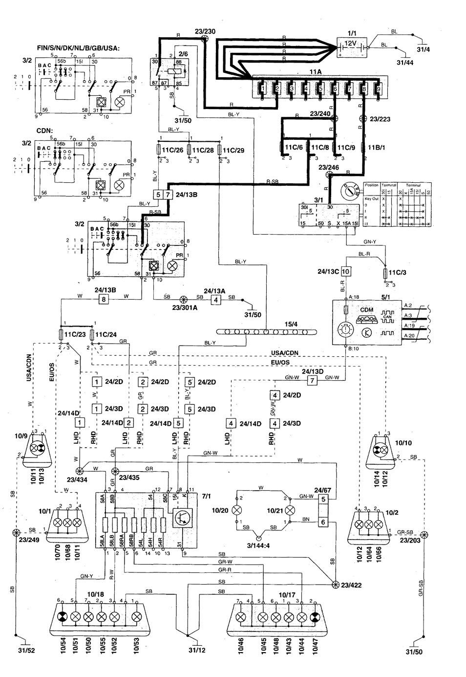
Volvo C70 (1998 – 2004) – wiring diagrams – parking lamp
Year of productions: 1998, 1999, 2000, 2001, 2002, 2003, 2004
Parking lamp





WARNING: Terminal and harness assignments for individual connectors will vary depending on vehicle equipment level, model, and market.
