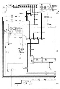
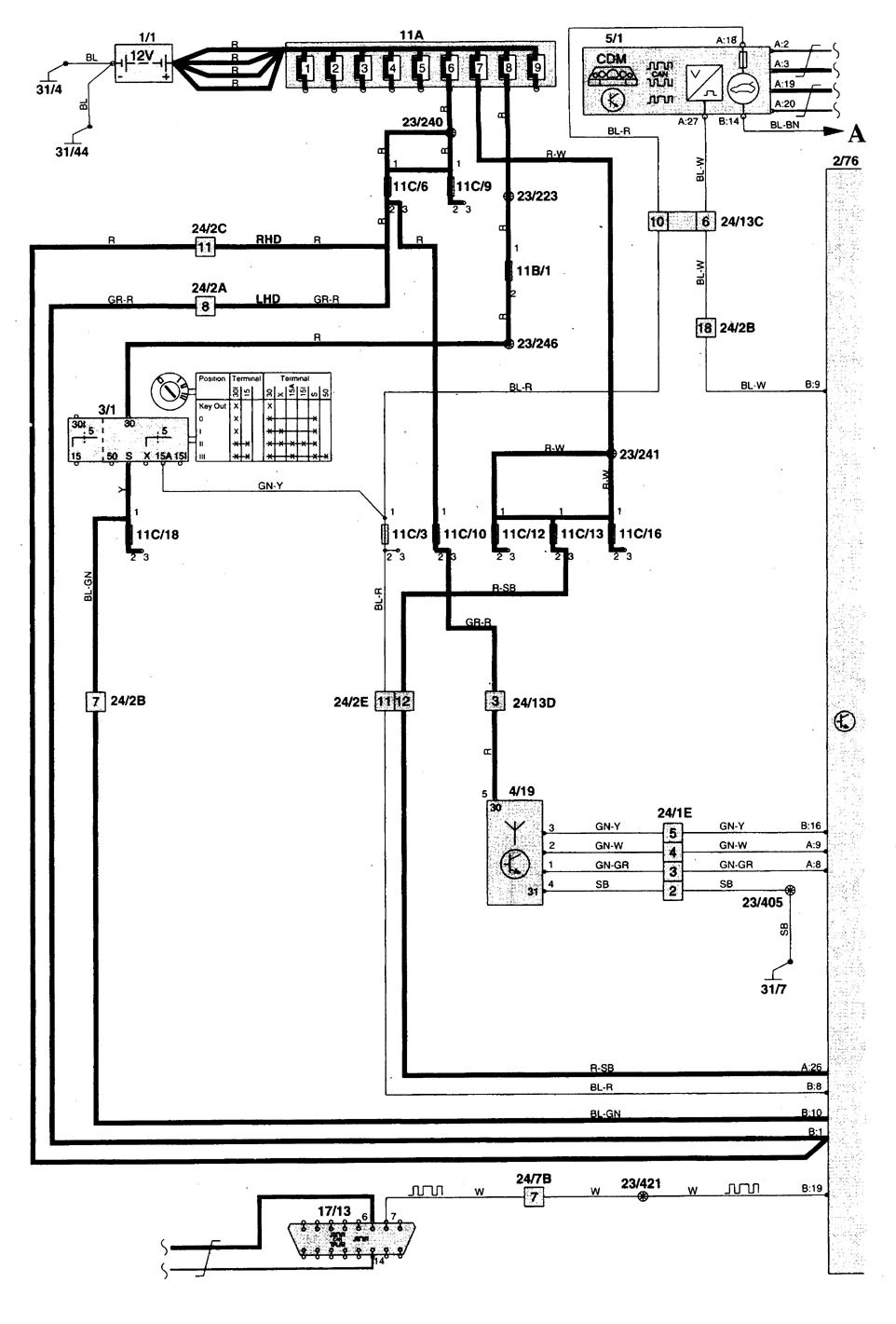
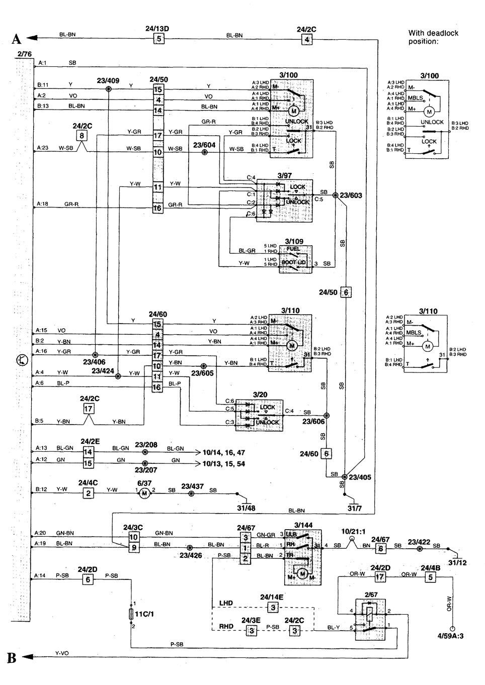
Volvo C70 (1998 – 2000) – wiring diagrams – power locks
Year of productions: 1998, 1999, 2000
Power locks








WARNING: Terminal and harness assignments for individual connectors will vary depending on vehicle equipment level, model, and market.
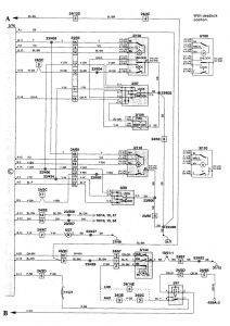
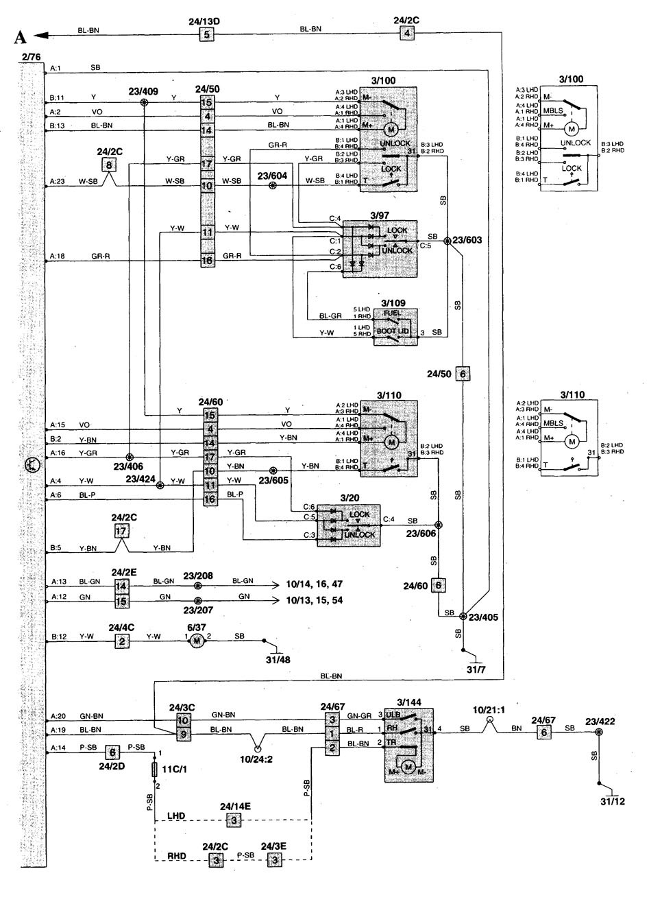
Year of productions: 1998, 1999, 2000








WARNING: Terminal and harness assignments for individual connectors will vary depending on vehicle equipment level, model, and market.
Copyright © 2025 | MH Magazine WordPress Theme by MH Themes