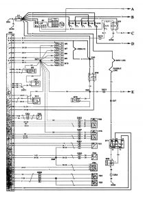
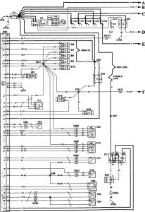
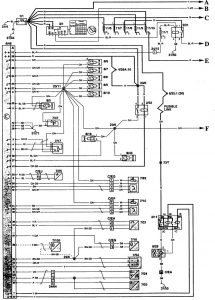
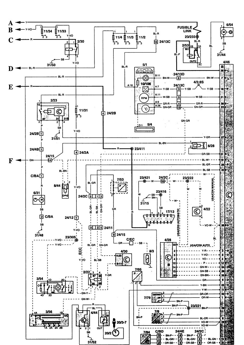
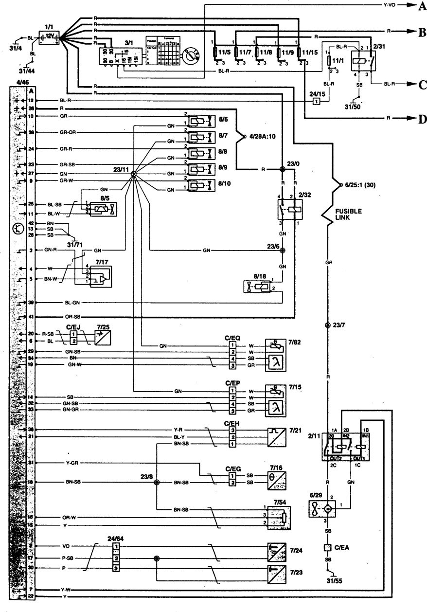
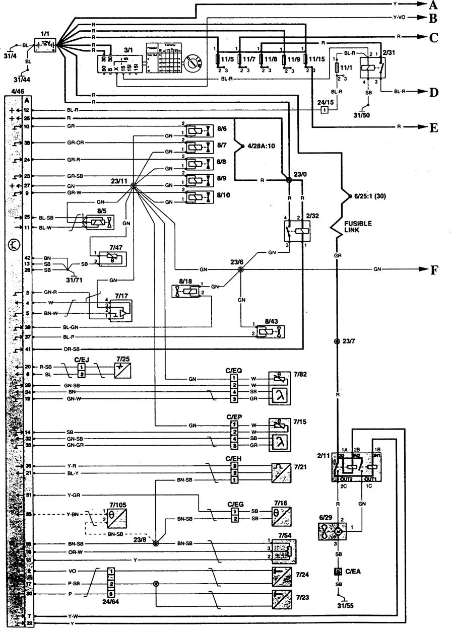
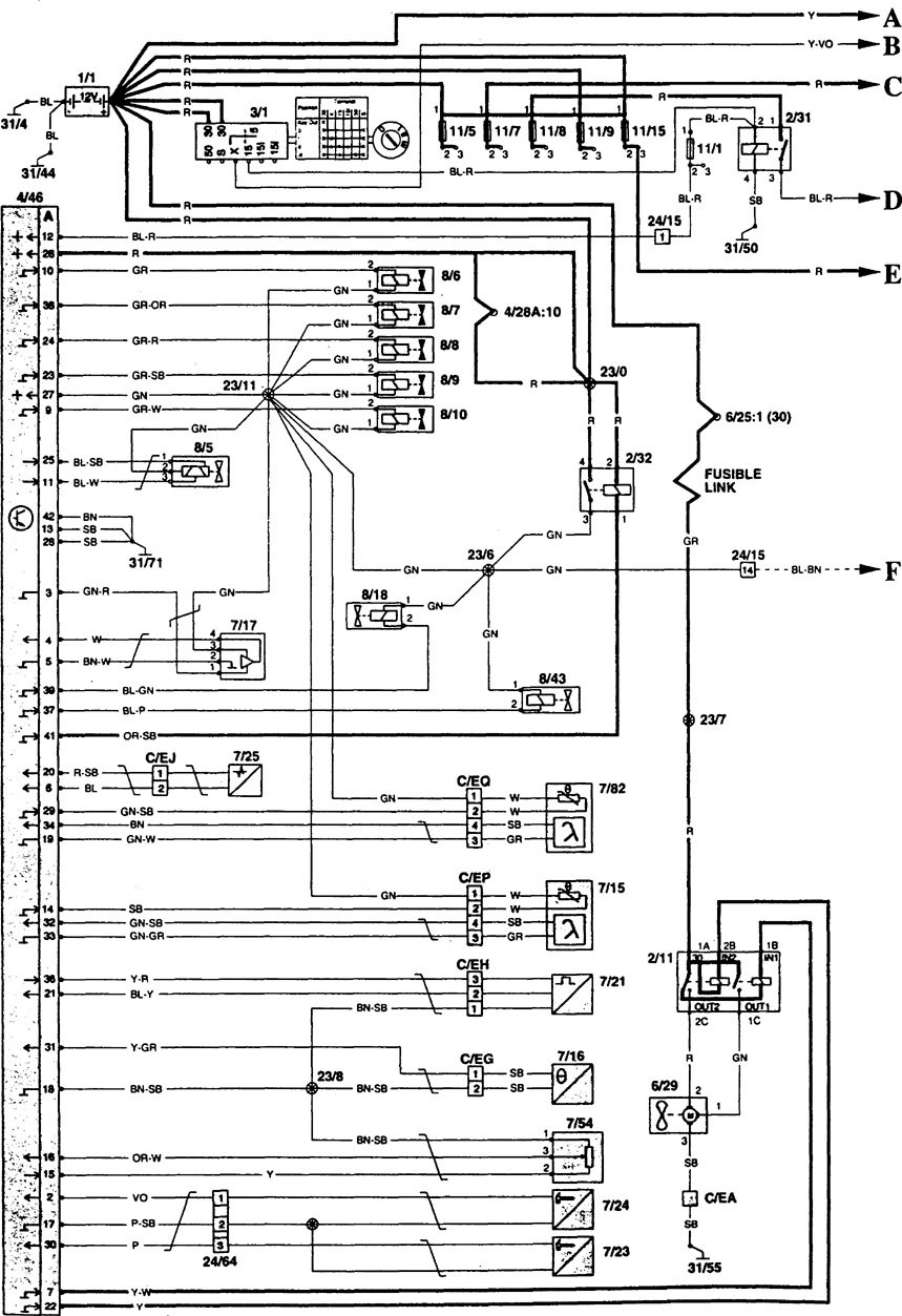
Volvo 850 (1997) – wiring diagrams – fuel controls
Year of productions: 1997
Fuel controls











WARNING: Terminal and harness assignments for individual connectors will vary depending on vehicle equipment level, model, and market.
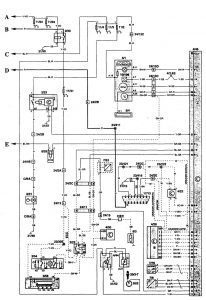
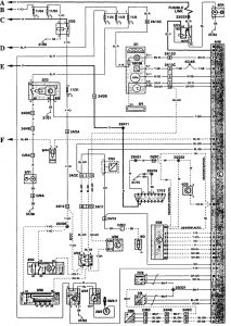
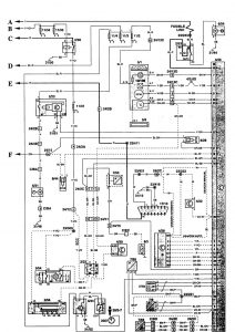
Year of productions: 1997











WARNING: Terminal and harness assignments for individual connectors will vary depending on vehicle equipment level, model, and market.
Copyright © 2026 | MH Magazine WordPress Theme by MH Themes