Volvo 850 (1996 – 1997) – wiring diagrams – power windows
Year of productions: 1996, 1997
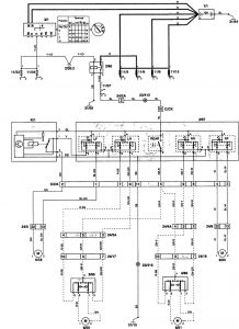
Power windows




WARNING: Terminal and harness assignments for individual connectors will vary depending on vehicle equipment level, model, and market.
Year of productions: 1996, 1997




WARNING: Terminal and harness assignments for individual connectors will vary depending on vehicle equipment level, model, and market.
Copyright © 2025 | MH Magazine WordPress Theme by MH Themes