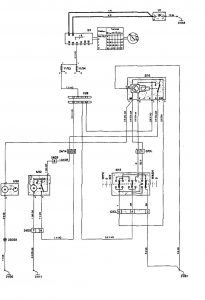
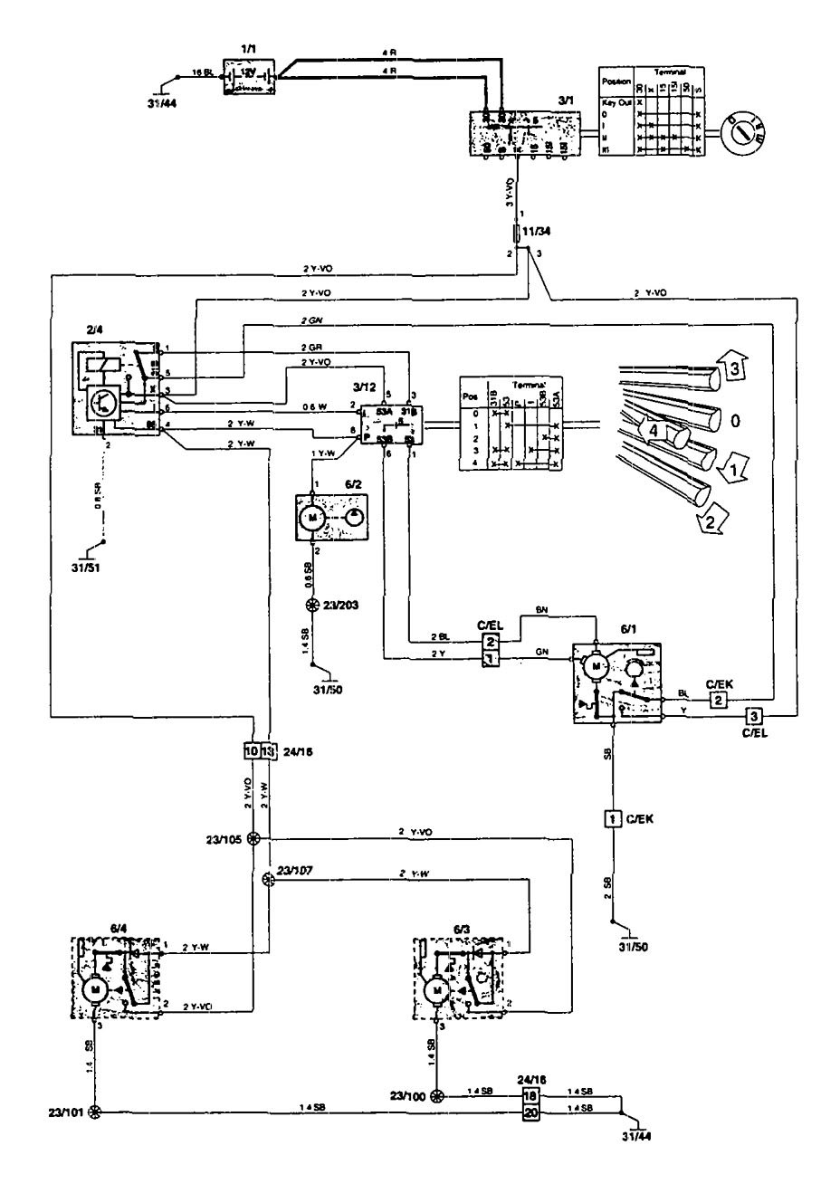
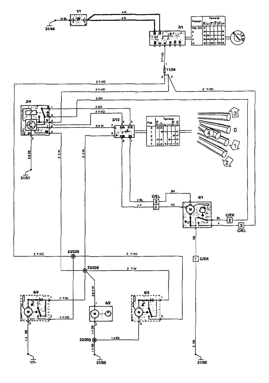
Volvo 850 (1995 – 1996) – wiring diagrams – wiper/washer
Year of productions: 1995, 1996
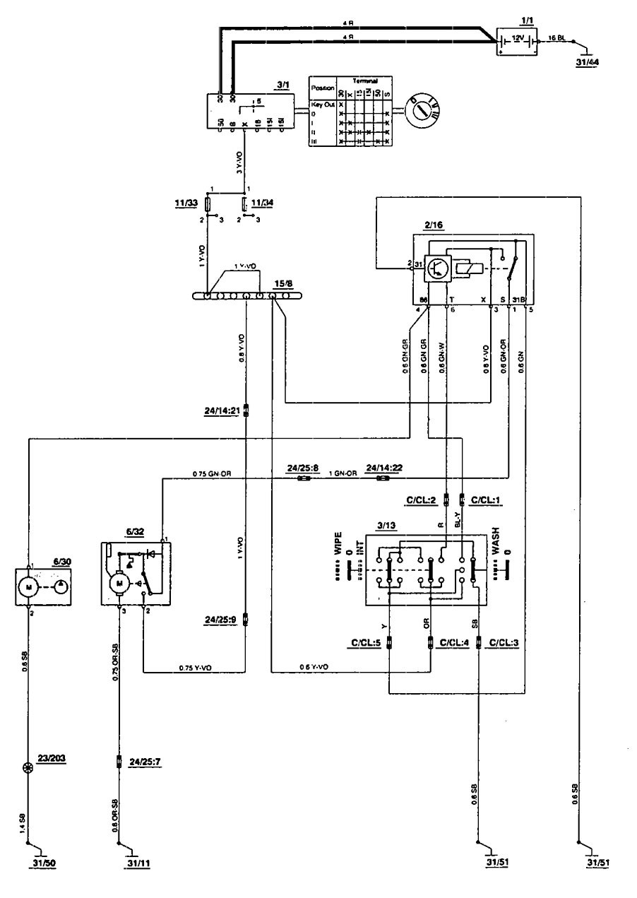
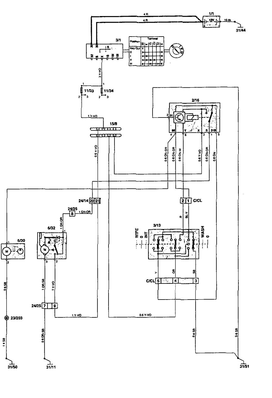
Wiper/washer








WARNING: Terminal and harness assignments for individual connectors will vary depending on vehicle equipment level, model, and market.
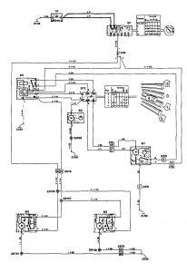
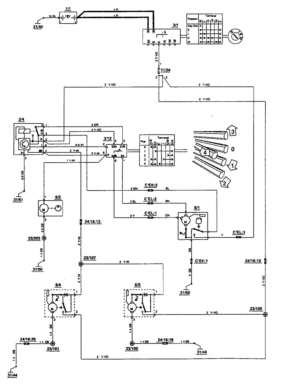
Year of productions: 1995, 1996








WARNING: Terminal and harness assignments for individual connectors will vary depending on vehicle equipment level, model, and market.
Copyright © 2026 | MH Magazine WordPress Theme by MH Themes