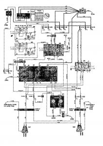
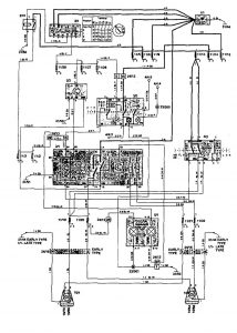
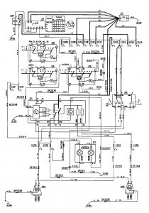
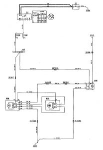
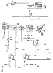
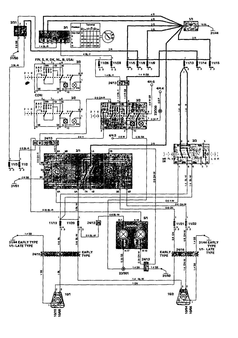
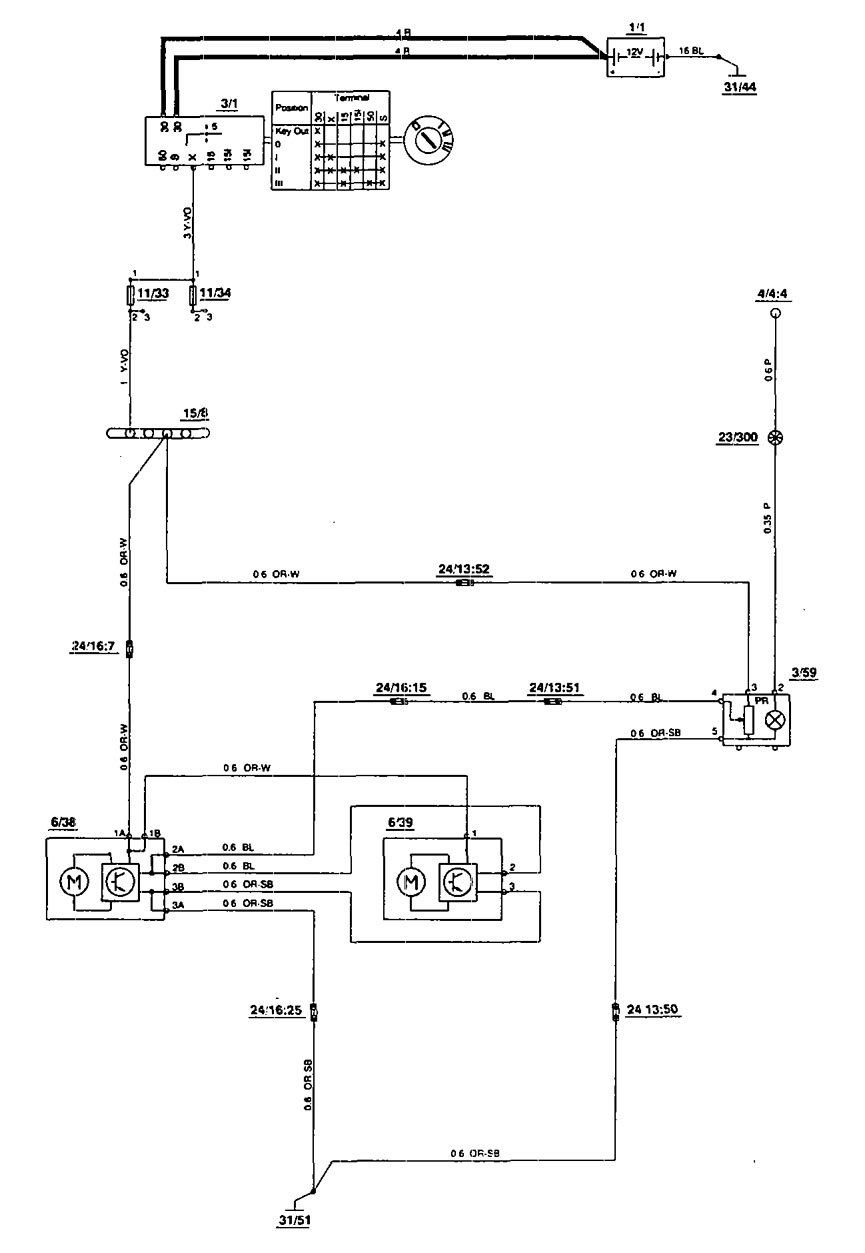
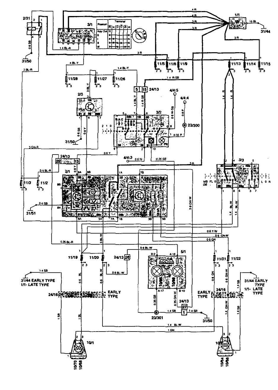
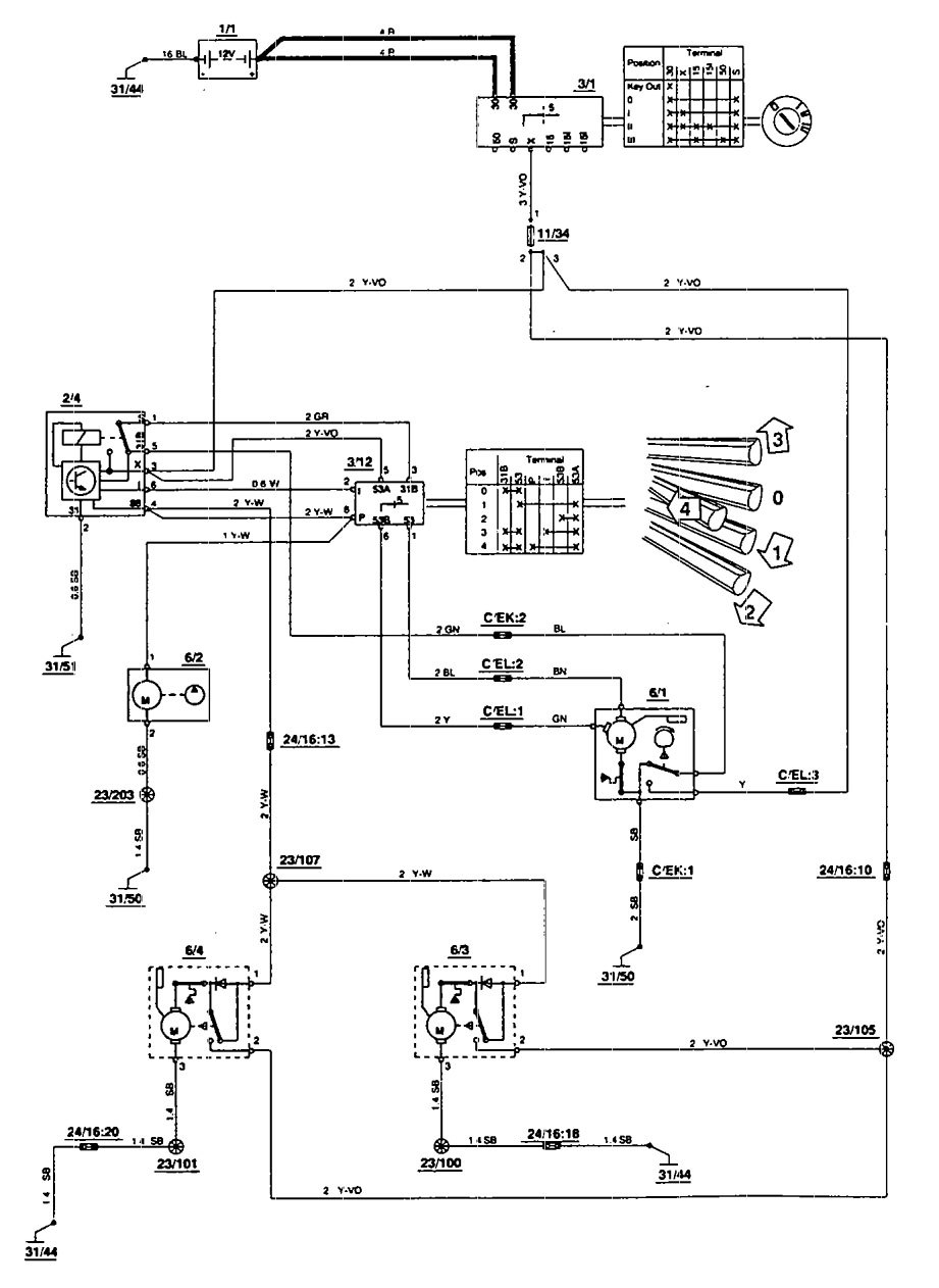
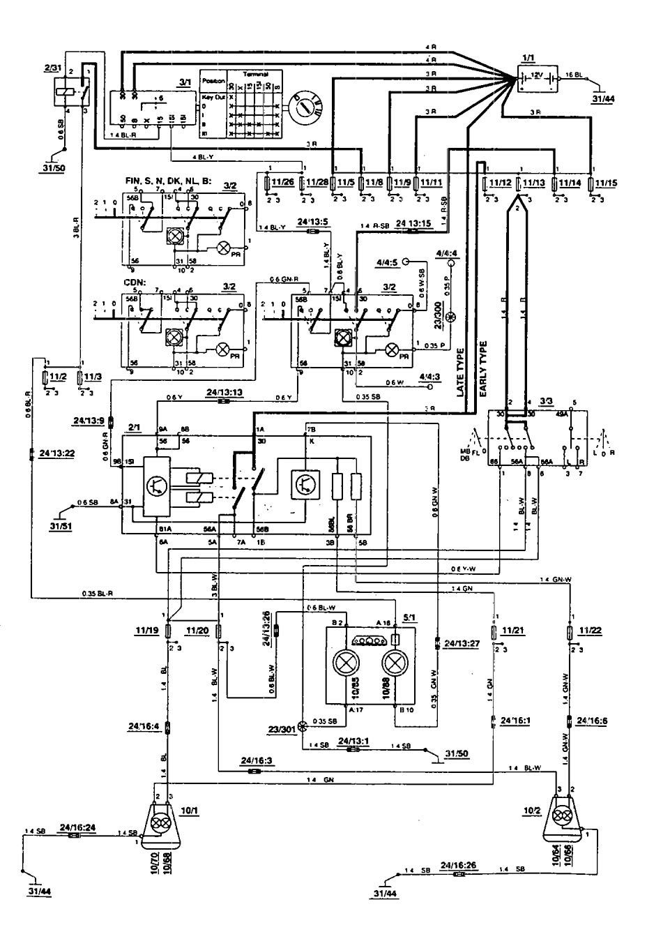
Volvo 850 (1995) – wiring diagrams – headlamps
Year of productions: 1995
Headlamps

diagram – headlamps (part 1)

diagram – headlamps (part 2)

diagram – headlamps (part 3)

diagram – headlamps (part 4)

diagram – headlamps (part 5)

diagram – headlamps (part 6)



WARNING: Terminal and harness assignments for individual connectors will vary depending on vehicle equipment level, model, and market.
