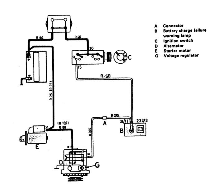
Volvo 245 (1988 – 1989) – wiring diagrams – charging system
Year of productions: 1988, 1989
Charging system

WARNING: Terminal and harness assignments for individual connectors will vary depending on vehicle equipment level, model, and market.
Copyright © 2026 | MH Magazine WordPress Theme by MH Themes