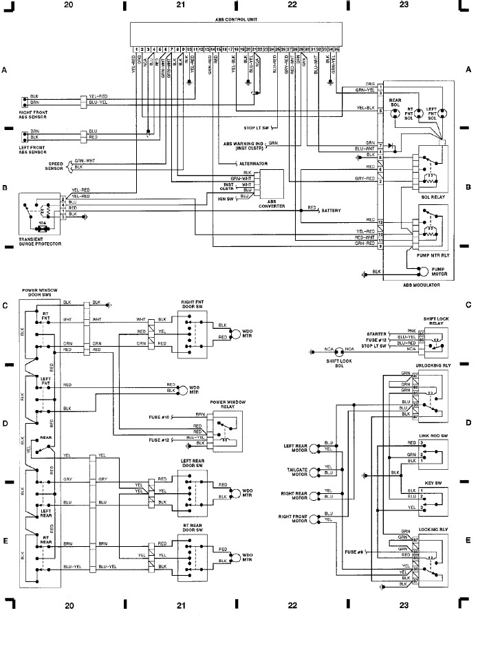
Volvo 240 – wiring diagrams – ABS Ctrl, power window/doors, shift lock rly
Year of productions: 1991
ABS Ctrl, power window/doors, shift lock rly (grid 20 – 23)

WARNING: Terminal and harness assignments for individual connectors will vary depending on vehicle equipment level, model, and market.

Leave a Reply