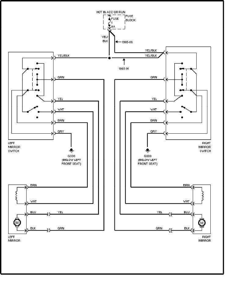
Volvo 240 (1991 – 1993) – wiring diagrams – power mirror circuit
Year of productions: 1991, 1992, 1993
Power mirror

WARNING: Terminal and harness assignments for individual connectors will vary depending on vehicle equipment level, model, and market.

Leave a Reply