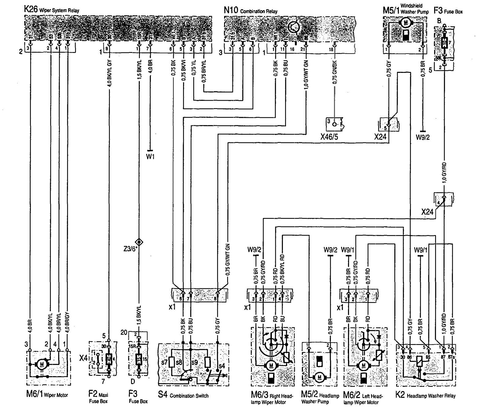
Mercedes-Benz 300SD (1992 – 1992) – wiring diagrams – wiper/washer
Year of productions: 1992, 1993
Wiper/washer


WARNING: Terminal and harness assignments for individual connectors will vary depending on vehicle equipment level, model, and market.
Year of productions: 1992, 1993


WARNING: Terminal and harness assignments for individual connectors will vary depending on vehicle equipment level, model, and market.
Copyright © 2025 | MH Magazine WordPress Theme by MH Themes