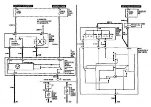
Mercedes-Benz 300E (1990 – 1991) – wiring diagrams – rear window defogger
Year of productions: 1990, 1991
Rear window defogger

window defogger
WARNING: Terminal and harness assignments for individual connectors will vary depending on vehicle equipment level, model, and market.
