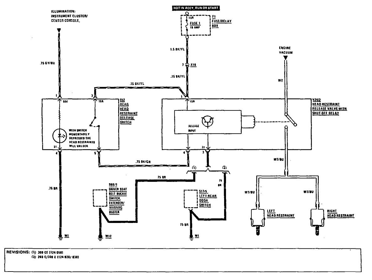
Mercedes-Benz 300E (1990 – 1991) – wiring diagrams – head restraint
Year of productions: 1990, 1991
Head restraint

WARNING: Terminal and harness assignments for individual connectors will vary depending on vehicle equipment level, model, and market.
Year of productions: 1990, 1991

WARNING: Terminal and harness assignments for individual connectors will vary depending on vehicle equipment level, model, and market.
Copyright © 2025 | MH Magazine WordPress Theme by MH Themes