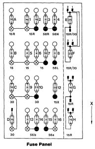
Mercedes-Benz 300D (1990 – 1993) – wiring diagrams – fuse panel
Year of productions: 1990, 1991, 1992, 1993
Fuse panel

WARNING: Terminal and harness assignments for individual connectors will vary depending on vehicle equipment level, model, and market.
