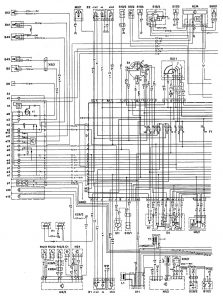
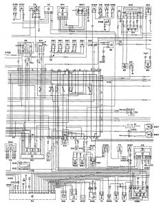
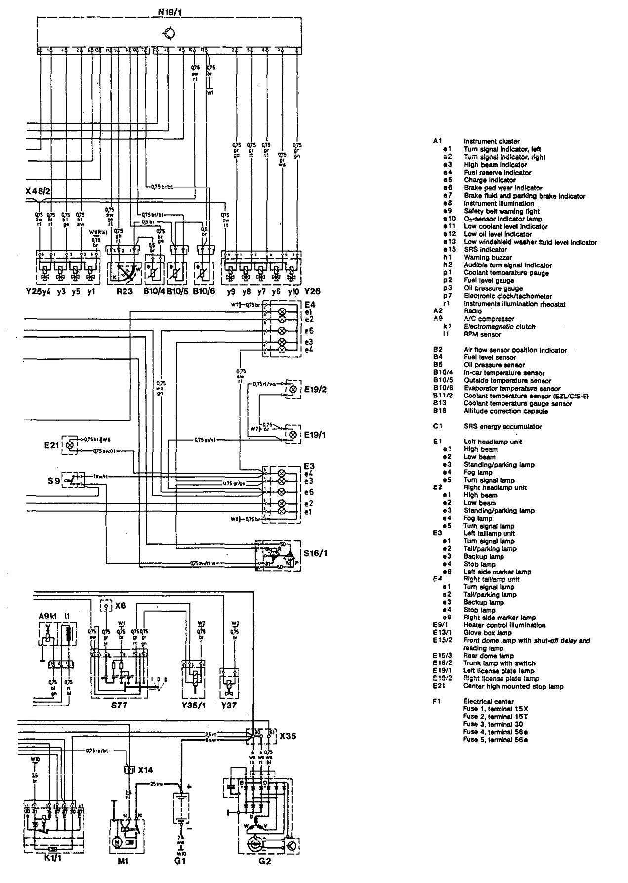
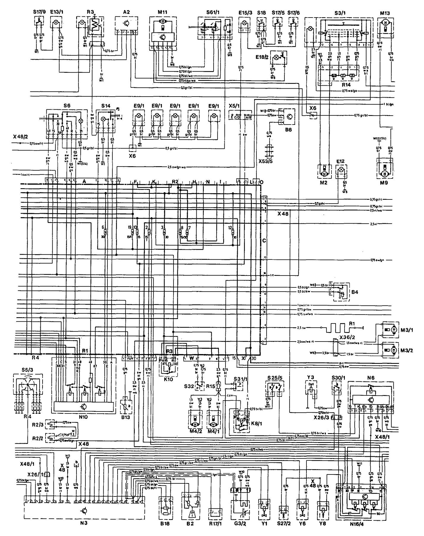
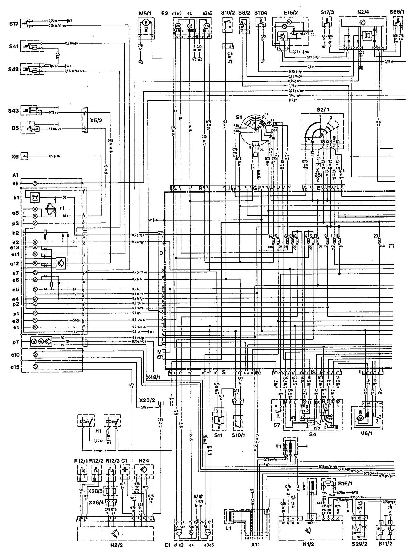
Mercedes-Benz 190E (1993) – wiring diagrams – exterior lighting
Year of productions: 1993
Exterior lighting




WARNING: Terminal and harness assignments for individual connectors will vary depending on vehicle equipment level, model, and market.
Year of productions: 1993




WARNING: Terminal and harness assignments for individual connectors will vary depending on vehicle equipment level, model, and market.
Copyright © 2025 | MH Magazine WordPress Theme by MH Themes