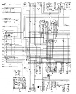
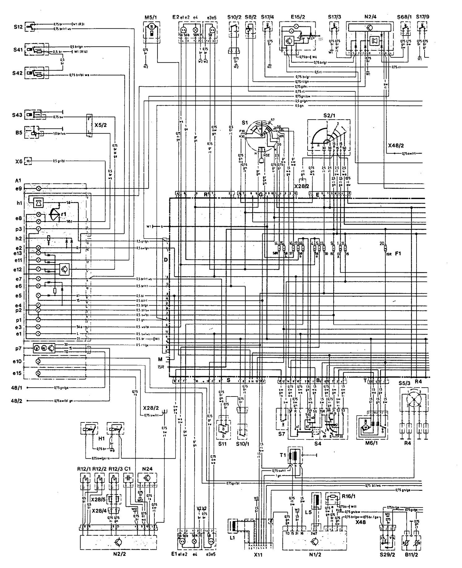
Mercedes 190E (1992) – wiring diagrams – charging system
Year of productions: 1992
Charging system




WARNING: Terminal and harness assignments for individual connectors will vary depending on vehicle equipment level, model, and market.
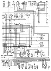
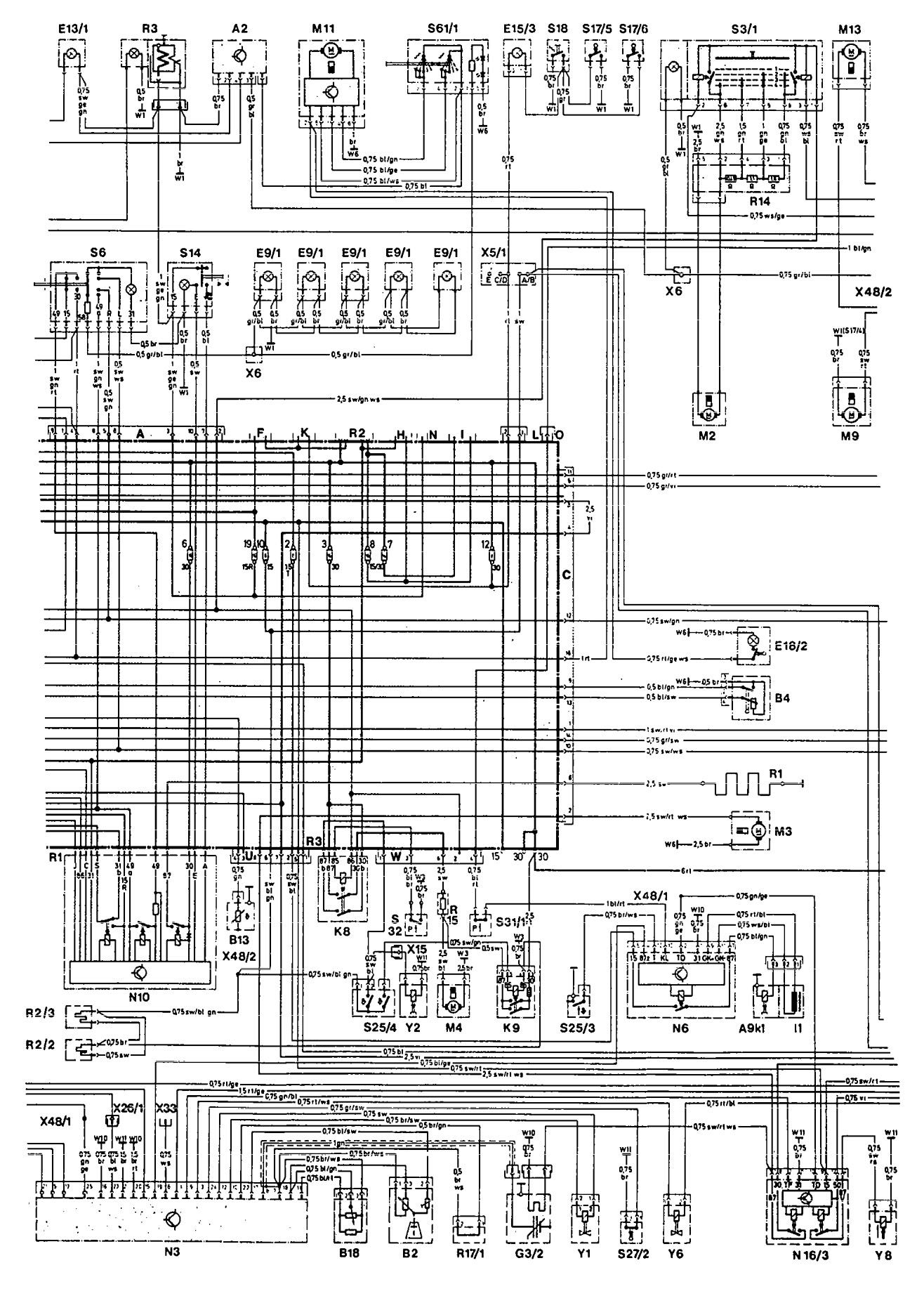
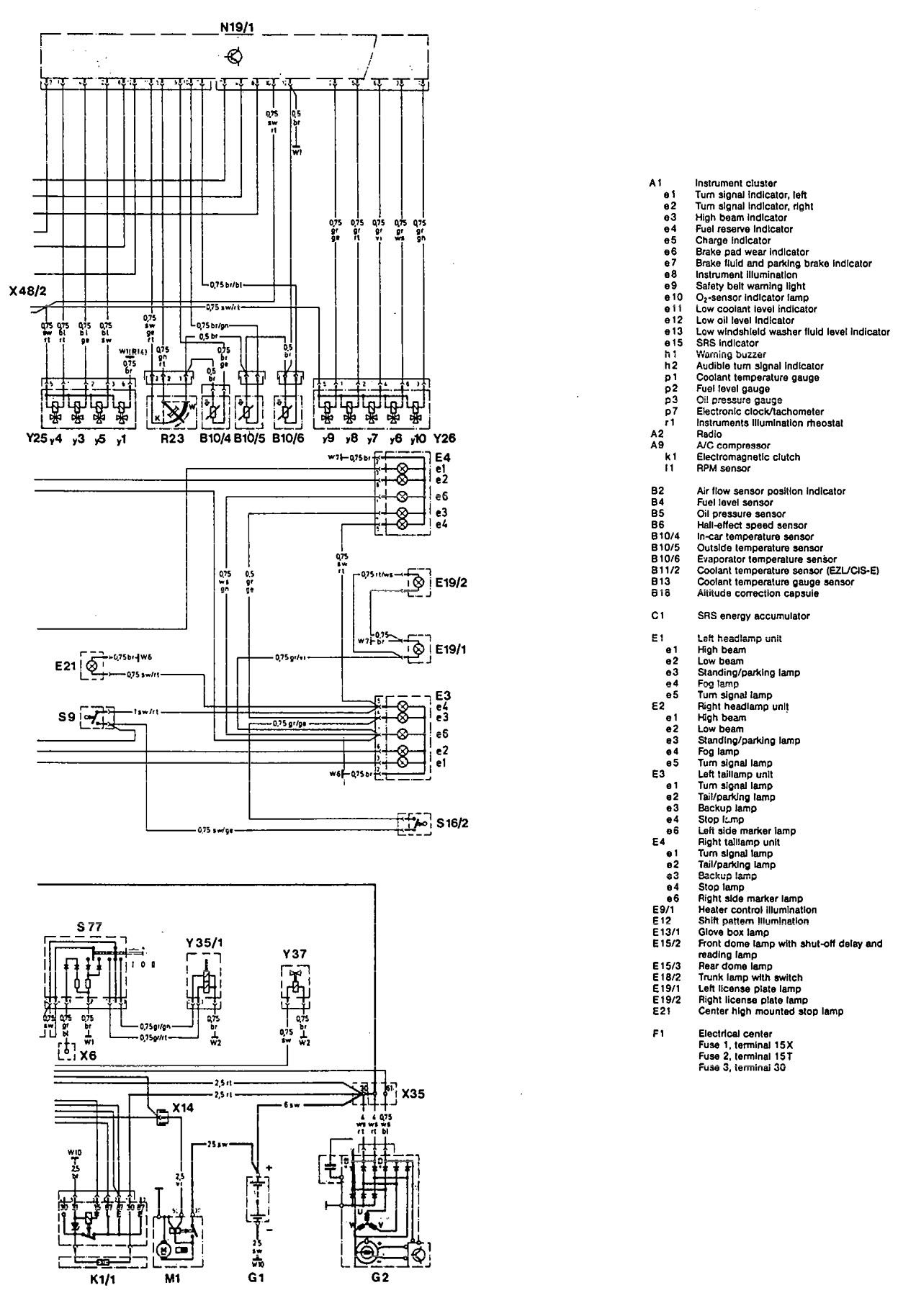
Year of productions: 1992




WARNING: Terminal and harness assignments for individual connectors will vary depending on vehicle equipment level, model, and market.
Copyright © 2026 | MH Magazine WordPress Theme by MH Themes