Jeep CJ (1978 – 1986) – fuse box diagram
Year of production: 1978, 1979, 1980, 1981, 1982, 1983, 1984, 1985, 1986
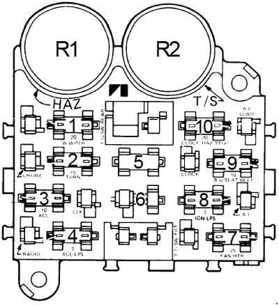
Fuse box

| № |
A |
Protected Component |
| 1 | 4.5 | Windshield wipers |
| 2 | 15 | Turn signals |
| 3 | 10 | Accessories |
| 4 | 3 | Instrument and accessory lights |
| 5 | 20 | Interior lights |
| 6 | 20 | Brake, tail and parking lights |
| 7 | 25 | Air conditioner, heater and electric fan |
| 8 | 3 | Instruments |
| 9 | 10 | 6-cyl.: Seat belt warning and back-up lights |
| 20 | 4-cyl.: Seat belt warning and back-up lights | |
| 10 | 20 | Hazard flasher, clock and stop lights |
| Relay | ||
| R1 | Hazard flasher | |
| R2 | Turn signal | |
- 24 amp. circuit breaker is located in the headlight switch to protect headlight circuit.
- The 6-cyl. models have a 4 amp. in-line fuse protecting the cruise control. The V8 models have a 1.5 amp. in-line fuse protecting the cruise control.
- All Jeep models are equipped with fusible links, located in the engine compartment, which protect the circuits.
WARNING: Terminal and harness assignments for individual connectors will vary depending on vehicle equipment level, model, and market.
